Страница 25 из 57 ПерваяПервая ... 151920212223242526272829303135 ... ПоследняяПоследняя
Показано с 241 по 250 из 568
  1. #241
    Пользователь Аватар для Nikitos_111
    Регистрация
    10.03.2009
    Возраст
    39
    Сообщений
    87
    Вес репутации
    228

    По умолчанию Re: Подключение Штатного монитора на любом автомобиле.

    Cip? т.е. мне лучше теперь отследить куда дальше уходит сигнал??? там вроде конденсаторы идул! И цеплятся к самому разъему??? А самый большой вопрос у меня про экран RGB куда его паять??? И всетаки какие мне нужны сопротивления???
    Помоги пожалуйста, очень хочу попробовать!!!

  2. #242
    Администратор Аватар для Chip
    Регистрация
    08.06.2007
    Возраст
    56
    Сообщений
    13,381
    Вес репутации
    10

    По умолчанию Re: Подключение Штатного монитора на любом автомобиле.

    Экран на общий провод на разьеме . Сопротивления не стоит , лучше на 555ЛП5 сделатьт смеситель
    Отследить нужно для того тобы проще было подключить коммутатор
    Последний раз редактировалось Chip; 15.03.2009 в 13:51.

  3. #243
    Пользователь Аватар для Nikitos_111
    Регистрация
    10.03.2009
    Возраст
    39
    Сообщений
    87
    Вес репутации
    228

    По умолчанию Re: Подключение Штатного монитора на любом автомобиле.

    Cip, теперь самый тупой вопрс, прости! Комутатор как он выглядит и зачем он нужен мне???

  4. #244
    Администратор Аватар для Chip
    Регистрация
    08.06.2007
    Возраст
    56
    Сообщений
    13,381
    Вес репутации
    10

    По умолчанию Re: Подключение Штатного монитора на любом автомобиле.

    Коммутатор нужен для того что бы на экран выводить инфу от CarPC или штатную инфу.
    Миниатюры Миниатюры Нажмите на изображение для увеличения. 

Название:	blank.png 
Просмотров:	1441 
Размер:	3.0 Кб 
ID:	3608  

  5. #245
    Пользователь Аватар для Nikitos_111
    Регистрация
    10.03.2009
    Возраст
    39
    Сообщений
    87
    Вес репутации
    228

    По умолчанию Re: Подключение Штатного монитора на любом автомобиле.

    Нажмите на изображение для увеличения. 

Название:	blank2.png 
Просмотров:	1744 
Размер:	8.9 Кб 
ID:	3609
    А вот это что??? там не понятно что написано??? Для чего это??? И 1к это сопротивление?

  6. #246
    Администратор Аватар для Chip
    Регистрация
    08.06.2007
    Возраст
    56
    Сообщений
    13,381
    Вес репутации
    10

    По умолчанию Re: Подключение Штатного монитора на любом автомобиле.

    Это кнопка с эллектронной фиксацией, можно заменить обычной кнопкой с фиксацией

  7. #247
    Пользователь Аватар для Nikitos_111
    Регистрация
    10.03.2009
    Возраст
    39
    Сообщений
    87
    Вес репутации
    228

    По умолчанию Re: Подключение Штатного монитора на любом автомобиле.

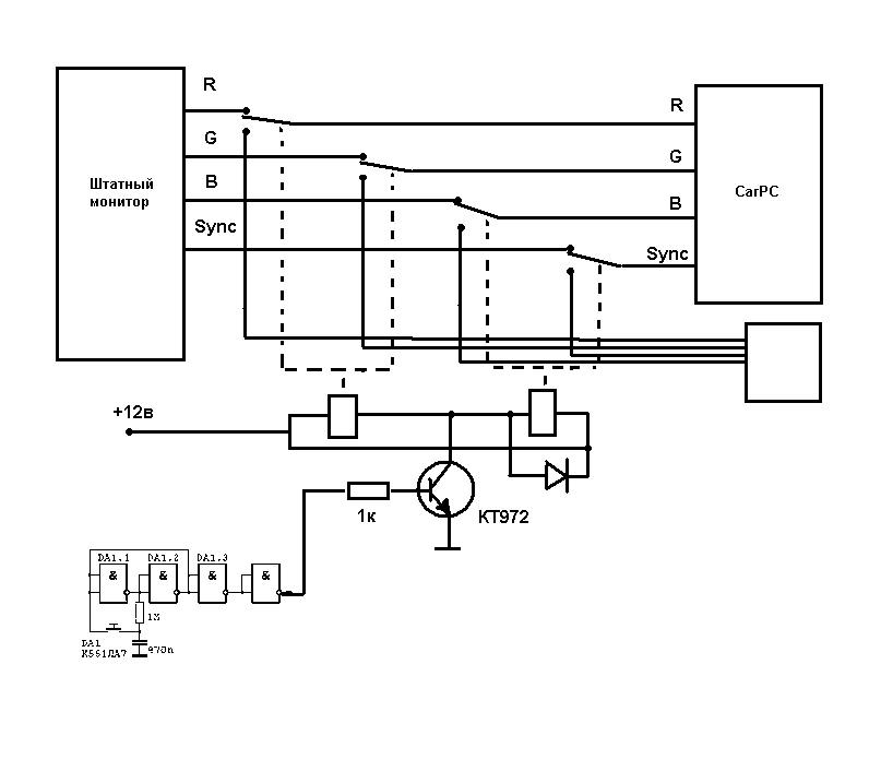
    Спасибо Cip, разобрался немного. И накидал такую схемку.
    Нажмите на изображение для увеличения. 

Название:	схем соед.jpg 
Просмотров:	2090 
Размер:	65.9 Кб 
ID:	3616
    Правда остались вопросы....

  8. #248
    Пользователь Аватар для Nikitos_111
    Регистрация
    10.03.2009
    Возраст
    39
    Сообщений
    87
    Вес репутации
    228

    По умолчанию Re: Подключение Штатного монитора на любом автомобиле.

    VGND, я так понимаю нужно паять на корпус тюнера, ну всмысле на GND Тюнера! ДА? И нужны ли эти сопротивления по 270 и 100???

  9. #249
    Новичок
    Регистрация
    24.08.2008
    Сообщений
    13
    Вес репутации
    220

    По умолчанию Re: Подключение Штатного монитора на любом автомобиле.

    Подскажите пожалуйста куда мне подключаться по RGB и куда подавать 5в для активации.Землю подавать на все конакты? какие резисторы использовать?
    Даташит на монитор
    No. Symbol Functions I/O Remarks
    1 VIDEO Composite Video Input (1.0Vp-p 75) Input
    2 NC No Connection - Note 6
    3 VSS Ground (0V) -
    4 SYNC Composite Sync. Input (Negative 1.0Vp-p 75) Input Note 2
    5 R Video Input R (0.7Vp-p 75) Input
    6 G Video Input G (0.7Vp-p 75) Input
    7 B Video Input B (0.7Vp-p 75) Input

    8 VSS Ground (0V) -
    9 HSY Horizontal Sync. Output (Negative C-MOS 5.0V) Output
    10 VSY Vertical Sync. Output (Negative C-MOS 5.0V) Output
    11 NC No Connection - Note 6
    12 NC No Connection - Note 6
    13 NC No Connection - Note 6
    14 NC No Connection - Note 6
    15 VSS Ground (0V) -
    16 SSW Sync. Signal Selection Switch (0V:Composite Video , 5V:RGB) Input
    17 N/P NTSC/PAL Selection Switch (0V:NTSC , 5V:PAL) Input Note 5
    18 VSS Ground (0V) -
    19 VDD 5V Output for Control Terminals Output
    20 L/R Scanning Direction Switch[0V:Normal,5V:Reverse(Left and Right) Input Note 4
    21 U/D Scanning Direction Switch[0V:Normal,5V:Reverse(Up and Down)] Input Note 3
    22 BRT Brightness Control (0V to 5V) Input
    23 DIM Dimmer Control (1.35V to 3.9V) Input
    24 COLOR Color Control (0V to 5V) Input
    25 TINT Tint Control (0V to 5V) Input
    26 VSW Video Signal Selection Switch (0V:Composite Video , 5V:RGB) Input
    27 MODE 1
    28 MODE 2
    29 MODE 3
    Display Mode Selection Switch (Refer to table 1 : Next page) Input Note 1
    30 NC No Connection - Note 6

  10. #250
    Пользователь Аватар для Nikitos_111
    Регистрация
    10.03.2009
    Возраст
    39
    Сообщений
    87
    Вес репутации
    228

    По умолчанию Re: Подключение Штатного монитора на любом автомобиле.

    Нажмите на изображение для увеличения. 

Название:	схемEHF.jpg 
Просмотров:	1895 
Размер:	162.6 Кб 
ID:	3617
    УРА, вот мои достижения в микросхема..... нашел выходы........ Вроде
    А вот синхру не могу отследить от соньковской микрушки! Блин!

Страница 25 из 57 ПерваяПервая ... 151920212223242526272829303135 ... ПоследняяПоследняя

Информация о теме

Пользователи, просматривающие эту тему

Эту тему просматривают: 4 (пользователей: 0 , гостей: 4)

Ваши права

  • Вы не можете создавать новые темы
  • Вы не можете отвечать в темах
  • Вы не можете прикреплять вложения
  • Вы не можете редактировать свои сообщения
  •