Все правильно.
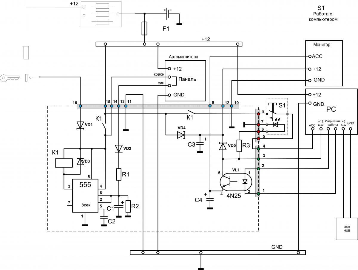
Сигнал берется с материнке - вместо светодиода “POWER” стоит оптрон который и формирует сигнал на открытие и закрытие монитора.
Можно было бы использовать просто сигнал питания +12В от БП – тот, что идет на диод Шотки, но у меня материнка хитрая – если не включать комп несколько дней, то запускается процессор со второго раза. Чтобы не было лишних телодвижений сделана эта схема.
Таймер 555, как я писал выше, нужен чтобы при запуске стартера магнитола не давала ложных сигналов и настроен на 3-5 секунд. Магнитола при просадке вырубается на 1-2 секунды без последствий для себя, но может вызвать ложное отключение реле К1, которое включает комп, подавая напряжение на вход управления блока М2-АТХ и еще блокирует ключ зажигания (стандартная схема включения магнитолы чтобы она работала без ключа зажигания).
Схема эта - результат опыта эксплуатации автокомпа в прошлом году. Сама плата сделана методом «лазерного утюга» в прошлом году была макетка.
Шины +12В и GND существуют на самом деле и сделаны из шин для электропроводки на 5 зажимных винтов каждая (шина +12В в защитном кожухе) На шины приходят очень толстые провода от аккумулятора и от корпуса авто. Шины установлены на перфорированной рейке, которая закреплена на крышки пепельницы внутри под блоком монитор-магнитола.





Ответить с цитированием
