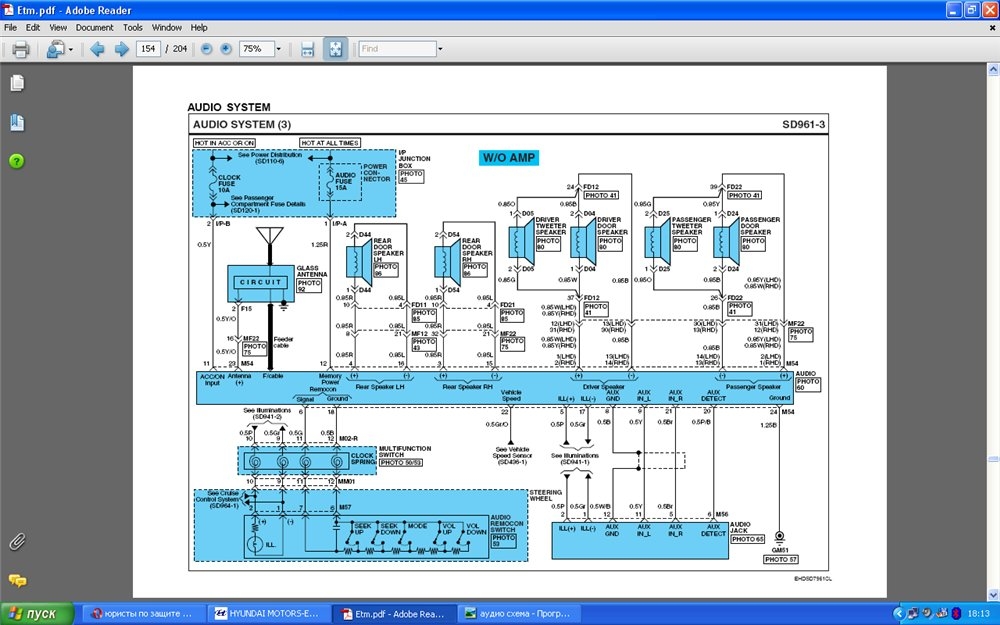
Коллеги помогите разобраться у меня машина с управлением магнитолай на руле. Штатную как вы понимаете я собрался убирать в замен хочу поставить Pioneer DEH-3000MP у магнитолы сзади разъём под джойстик(как под наушники).Схема ниже так вот как это всё согласовать. Спасибо за внимание.


Ответить с цитированием

