Страница 1 из 2 12 ПоследняяПоследняя
Показано с 1 по 10 из 14
  1. #1
    Гитарист Аватар для Botyfalf
    Регистрация
    11.03.2008
    Возраст
    45
    Сообщений
    212
    Вес репутации
    270

    По умолчанию Контроль АКБ по LPT

    Прошу сильно не ругаться!
    Ребят, а как выключить питание компа по LPT или RS-232?
    Переделал ATX блок питания для 12В в машину, собираю на К155ЛА3 примитивный контроллер на релюхах заряда АКБ (срабатывание определенного реле от определенного напряжения АКБ), хочется узнать, как все это повесить на порты компа, чтоб при определенном включенном реле отключалось питание ПК (т.е. осуществить примитивный контроль за зарядом АКБ). В программировании не шарю, инет облазил, ничего конкретного не нашел. Есть мысли?


  2. #2
    Администратор Аватар для Chip
    Регистрация
    08.06.2007
    Возраст
    56
    Сообщений
    13,381
    Вес репутации
    10

    По умолчанию Re: Контроль АКБ по LPT

    Вот так можно.
    PHP код:
    Dim strComputer As String
    strComputer 
    "."
    Set objWMIService GetObject("winmgmts:" _
    "{impersonationLevel=impersonate, _
    (Shutdown)}!\" & strComputer & "
    rootcimv2")
    Set colOperatingSystems = objWMIService.ExecQuery( _
     "
    Select from Win32_OperatingSystem")
    For Each ObjOperatingSystem In colOperatingSystems
       ObjOperatingSystem.Reboot ' Для перезагрузки
    Next

    и: 
    Dim strComputer As String

    strComputer = "
    ."

    Set objWMIService = GetObject("
    winmgmts:" & _ 
    "
    {impersonationLevel=impersonate,(Shutdown)}!\" & strComputer & "rootcimv2")
    Set colOperatingSystems = objWMIService.ExecQuery( _ 
    "
    Select from Win32_OperatingSystem")

    For Each ObjOperatingSystem In colOperatingSystems

    ObjOperatingSystem.ShutDown 'Для выключения

    Next 

  3. #3
    Гитарист Аватар для Botyfalf
    Регистрация
    11.03.2008
    Возраст
    45
    Сообщений
    212
    Вес репутации
    270

    По умолчанию Re: Контроль АКБ по LPT

    Класс, тока я далек от программирования, куда этот код девать и как подключить сей девайс к LPT, сорри: ламерствую. Понимаю, что если вместо св.диодов прикрутить по оптрону, а сигнал с оптронов подать (как-то??) в LPT, то получится искомое. Еще вариант с дровами от UPS был, пока не пойму как согласовать с RS-232.

  4. #4
    Гитарист Аватар для Botyfalf
    Регистрация
    11.03.2008
    Возраст
    45
    Сообщений
    212
    Вес репутации
    270

    По умолчанию Re: Контроль АКБ по LPT



    Кстати, а если наши оптроны повесить таким образом на COM-порт и качнув программу управления UPS-ом сделать все задуманное. Шатдаун повесить на PC ON мамки? (Хотя можно и программно выключать)

  5. #5
    Администратор Аватар для Chip
    Регистрация
    08.06.2007
    Возраст
    56
    Сообщений
    13,381
    Вес репутации
    10

    По умолчанию Re: Контроль АКБ по LPT

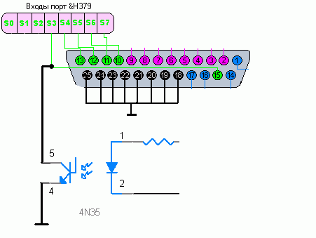
    Вот накатал программку. Сначала инсталируем драйвер LPT порта потом запускаем программу.
    Прога выключает комп при низком уровне на любом из входов отмеченых зеленым цветом. Пример подключения оптопары к LPT приложил.
    Для прописывания драйвера в реестре запустите прогу UserPort.exe нажмите Start после этого перегрузите комп. Потом можно будет без нее запускать, эта прога в реестре прописывает драйвер.
    Миниатюры Миниатюры Нажмите на изображение для увеличения. 

Название:	LPT.png 
Просмотров:	437 
Размер:	2.3 Кб 
ID:	517  
    Вложения Вложения
    • Тип файла: rar OFF.rar (189.7 Кб, Просмотров: 955)

  6. #6
    Администратор Аватар для Chip
    Регистрация
    08.06.2007
    Возраст
    56
    Сообщений
    13,381
    Вес репутации
    10

    По умолчанию Re: Контроль АКБ по LPT

    Вчера выкладывал не рабочую версию.
    Сегодня подправил, проверил все работает
    Замкнул проводочком 13 с 25 контактом LPT, комп просигналил и коректно выключился .
    Можно также добавить в программе управление любыми источниками в автомобиле например: дворники,стеклоподьемники, радио, монитор, габариты и т.д.
    На входы можно повесить датчики топлива, давления масла, уровень жидкостей и т.д. и выдавать голосовой предупреждение в случаи срабатывания.
    А еще лучше если вы установили новый источник и не хочется добавлять физическую кнопку. Но не забывайте пока Win не загружен то управлять не сможете.

    Если кому что нужно добавить в прогу обращайтесь подправим.

  7. #7
    Гитарист Аватар для Botyfalf
    Регистрация
    11.03.2008
    Возраст
    45
    Сообщений
    212
    Вес репутации
    270

    По умолчанию Re: Контроль АКБ по LPT

    Цитата Сообщение от Chip
    Если кому что нужно добавить в прогу обращайтесь подправим.
    Класс, спасибо)) Попробую. В общем, имхо, интересная тема получается.
    Я всегда (с начала заболевания компостоительством в машине ) думал о том, что хорошо б отслеживать состояние бортсети и устройств на экране монитора.

  8. #8
    Администратор Аватар для Chip
    Регистрация
    08.06.2007
    Возраст
    56
    Сообщений
    13,381
    Вес репутации
    10

    По умолчанию Re: Контроль АКБ по LPT

    Ну так напиши что нужно контролировать, я сделаю и выложу

  9. #9
    Гитарист Аватар для Botyfalf
    Регистрация
    11.03.2008
    Возраст
    45
    Сообщений
    212
    Вес репутации
    270

    По умолчанию Re: Контроль АКБ по LPT

    Цитата Сообщение от Chip
    Ну так напиши что нужно контролировать, я сделаю и выложу
    В общем, хотелось чтоб при просадке АКБ (определяем через 1 схему) - предупреждение со звуком вылезало и через минуту, допустим, комп вырубался. Возможно запускал какое-нибудь (на выбор) внешнее приложение, как это сделано в программах управления UPS-ами. В идеале, конечно неплохо было б и напряжение АКБ видеть и температуру внутри компа (это уже я загнул и надо думать с чего начать рыть в этом направлении), но это я думаю многие могут снять через K-L адаптер и OBD-2.

  10. #10
    Администратор Аватар для Chip
    Регистрация
    08.06.2007
    Возраст
    56
    Сообщений
    13,381
    Вес репутации
    10

    По умолчанию Re: Контроль АКБ по LPT

    Предупреждение сделаем, звук уже есть , ты не тестил?
    Приложение тоже можно будет прописывать на событие.
    А вот с температурой и отражением напряжения придется вешать микросхемы типа DS и снимать с них данные думаю не стоит. Или АЦП вешать . Лучше обрабатывать статические данные. Повороты можно голосом озвучить или еще что нибудь .

Страница 1 из 2 12 ПоследняяПоследняя

Информация о теме

Пользователи, просматривающие эту тему

Эту тему просматривают: 1 (пользователей: 0 , гостей: 1)

Ваши права

  • Вы не можете создавать новые темы
  • Вы не можете отвечать в темах
  • Вы не можете прикреплять вложения
  • Вы не можете редактировать свои сообщения
  •