Показано с 91 по 100 из 200

Древовидный режим

Предыдущее сообщение Предыдущее сообщение   Следующее сообщение Следующее сообщение
  1. #1
    Администратор Аватар для Chip
    Регистрация
    08.06.2007
    Возраст
    56
    Сообщений
    13,381
    Вес репутации
    10

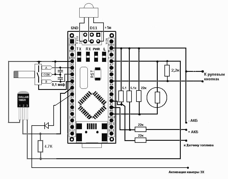
    По умолчанию Объединенный проект для Arduino, All-In-One.

    Объединил в один скетч для arduino: ИК-Пульт, Управление рулевыми кнопками, Энкодер, Авто регулировка яркости, Активатор камеры ЗХ, Задержка включения камеры ЗХ , измерение напряжения, измерение уровня топлива.
    Не нужные функции можно закоментировать в главном цикле loop
    Улучшеный скетч от echo

    Внимание

    Программа работает на прямую с драйвером USB-Моста FT232
    аналоги arduino с другими преобразователями com to usb работать не будут



    PHP код:
    //http://compcar.ru  
    #include <IRremote.h> 
    byte bytes[13];    // 0-3 байт   энкодер, рулевые кнопки, ИК приемник, веб камера 
                      //   4 байт   датчик света
                      //   5 байт   датчик напряжения
                      //   6 байт   датчик топлива
                      //   7-12 зарезервированы                  
     
    int LIGHT_SENS ;   // Вход датчика освещености
    int VOLT_SENS ;    // Вход датчика напряжения
    int FUEL_SENS ;    // Вход датчика уровня топлива
    int JOYSTIK_PIN ;  // Вход для рулевых Кнопок
    int NC2_SENS ;    // Вход датчика
    int NC1_SENS ;    // Вход датчика 
    int NC3_SENS ;    // Вход датчика
    int NC4_SENS ;    // Вход датчика
     
     
    int RECV_PIN 11;     //вход ИК приемника 
    int back_cam 6//Вход активации камера заднего вида
    int temperature 5//Вход датчика температуры
    int encoder0PinA //Вывод А энкодера
    int encoder0PinB //Вывод В энкодера
    int encoder_botton 4//Вход кнопки энкодера
     
    unsigned long res_dtir_dtold_irtime;
    byte tempcam_status;
    IRrecv irrecv(RECV_PIN); 
    decode_results results;
     
    //******************************************
    void setup()     

      
    pinMode(encoder0PinAINPUT); 
      
    digitalWrite(encoder0PinAHIGH);     // подключить подтягивающий резистор
      
    pinMode(encoder0PinBINPUT); 
      
    digitalWrite(encoder0PinBHIGH);    // подключить подтягивающий резистор
      
    pinMode(encoder_bottonINPUT); 
      
    digitalWrite(encoder_bottonHIGH);    // подключить подтягивающий резистор
       
    pinMode(back_camINPUT); 
      
    digitalWrite(back_camHIGH);    // подключить подтягивающий резистор
     
      
    attachInterrupt(0doEncoderAFALLING);  // настроить прерывание interrupt 0 на pin 2
      
    attachInterrupt(1doEncoderBFALLING);  // настроить прерывание interrupt 0 на pin 3  
    Serial.begin(115200); // настроить скорость com порт   
    irrecv.enableIRIn(); // включить приемник 
    }  
    //******************************************
    void loop()  
    {  
    IR_resiver();
    joystik();
    cam();
      if ((
    millis()-time)>1000 && results.value ==0//запуск процедур по таймеру
       
    {    
         
    time millis();
          
    autolight();
          
    fuel();
          
    voltmetr();
       } 
    }
    //*******************ИК приемник***********************
    void IR_resiver()

       if ((
    millis()-time)>1000 
       {   
         
    time millis();  
         
    results.value=0;
       }
     
      if (
    irrecv.decode(&results))  
      { 
        if (
    results.value && results.value 0xFFFFFFFF
        { 
          
    ir_dt results.value
          
    bytes[0] = ir_dt 0xFF;          // преобразовать в 4-байта  
          
    bytes[1] = (ir_dt 0xFF00) >> 8;  
          
    bytes[2] = (ir_dt 0xFF0000) >> 16
          
    bytes[3] = (ir_dt 0xFF000000) >> 24
          
    Serial.writebytes,13); // отправить прочитаное значение компьютеру 
     
          
    if (old_ir == ir_dt){delay(300);} // Пауза после нажатия и удержания(перед повторами)
          
    else {delay(500);}
          
    old_ir ir_dt;
        } 
               if (
    results.value == 0xFFFFFFFF )
                {
                 
    delay(130); //пауза между повторами
                 
    Serial.writebytes,13);
                } 
           
    irrecv.resume(); 
      } 
    }
    //****************резистивные кнопки**************************
    void joystik()
    {  
      
    res_dt analogRead(JOYSTIK_PIN); // прочитать данные АЦП 
      
    if( res_dt 1023 && results.value == 0)
      {
        
    delay(50); // пауза для проверки дребезга
        
    if(res_dt == analogRead(JOYSTIK_PIN))   //если нет дребезга
          
    {
            
    bytes[0] = res_dt 255;          // преобразовать в 2-байта 
            
    bytes[1] = (res_dt 768) >> 8
            
    bytes[2] = 0;
            
    bytes[3] = 0;
            
    Serial.writebytes,13); // отправить прочитаное значение компьютеру     
            
    delay(250); // Пауза между нажатиями
          
    }  
      }    

    //******************Датчик освещения************************
    void autolight()
    {
    byte light;  
    byte sens analogRead(LIGHT_SENS)/4;  
     
    if ((
    sens 0) && (sens<30)) {light 2;}   
    if ((
    sens 30) && (sens<60)) {light 60;}   
    if ((
    sens 60) && (sens<90)) {light 90;} 
    if ((
    sens 90) && (sens<120)) {light 120;} 
    if ((
    sens 120) && (sens<150)) {light 150;}   
    if ((
    sens 150) && (sens<190)) {light 190;}   
    if (
    sens 190)  {light 255;}   

       if(
    light != bytes[4]) // если были изменения
         

          
    clear_buf();   
          
    bytes[4] = light;
          
    Serial.writebytes,13);
         }      

    //*******************Измерение Напряжения***********************
    void voltmetr()
    {
        
    temp analogRead(VOLT_SENS)/4;
          if(
    temp !=  bytes[5])
          {
            
    clear_buf();
            
    bytes[5]=temp
             
    Serial.writebytes,13);
          }
    }
    //*******************Датчик топлива***********************
    void fuel()
    {
          
    temp analogRead(FUEL_SENS)/4;
          if(
    temp !=  bytes[6])
          {
            
    clear_buf();
            
    bytes[6]=temp;
             
    Serial.writebytes,13);
          }
    }
    //*******************Активация веб камеры по сигналу ЗХ***********************
    void cam()
    {
      
    temp=digitalRead(back_cam);
       if(
    temp==HIGH && cam_status==0)
       {
            
    clear_buf();
            
    cam_status=255;
            
    bytes[1]=8;
            
    Serial.writebytes,13); 
       } 
           if(
    temp==LOW && cam_status==255)
             {
              
    clear_buf();
              
    cam_status=0
              
    bytes[1]= 9;
              
    Serial.writebytes,13);
             }
    }
    //*******************Активация веб камеры по сигналу ЗХ***********************
    void clear_buf()
    {
          
    bytes[0] = 0;
          
    bytes[1] = 0;
          
    bytes[2] = 0
          
    bytes[3] = 0;
    }
    //*******************обработка прерывания***********************
    void doEncoderA()
    {
    cli();
      if(
    digitalRead(encoder0PinB)==HIGH){bytes[1]=24;}else{bytes[1]=15;} 
          
    bytes[0] = 0;
          
    bytes[2] = 0
          
    bytes[3] = 0;
      
    Serial.writebytes,13);
    sei(); 
    }  
    //*******************обработка прерывания***********************
    void doEncoderB()
    {
    cli();
        if(
    digitalRead(encoder0PinA)==HIGH){bytes[1]=15;}else{bytes[1]=24;}
          
    bytes[0] = 0;
          
    bytes[2] = 0
          
    bytes[3] = 0;
        
    Serial.writebytes,13);
    sei();    

    Схема
    Нажмите на изображение для увеличения. 

Название:	схема (1).png 
Просмотров:	5042 
Размер:	23.0 Кб 
ID:	11285
    Вложения Вложения
    Последний раз редактировалось Chip; 20.03.2017 в 00:51.

Информация о теме

Пользователи, просматривающие эту тему

Эту тему просматривают: 1 (пользователей: 0 , гостей: 1)

Ваши права

  • Вы не можете создавать новые темы
  • Вы не можете отвечать в темах
  • Вы не можете прикреплять вложения
  • Вы не можете редактировать свои сообщения
  •