Типа так?
 Re: Панель приборов.
 Re: Панель приборов.
				Можно и так, все зависит от того какой будет сигнал и т.д.
Если прерывания будут c логическими уровнями TTL, то можно подключить по моей схеме.
 Re: Панель приборов.
 Re: Панель приборов.
				Chip, у тебя нет никаких наработок, как увеличить кол-во входов для ардуины? с шифратором там и мультиплексором..
 Re: Панель приборов.
 Re: Панель приборов.
				Последний раз редактировалось Chip; 30.03.2010 в 13:06.
 Re: Панель приборов.
 Re: Панель приборов.
				а наоборот будет работать? выходы так же можно расширить?
5 выходов -> 16 выходов.
 Re: Панель приборов.
 Re: Панель приборов.
				Выходы можно еще проще сделать.
И без ограничений хоть миллион , используется всего 3 вывода Ардуины

 Re: Панель приборов.
 Re: Панель приборов.
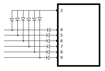
				О! Отлично. Но непонятно.
1) Исполнительные элементы это цветодиоды?
2) Что за микрухи на схеме?
3) Номинал резисторов?
4) Как активировать выходы? Как то шифровать надо?
 Re: Панель приборов.
 Re: Панель приборов.
				Вроде подразобрался.
Тока незнаю, купил 2 сдвиговых реистра HCF4094BE. Незнаю подойдут или нет.
Последний раз редактировалось Except; 31.03.2010 в 08:57.
 Re: Панель приборов.
 Re: Панель приборов.
				Тоже пойдет
Вот здесь обсуждали 74hc595
Последний раз редактировалось Chip; 31.03.2010 в 10:54.
 Re: Панель приборов.
 Re: Панель приборов.
				жуть. у нас нет в магазинах К155КП1. С помощью К155КП7 я же могу из 3х входов сделать 8?
Эту тему просматривают: 3 (пользователей: 0 , гостей: 3)