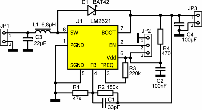
Вот рабочий пример, собирал по этой схеме, решение не является
самым дешовым так что критика насчет стоимости не принемается.
из недостатков, мне кажется что при низком входном напряжении
может запросто завернуть ласты. Проверять не стал, но показалось
что при входном напряжении в 1v она сильно греется. если кто имел
дело с этой микросхемой, с удовольствием выслушаю ваши
размышления по этому поводу.




Ответить с цитированием