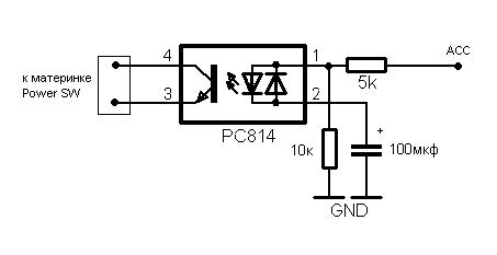
Ну схема-схеме розньЕсть схемы с использованием PIC-ов каких-нибудь, которые еще и программировать надо, и программатор под них где-то брать, а есть схемы как эта например:
![]()
такую я и сам спаяю без проблемЗа ссылку спасибо, тему читал, но бегло, еще раз внимательно изучу. Кнопка уже есть, но хочется автоматом, а задержка на включение E10000 не устраивает, хочу 0 секунд
![]()




Есть схемы с использованием PIC-ов каких-нибудь, которые еще и программировать надо, и программатор под них где-то брать, а есть схемы как эта например:
Ответить с цитированием