Страница 4 из 10 ПерваяПервая 12345678910 ПоследняяПоследняя
Показано с 31 по 40 из 92

Тема: manu_245 CarPC

Комбинированный просмотр

Предыдущее сообщение Предыдущее сообщение   Следующее сообщение Следующее сообщение
  1. #1
    Ломастер Аватар для basurman971
    Регистрация
    13.02.2011
    Возраст
    54
    Сообщений
    396
    Вес репутации
    335

    По умолчанию Re: manu_245 CarPC

    Они просто были в наличии так сказать. Болезнь из за банального перегрева.

  2. #2
    Продвинутый
    Регистрация
    15.12.2008
    Возраст
    39
    Сообщений
    229
    Вес репутации
    411

    По умолчанию Re: manu_245 CarPC

    Я рад, что на той калине все работает. С другой стороны, BTS5242 у меня тоже года полтора работает и пока все в порядке, но уверенности, что завтра не сгорит у меня нет. Насчет перегрева я абсолютно согласен, вопрос почему он возникает, и почему тогда не выгорает при первом же включении?
    Сопротивление открытого канала VND830SP 60мОм против 25мОм у BTS5242, то есть при прочих равных падение напряжения на нем больше и мощность рассеивается больше, то есть греться он должен сильнее. Потом, при перегреве и тот и другой должны уходить в защиту, что и происходит, допустим, при КЗ. А на практике получается, что в зависимости от фазы луны почему-то вдруг защита не срабатывает. Я и предполагаю, что дело в незащищенной части, то есть причина в обратном токе и т.п.

  3. #3
    Ломастер Аватар для basurman971
    Регистрация
    13.02.2011
    Возраст
    54
    Сообщений
    396
    Вес репутации
    335

    По умолчанию Re: manu_245 CarPC

    я выпаивал с ауди, эти ключи если не изменяет память стоят на туманках и еще чего то. там они не сгорают вообще, так что, что там написал инфинеон на свои ключи это еще бабушка надвое сказала. VND все иносранцы пользуют, а наши что???

  4. #4
    Продвинутый
    Регистрация
    15.12.2008
    Возраст
    39
    Сообщений
    229
    Вес репутации
    411

    По умолчанию Re: manu_245 CarPC

    Так я ж не спорю, что vnd работает лучше и дольше. Я понять хочу, в чем причина. Пока существенных различий вижу два: рассеиваемая мощность корпуса VND в 6 с лишним раз больше, фронт открытия минимум в 3 раза быстрее. Это действительно много. Теперь что-то становится понятным. А нет информации насчет наличия в ауди защитных диодов по выходам?

  5. #5
    Ломастер Аватар для basurman971
    Регистрация
    13.02.2011
    Возраст
    54
    Сообщений
    396
    Вес репутации
    335

    По умолчанию Re: manu_245 CarPC

    Если не горит, то ближе к выходным поисчу платку и гляну. Но если по памяти, то на выхлопе нет диодов.

  6. #6
    Продвинутый
    Регистрация
    15.12.2008
    Возраст
    39
    Сообщений
    229
    Вес репутации
    411

    По умолчанию Re: manu_245 CarPC

    basurman971, спасибо. спешки особой нет.

    Я, кажется, все понял. bts5242 пытается ограничить ток повышая свое сопротивление, греется, выключается, потом снова греется. А предложенный vdn долбит импульсами. Время включения/выключения с высоким сопротивлением у него ощутимо меньше. Вообще по апноуту инфиона bts5242 весь борт поворотников (47 Вт) и не должен тянуть, что интересно))
    Есть у меня идея сделать переходную плату и использовать что-нибудь типа VND5012. Сопротивление канала в 2 раза меньше, максимальный заявленный ток в 1,5 раза больше. Есть и более интересные варианты, но в продаже их не видно.

  7. #7
    Ломастер Аватар для basurman971
    Регистрация
    13.02.2011
    Возраст
    54
    Сообщений
    396
    Вес репутации
    335

    По умолчанию Re: manu_245 CarPC

    Если у меня еще остались 830, могу прислать если надо. Всяко быстрей чем с чины.

  8. #8
    Продвинутый
    Регистрация
    15.12.2008
    Возраст
    39
    Сообщений
    229
    Вес репутации
    411

    По умолчанию Re: manu_245 CarPC

    basurman971, спасибо. Нашел VND5012 в наличие в Москве.

    Более или менее дописал основные функции оболочки.
    Выкладываю для общества. В архиве файлы самой программы и готовая сборка фубара.
    Конструктивная критика и сообщения об отловленных ошибках приветствуются.

    Перед первым запуском НЕОБХОДИМА настройка путей. Обязательно прочитать файл README.TXT !!!!
    Несколько слов о работе софта (комментарии на картинках)
    Основной экран в комментариях не нуждается. Тупо выбор приложений и управление фубаром.
    Нажмите на изображение для увеличения. 

Название:	main.png 
Просмотров:	2692 
Размер:	331.5 Кб 
ID:	18777
    Экран фубара:
    Нажмите на изображение для увеличения. 

Название:	foobar.png 
Просмотров:	2639 
Размер:	225.8 Кб 
ID:	18774
    Экран библиотеки:
    Нажмите на изображение для увеличения. 

Название:	library1.png 
Просмотров:	2613 
Размер:	88.9 Кб 
ID:	18775

  9. #9
    Продвинутый
    Регистрация
    15.12.2008
    Возраст
    39
    Сообщений
    229
    Вес репутации
    411

    По умолчанию Re: manu_245 CarPC

    Приехал ЦАП. Кит на WM8805+WM8741. Пока только собрал, проверил работоспособность. Нет нормального блока питания, поэтому по качеству звука пока ничего сказать не могу. В дальнейшем предстоят эксперименты с выходными ОУ. Пока поставил OPA2134.
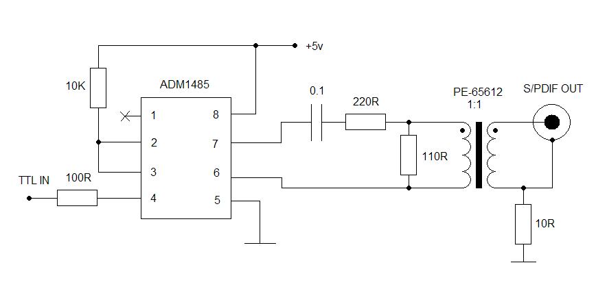
    Теперь дело за выходом цифры с компа.
    Пока (с учетом доступности компонентов) остановился на следующих вариантах:
    http://forum.vegalab.ru/attachment.p...1&d=1354033234
    http://forum.vegalab.ru/attachment.p...5&d=1286026348

  10. #10
    Ломастер Аватар для basurman971
    Регистрация
    13.02.2011
    Возраст
    54
    Сообщений
    396
    Вес репутации
    335

    По умолчанию Re: manu_245 CarPC

    А почему цифрой? Аналог не нравится или морока с питанием?

Страница 4 из 10 ПерваяПервая 12345678910 ПоследняяПоследняя

Информация о теме

Пользователи, просматривающие эту тему

Эту тему просматривают: 1 (пользователей: 0 , гостей: 1)

Ваши права

  • Вы не можете создавать новые темы
  • Вы не можете отвечать в темах
  • Вы не можете прикреплять вложения
  • Вы не можете редактировать свои сообщения
  •