Страница 4 из 25 ПерваяПервая 1234567891014 ... ПоследняяПоследняя
Показано с 31 по 40 из 249

Тема: Т2000

  1. #31
    Местный Аватар для Самоделкин
    Регистрация
    11.02.2008
    Возраст
    61
    Сообщений
    186
    Вес репутации
    281

    По умолчанию Re: Т2000

    Желтые колечки использовать в данной схемотехнике нельзя, а вот то, из М2000 вполне возможно, только габариты увеличатся

  2. #32
    Пользователь
    Регистрация
    21.08.2008
    Возраст
    42
    Сообщений
    91
    Вес репутации
    233

    По умолчанию Re: Т2000

    А почему VR1 запитана через транс, а не напрямую от 12 вольт?

  3. #33
    Местный Аватар для Самоделкин
    Регистрация
    11.02.2008
    Возраст
    61
    Сообщений
    186
    Вес репутации
    281

    По умолчанию Re: Т2000

    Через транс получается своеобразная «вольт добавка» т.е, если блок запустился то никакие просадки напряжения ему нестрашны

  4. #34
    Пользователь
    Регистрация
    21.08.2008
    Возраст
    42
    Сообщений
    91
    Вес репутации
    233

    По умолчанию Re: Т2000

    Как то так.
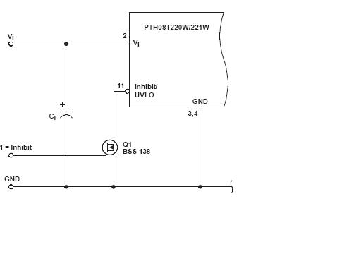
    Здесь схема на ДС-ДС преобразователях. Посмотрите, всё ли правильно???
    И вопрос такой:
    У вас на ноги shutdown sg3525 сигнал приходит напрямую с контроллера. На ней же подтяжка к 1. Логика инверсная (если 1, значит выключено). Но как контроллер, без внешних схем может замыкать к земле???
    Можно ли мне тогда напрямую подключить контроллер ко входу inhibit?
    Используя его внутреннюю подтяжку?
    Миниатюры Миниатюры Нажмите на изображение для увеличения. 

Название:	timing diagram.JPG 
Просмотров:	624 
Размер:	15.9 Кб 
ID:	1944   Нажмите на изображение для увеличения. 

Название:	Ingibit.JPG 
Просмотров:	651 
Размер:	10.9 Кб 
ID:	1945  
    Вложения Вложения

  5. #35
    Пользователь
    Регистрация
    21.08.2008
    Возраст
    42
    Сообщений
    91
    Вес репутации
    233

    По умолчанию Re: Т2000

    Окончательная схема. Теперь буду делать печатку)
    Вложения Вложения

  6. #36
    Администратор Аватар для Chip
    Регистрация
    08.06.2007
    Возраст
    56
    Сообщений
    13,381
    Вес репутации
    10

    По умолчанию Re: Т2000

    Что то у меня с прогой или с виндой, при открытии схемы, sPlan-6.0 вылетат с ошибкой.

  7. #37
    Продвинутый Аватар для xDriver
    Регистрация
    26.03.2008
    Сообщений
    268
    Вес репутации
    316

    По умолчанию Re: Т2000

    У меня тоже самое
    Кстати в архивах от Самоделкина файлы spl тоже не смог открыть.
    ECS H67H2-I Intel® Core™ i3-2130, RAM 4гб, SSD 160 гб, моник XD, БП M4-ATX, BU-353, Yota, SkyLink, WiFi и т.д.

  8. #38
    Местный Аватар для Самоделкин
    Регистрация
    11.02.2008
    Возраст
    61
    Сообщений
    186
    Вес репутации
    281

    По умолчанию Re: Т2000

    Цитата Сообщение от sij7
    Окончательная схема. Теперь буду делать печатку)
    а можно вопросик, на чем планируеш управление своей схемки сделать?
    xDriver, странно, у меня все нормально открывается, если надо могу продублировать

  9. #39
    Пользователь
    Регистрация
    21.08.2008
    Возраст
    42
    Сообщений
    91
    Вес репутации
    233

    По умолчанию Re: Т2000

    Управление полностью твоё. Блок по сути весь твой.
    Я просто заменил каналы 3.3В и 5 В на преобразователи.

  10. #40
    Пользователь
    Регистрация
    21.08.2008
    Возраст
    42
    Сообщений
    91
    Вес репутации
    233

    По умолчанию Re: Т2000

    Управление полностью твоё. Я просто линии 3.3 и 5В заменил на преобразователи.

Страница 4 из 25 ПерваяПервая 1234567891014 ... ПоследняяПоследняя

Информация о теме

Пользователи, просматривающие эту тему

Эту тему просматривают: 1 (пользователей: 0 , гостей: 1)

Ваши права

  • Вы не можете создавать новые темы
  • Вы не можете отвечать в темах
  • Вы не можете прикреплять вложения
  • Вы не можете редактировать свои сообщения
  •