Страница 4 из 9 ПерваяПервая 123456789 ПоследняяПоследняя
Показано с 31 по 40 из 88
  1. #31
    Гуру
    Регистрация
    08.01.2008
    Сообщений
    703
    Вес репутации
    375

    По умолчанию Re: Кнопка с электронной фиксацией.

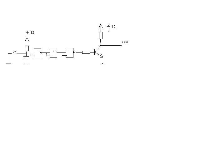
    Вот без фиксации
    Изображения Изображения
    • Тип файла: jpg кн.JPG (10.4 Кб, Просмотров: 1751)
    Последний раз редактировалось джи-дай; 18.11.2008 в 15:35.

  2. #32
    Администратор Аватар для Chip
    Регистрация
    08.06.2007
    Возраст
    56
    Сообщений
    13,381
    Вес репутации
    10

    По умолчанию Re: Кнопка с электронной фиксацией.

    Зачем так усложнять ? Можно кнопку сразу на базу транзистора повесить

  3. #33
    Гуру
    Регистрация
    08.01.2008
    Сообщений
    703
    Вес репутации
    375

    По умолчанию Re: Кнопка с электронной фиксацией.

    Да можно,это для улучшеия фронта, чтоб транзистор в ключевом режиме работал.

  4. #34
    Продвинутый
    Регистрация
    31.08.2007
    Сообщений
    398
    Вес репутации
    335

    По умолчанию Re: Кнопка с электронной фиксацией.

    спасибо, мне надо с фиксацией, для тока ... ну ампер не больше 20

  5. #35
    Гуру
    Регистрация
    08.01.2008
    Сообщений
    703
    Вес репутации
    375

    По умолчанию Re: Кнопка с электронной фиксацией.

    20А через транзистор????? это очень много. Даже в ключевом режиме на нём будет 20вт рассеиваться (падение напруги на PN-переходе)...Тебе с реле нужно, чтоб его контакты держали мин 30А...Ща...ещё придётся повыёгиваться.

  6. #36
    Продвинутый
    Регистрация
    31.08.2007
    Сообщений
    398
    Вес репутации
    335

    По умолчанию Re: Кнопка с электронной фиксацией.

    понел

  7. #37
    Гуру
    Регистрация
    08.01.2008
    Сообщений
    703
    Вес репутации
    375

    По умолчанию Re: Кнопка с электронной фиксацией.

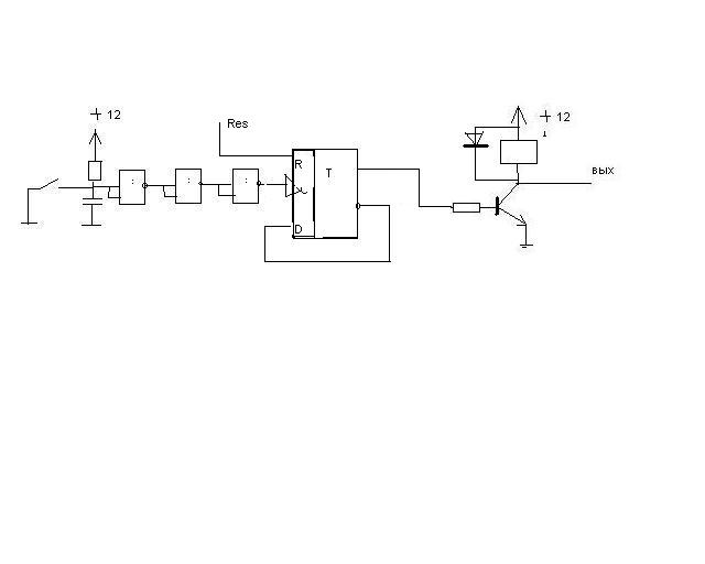
    Вот с фиксацией. Добавлен счётный тригер. Первое нажатие-вкл, второе-выкл.
    Изображения Изображения
    • Тип файла: jpg кн-1.JPG (13.7 Кб, Просмотров: 1743)
    Последний раз редактировалось джи-дай; 18.11.2008 в 16:44.

  8. #38
    Гуру
    Регистрация
    08.01.2008
    Сообщений
    703
    Вес репутации
    375

    По умолчанию Re: Кнопка с электронной фиксацией.

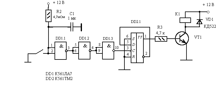
    Вот, нашёл в тырнете
    Изображения Изображения
    • Тип файла: gif кн-2.GIF (5.5 Кб, Просмотров: 2414)

  9. #39
    Новичок
    Регистрация
    05.09.2008
    Возраст
    67
    Сообщений
    4
    Вес репутации
    0

    По умолчанию Re: Кнопка с электронной фиксацией.

    Только у триггера не определенное состояние при подачи питания :-(
    и реле будет либо включено, либо выключено.

    ЗЫ. Есть схема кнопки на 4-х реле. Архипросто. Архинадежно. Надо?

    Последний раз редактировалось Михаил-Andover; 18.11.2008 в 19:39.

  10. #40
    Гуру
    Регистрация
    08.01.2008
    Сообщений
    703
    Вес репутации
    375

    По умолчанию Re: Кнопка с электронной фиксацией.

    Ну, каждому своё....В мой схеме на Res надо RC-цепь повесть, чтобы при вкл питания в положении выкл было..

Страница 4 из 9 ПерваяПервая 123456789 ПоследняяПоследняя

Информация о теме

Пользователи, просматривающие эту тему

Эту тему просматривают: 2 (пользователей: 0 , гостей: 2)

Ваши права

  • Вы не можете создавать новые темы
  • Вы не можете отвечать в темах
  • Вы не можете прикреплять вложения
  • Вы не можете редактировать свои сообщения
  •