Страница 49 из 118 ПерваяПервая ... 39434445464748495051525354555999 ... ПоследняяПоследняя
Показано с 481 по 490 из 1174
  1. #481
    Разработчик VENATOR Аватар для Frud
    Регистрация
    14.01.2012
    Возраст
    44
    Сообщений
    405
    Вес репутации
    348

    По умолчанию Re: Панель приборов.

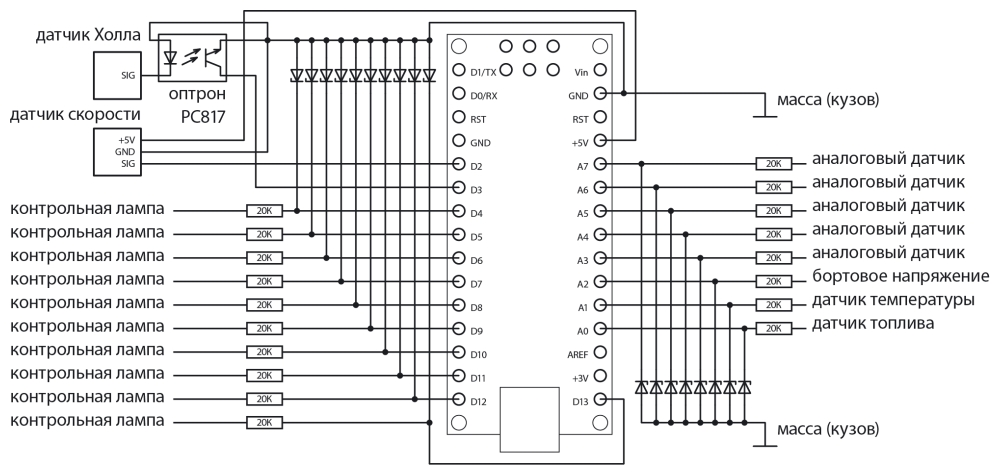
    Ув. Чип прокомментируйте эту схему. Насколько она работоспособна? Уже хочется программу испытать на машине, а не на столе.
    Миниатюры Миниатюры Нажмите на изображение для увеличения. 

Название:	Venator cхема.jpg 
Просмотров:	21650 
Размер:	167.8 Кб 
ID:	14238  
    Последний раз редактировалось Frud; 05.04.2012 в 17:14.

  2. #482
    Администратор Аватар для Chip
    Регистрация
    08.06.2007
    Возраст
    56
    Сообщений
    13,381
    Вес репутации
    10

    По умолчанию Re: Панель приборов.

    Работоспособна

  3. #483
    Разработчик VENATOR Аватар для Frud
    Регистрация
    14.01.2012
    Возраст
    44
    Сообщений
    405
    Вес репутации
    348

    По умолчанию Re: Панель приборов.

    Спасибо! В субботу буду закупаться радиодеталями

  4. #484
    Пользователь
    Регистрация
    04.04.2012
    Сообщений
    22
    Вес репутации
    0

    По умолчанию Re: Панель приборов.

    Цитата Сообщение от reanon Посмотреть сообщение
    я пробовал venator1_2.swf
    и не пойму , ты говорил запускать можно в adobe air. В таблетке он установлен, но как ним открывать не догоняю
    Ребят может скинете файл, поглазеть уж больно охота на флеш
    Последний раз редактировалось elik745i; 05.04.2012 в 19:30.

  5. #485
    Пользователь
    Регистрация
    04.04.2012
    Сообщений
    22
    Вес репутации
    0

    По умолчанию Re: Панель приборов.

    Цитата Сообщение от Chip Посмотреть сообщение
    Если внимательно почитаешь хотя бы последних 30 сообщений то получишь ответ на свои вопросы
    Читал все внимательно, ответа нет.
    Возможно, чтобы заработало на Андроиде, возможно запустить через ОБД?

  6. #486
    Разработчик VENATOR Аватар для Frud
    Регистрация
    14.01.2012
    Возраст
    44
    Сообщений
    405
    Вес репутации
    348

    По умолчанию Re: Панель приборов.

    Теоритечески можно и на Андроиде, но так как у меня андроида нет, то проверить не могу. Через ОБД может и можно, но я не знаком с этой системой.

  7. #487
    Гуру Аватар для reanon
    Регистрация
    02.03.2009
    Возраст
    46
    Сообщений
    927
    Вес репутации
    707

    По умолчанию Re: Панель приборов.

    Цитата Сообщение от elik745i Посмотреть сообщение
    Читал все внимательно, ответа нет.
    Возможно, чтобы заработало на Андроиде, возможно запустить через ОБД?
    для обд масса софта и одаптеров, а это цепляется к датчикам и откликаться на показание датчиков будет куда шустрее чем обд.
    у меня стоит VOBD подключенный к обд http://www.compcar.ru/forum/showpost...&postcount=355

  8. #488
    Пользователь
    Регистрация
    04.04.2012
    Сообщений
    22
    Вес репутации
    0

    По умолчанию Re: Панель приборов.

    Цитата Сообщение от reanon Посмотреть сообщение
    для обд масса софта и одаптеров, а это цепляется к датчикам и откликаться на показание датчиков будет куда шустрее чем обд.
    у меня стоит VOBD подключенный к обд http://www.compcar.ru/forum/showpost...&postcount=355
    Нее, ета балда и у мну есть, TORQUE называется, тормоза с ней страшные, плохая замена штатного щитка...

  9. #489
    Гуру Аватар для reanon
    Регистрация
    02.03.2009
    Возраст
    46
    Сообщений
    927
    Вес репутации
    707

    По умолчанию Re: Панель приборов.

    Цитата Сообщение от elik745i Посмотреть сообщение
    Нее, ета балда и у мну есть, TORQUE называется, тормоза с ней страшные, плохая замена штатного щитка...
    Ну ты что на путал!!!
    Эта фигня разрабатывалась исключительно для ниссанов, а по просьбе переделали под iso 9141.
    Воспользуйся поиском и все сам увидишь и работает она куда быстрее чем любой ОБД адаптер и куда больше параметров читает !!!!
    И кстати твою машину прочитает лучше чем официалы, они с третего раза спустя год только подключились к моей машине, а ребята прошивку сворганили мне за месец.
    Последний раз редактировалось reanon; 06.04.2012 в 03:15.

  10. #490
    Пользователь
    Регистрация
    04.04.2012
    Сообщений
    22
    Вес репутации
    0

    По умолчанию Re: Панель приборов.

    Цитата Сообщение от reanon Посмотреть сообщение
    Ну ты что на путал!!!
    Эта фигня разрабатывалась исключительно для ниссанов, а по просьбе переделали под iso 9141.
    Воспользуйся поиском и все сам увидишь и работает она куда быстрее чем любой ОБД адаптер и куда больше параметров читает !!!!
    И кстати твою машину прочитает лучше чем официалы, они с третего раза спустя год только подключились к моей машине, а ребята прошивку сворганили мне за месец.
    Какже она подключается, если не через ОБД? По видеоролику видно, что тормозит, на газ жмеш, а балда только через секунду откликается и показывать начинает... Я об этом. Да и не дело ждать пока таблетка проснется и прога откроется, там нужен другой подход, не использовать ОС, а напрямую писать софт для железа.

Страница 49 из 118 ПерваяПервая ... 39434445464748495051525354555999 ... ПоследняяПоследняя

Информация о теме

Пользователи, просматривающие эту тему

Эту тему просматривают: 12 (пользователей: 0 , гостей: 12)

Ваши права

  • Вы не можете создавать новые темы
  • Вы не можете отвечать в темах
  • Вы не можете прикреплять вложения
  • Вы не можете редактировать свои сообщения
  •