Показано с 41 по 50 из 88

Древовидный режим

Предыдущее сообщение Предыдущее сообщение   Следующее сообщение Следующее сообщение
  1. #1
    Администратор Аватар для Chip
    Регистрация
    08.06.2007
    Возраст
    56
    Сообщений
    13,381
    Вес репутации
    10

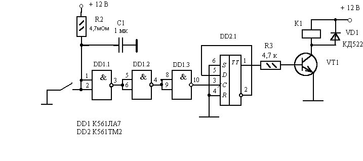
    По умолчанию Кнопка с электронной фиксацией.

    Принцип кнопки простой, думаю что разьяснения не требуются. Запитать можно от +6в до +12в
    Изображения Изображения
    • Тип файла: png botton.png (747 байт, Просмотров: 1868)

Информация о теме

Пользователи, просматривающие эту тему

Эту тему просматривают: 1 (пользователей: 0 , гостей: 1)

Ваши права

  • Вы не можете создавать новые темы
  • Вы не можете отвечать в темах
  • Вы не можете прикреплять вложения
  • Вы не можете редактировать свои сообщения
  •