Страница 6 из 9 ПерваяПервая 123456789 ПоследняяПоследняя
Показано с 51 по 60 из 88

Комбинированный просмотр

Предыдущее сообщение Предыдущее сообщение   Следующее сообщение Следующее сообщение
  1. #1
    Гуру
    Регистрация
    08.01.2008
    Сообщений
    703
    Вес репутации
    368

    По умолчанию Re: Кнопка с электронной фиксацией.

    Ну не всегда....
    ЗЫСпорить не будем.

  2. #2
    Гуру
    Регистрация
    08.01.2008
    Сообщений
    703
    Вес репутации
    368

    По умолчанию Re: Кнопка с электронной фиксацией.

    Все зависит от того, что коммутировать ...какие токи, а v1 в зависимости от тока срабатавания реле. Сообщи, я помогу.

  3. #3
    Продвинутый Аватар для Z@GR
    Регистрация
    02.10.2008
    Сообщений
    325
    Вес репутации
    277

    По умолчанию Re: Кнопка с электронной фиксацией.

    Цитата Сообщение от джи-дай
    Все зависит от того, что коммутировать ...какие токи, а v1 в зависимости от тока срабатавания реле. Сообщи, я помогу.
    я планирую сделать такую кнопку для включения\выключения компа, думаю там маленькие всё-таки токи будут, тоесть через эту кнопку планирую пропускать АСС на БП М2.

    Алгоритм, который нужен мне должен быть такой:

    для ВКЛЮчения нажимаем кнопку и держим её 3-4 секунды - АСС замыкается через схему на БП - комп запускается

    для ВЫКЛЮчения нажимаем кнопку 1 раз - всё размыкается - комп выключается
    Последний раз редактировалось Z@GR; 21.11.2008 в 23:00.

  4. #4
    Гуру
    Регистрация
    08.01.2008
    Сообщений
    703
    Вес репутации
    368

    По умолчанию Re: Кнопка с электронной фиксацией.

    Держать не надо...Всё автоматом вкл и автоматом выкл (на время задержки).
    Тогда реле и транзисторный ключ не нужны.Выходной ток у МС 12мА.Если нобходима развязка по питанию, то любой маломощный n-p-n транзистор с током коллектора до 100мА .
    Последний раз редактировалось джи-дай; 21.11.2008 в 23:05.

  5. #5
    Продвинутый Аватар для Z@GR
    Регистрация
    02.10.2008
    Сообщений
    325
    Вес репутации
    277

    По умолчанию Re: Кнопка с электронной фиксацией.

    Цитата Сообщение от джи-дай
    Держать не надо...Всё автоматом вкл и автоматом выкл (на время задержки).
    так-так-так... )))
    вот именно от этого я и пытаюсь уйти
    а если так, тогда просто любую кнопку с фиксацией можно поставить

    ещё раз про смысл того, что мне нужно:
    я приезжаю на автомойку полностью набитую мойщиками-таджиками
    они начинают мыть машину
    и пока они там своими кривыми руками и ссаными тряпками всё трут они нажав всего 1 раз на кнопку включают вдобавок ещё и комп, а мне это уж точно не нужно в мойке, где и так полно воды и люботных всяких чертей
    или ещё один случай из жизни
    например, что-то случилось с компом (ну бывает иногда), а тут старый-добрый приятель попросил довезти его куда-то, а у приятеля ручки шаловливые. Садится он в машинку и вдруг нажимает кнопочку включения НЕ ИСПРАВНОГО компа одновременно задавая вопрос "а что это такая за кнопочка???" - много раз такое видел в своей машине ))))

    так вот, чтобы этих всех проблем избежать, мне требуется схема кнопки, которая будет замыкать цепь питания ИМЕННО ПОСЛЕ 3-4 секунд удержания кнопки В НАЖАТОМ СОСТОЯНИИ

    фуф...
    вот я о чём собственно спрашивал ))))
    есть идеи как это реализовать?

  6. #6
    Гуру
    Регистрация
    08.01.2008
    Сообщений
    703
    Вес репутации
    368

    По умолчанию Re: Кнопка с электронной фиксацией.

    Цитата Сообщение от Z@GR
    так-так-так... )))
    вот именно от этого я и пытаюсь уйти
    а если так, тогда просто любую кнопку с фиксацией можно поставить

    ещё раз про смысл того, что мне нужно:
    я приезжаю на автомойку полностью набитую мойщиками-таджиками
    они начинают мыть машину
    и пока они там своими кривыми руками и ссаными тряпками всё трут они нажав всего 1 раз на кнопку включают вдобавок ещё и комп, а мне это уж точно не нужно в мойке, где и так полно воды и люботных всяких чертей
    или ещё один случай из жизни
    например, что-то случилось с компом (ну бывает иногда), а тут старый-добрый приятель попросил довезти его куда-то, а у приятеля ручки шаловливые. Садится он в машинку и вдруг нажимает кнопочку включения НЕ ИСПРАВНОГО компа одновременно задавая вопрос "а что это такая за кнопочка???" - много раз такое видел в своей машине ))))

    так вот, чтобы этих всех проблем избежать, мне требуется схема кнопки, которая будет замыкать цепь питания ИМЕННО ПОСЛЕ 3-4 секунд удержания кнопки В НАЖАТОМ СОСТОЯНИИ

    фуф...
    вот я о чём собственно спрашивал ))))
    есть идеи как это реализовать?
    Так бы сразу и сказал.Вот, нажал 4сек подержал-вкл, нажал 4 сек подождал-выкл. Доволен?
    Изображения Изображения

  7. #7
    Продвинутый Аватар для Z@GR
    Регистрация
    02.10.2008
    Сообщений
    325
    Вес репутации
    277

    По умолчанию Re: Кнопка с электронной фиксацией.

    Цитата Сообщение от джи-дай
    Так бы сразу и сказал.Вот, нажал 4сек подержал-вкл, нажал 4 сек подождал-выкл.
    спасибо огромное! так тоже устроит!
    Цитата Сообщение от джи-дай
    Доволен?
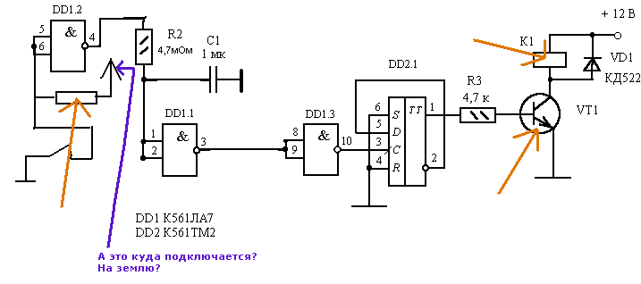
    и всётаки вопросики, чтобы уж доконца...
    1. на картине оранжевыми стрелками показаны детали - какие номиналы и марки деталей всё-таки конкретно нужно использовать?
    2. и вопрос по сереневой стрелке - тоже актуален для меня...
    Изображения Изображения

  8. #8
    Администратор Аватар для Chip
    Регистрация
    08.06.2007
    Возраст
    55
    Сообщений
    13,381
    Вес репутации
    10

    По умолчанию Re: Кнопка с электронной фиксацией.

    Сиреневая стрелка +5в, резистор 10к, транзистор КТ972, реле любое 12в с током обмотки не более 100мА

  9. #9
    Гуру
    Регистрация
    08.01.2008
    Сообщений
    703
    Вес репутации
    368

    По умолчанию Re: Кнопка с электронной фиксацией.

    Чип уже ответил...Кстати, питание у МС 564 серии 3...15В
    Изображения Изображения

  10. #10
    Администратор Аватар для Chip
    Регистрация
    08.06.2007
    Возраст
    55
    Сообщений
    13,381
    Вес репутации
    10

    По умолчанию Re: Кнопка с электронной фиксацией.

    Вот вариант попроще.
    Изображения Изображения
    • Тип файла: png botton.png (3.6 Кб, Просмотров: 6839)
    Последний раз редактировалось Chip; 22.11.2008 в 16:20.

Страница 6 из 9 ПерваяПервая 123456789 ПоследняяПоследняя

Информация о теме

Пользователи, просматривающие эту тему

Эту тему просматривают: 1 (пользователей: 0 , гостей: 1)

Ваши права

  • Вы не можете создавать новые темы
  • Вы не можете отвечать в темах
  • Вы не можете прикреплять вложения
  • Вы не можете редактировать свои сообщения
  •