Разобрал камеру. Вот фото ПП :
ИК датчик с mini USB
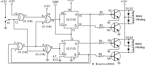
Плата драйвера двигателя
Она же с обратной стороны
Плата камеры
Как все соединено
Вопрос, как удалить плату камеры ? Самостоятельно камера работает, а самостоядельно двигатели-нет. На плате с ДД есть технологический разьём.




Ответить с цитированием