Вложений: 15
Опель. Хождение по мукам или свет в конце тоннеля.
Предисловие.
Здравствуйте, уважаемые форумчане.
Наконец-то дошли руки взяться за перо, то бишь клавиатуру.
В данном топике не будет красочного изложения инсталляции carPC в автомобиль. Вряд ли вашему покорному слуге удастся создать нечто подобное тем замечательным проектам, изобилующими шикарными фотографиями, которые во множестве представлены на страницах данного сайта, да и на других подобных сайтах их также огромное количество. Да и те фотографии, которые появятся в статье, не будут блистать профессионализмом. Просто настало время рассказать о тех граблях, по которым пришлось пройти автору на пути подачи видеосигнала от компа на штатный монитор автомобиля и тем самым внести свою незначительную лепту в дело карпьютеростроения. Возможно, данная статья поможет кому-нибудь сэкономить время и деньги. Если это произойдет, то буду рад.
Пролог.
2011 год. Первая половина.
Беларусь гудит как растревоженный улей пчел.
С одной стороны остаются считанные месяцы до 1 июля, чтобы купить автомобиль из-за кордона с учетом хоть и высоких таможенных пошлин, но все же не таких драконовских как в России, которые будут введены после указанной даты в угоду Таможенному союзу.
С другой стороны очередной обвал белорусского “зайца” (рубля). Прекращена продажа всех видов валют. Счастье если удалось купить монгольский тугрик. И до чего наш толерантный белорусский (российский, украинский и т.д.) народ не додумается, чтобы завладеть заветными бумажками с изображениями американских президентов либо звездами Евросоюза. По крайней мере, герою Ильфа и Петрова некому Остапу Ибрагимовичу и в кошмарном сне не могли присниться те способы заиметь валюту, которыми овладели наши люди.
И вот в этих условиях в Беларуси практически не осталось ни одной семьи, которая бы не пыталась купить, обновить либо просто вложить деньги в авто. Исключение составили только ленивые.
Не остался в стороне и автор этих строк. Был куплен автомобиль Опель Сигнум 2008г. С наворотами под самую завязку. И все радовало душу за исключением работы штатной навигации. Забыли немцы при разработке навигационного программного продукта Navteq про Беларусь, да и другие страны бывшего СССР, расположенные восточнее.
Для того, чтобы восстановить работоспособность навигации, пришлось полазить по просторам интернета. Рассматривались варианты миркомов, фантомов, СS девятитысячных и других подобных навигационных блоков. Но чего-то не доставало для полного счастья в этих девайсах. И вот в канун нового 2012 года прозвучало новое, интригующее слово кар-пи-си.
Хождение по мукам. Часть I. Первый компьютер.
Отгремели новогодние и рождественские праздники. Понадобилось время, чтобы прийти в себя после выпитых декалитров спиртного. После этого приступил к изучению различных сайтов с описанием инсталляции компьютера в автомобиль. От красочных иллюстраций появилось чувство эйфории и великое желание внедрить как можно быстрее carPC в свою машину. И вот здесь была совершена роковая ошибка. Перед тем, как определяться с конфигурацией carPC, необходимо было изучить форумы по подключаемому железу. Особенно это касаемо материнских плат и графических адаптеров.
Первый компьютер был собран со следующей начинкой:
Корпус mini-box M350 Mini-ITX
Материнская плата Asus P8H67-I DELUXE
Процессор Intel Core i3−2120Т с рассеиваемой мощностью 35 Вт
Блок питания M2-ATX(M2-ITX) 200W
Жесткий диск Kingston SSDNow V объемом 64GB
В общем, ничего сверхъестественного. Все как у людей.
Вложение 17252
Фото 101
Можно было бы на этой фотографии закончить описание компа, но несколько моментов хотелось бы осветить.
Во-первых, подключение блока питания M2-ATX(M2-ITX) 200W. Идущий в комплектации с блоком шлейф с разъемами просто не влазил в небольшой корпус, а если бы и влез, то перекрывал все воздушные потоки охлаждения. Пришлось с помощью паяльника делать хирургическое вмешательство, предварительно выпаяв гнездо разъема, а затем припаяв обратно небольшую часть шлейфа с соблюдением распиновки.
Вложение 17253
Фото102
И блок питания идеально вписался в конфигурацию компьютера.
Вложение 17254
Фото103
Во-вторых, подключение жесткого диска SSD форм-фактора 1,8. И хотя на рынке во множественном числе существуют различные переходники и адаптеры для подключения, но от них пришлось отказаться из-за экономии пространства. Разъем питания винчестера форм-фактора 2,5 был переделан под нужный мне размер.
Вложение 17255
Фото104
Вложение 17256
Фото105
Считал, что являюсь первым изобретателем этой переделки, но позже нашел в интернете подобные варианты.
http://taraskin-photo.pochta.ru/slimline_sata/
http://spvd.ru/page/slim-sata-power
Увы. Лично я изобрел очередное колесо.
Одновременно со сборкой carPC в корпус блока с цветным штатным дисплеем Опель Сигнума была имплантирована плата-транскодер(CVBS->RGBS) дополнительных видеовходов. Не буду останавливаться на этой части моего проекта, так как она может представлять интерес исключительно для владельцев автомобилей Опель определенных годов выпуска в соответствующей комплектации. Более подробно о монтаже данной платы расскажу в статье, описывающей мой проект. К плате транскодеру подключил камеру заднего вида.
Для преобразования видеосигнала RGBHV в RGBS изготовил синхросмеситель сигналов горизонтальной и вертикальной синхронизации в композитную на базе родной микросхемы К555ЛП5.
Вложение 17257
Фото106
Вложение 17258
Фото107
Различные схемы и описания смесителей синхры можно посмотреть на сайте:
http://digilander.libero.it/venturi1...JUSgLvUSMtZSfA
Осталось подключить компьютер к плате видеовхода и получать наслаждение, но не тут-то было. С этого и началось хождение по мукам.
В процессор Intel Core i3−2120Т встроено видеоядро от intel HD Graphics 2000. А вот штатный монитор у Опеля по нынешним меркам доисторический. Мало того, что физическое разрешение 400х234, но и работает с частотой строчной развертки в пределах 16 кГц. Плюс абсолютно никакой по монитору инфы в нете.
При подаче видеосигнала с carPC монитор показывал загрузку BIOS с двоением изображения, а перед загрузкой операционной системы компьютер напрочь отрубал вывод изображения. Максимально, чего на тот момент удалось добиться, это получение изображения и то путем тупого перебора стандартных разрешений.
Вложение 17259
Фото108
Более подробно о “танцах с бубном” на этом этапе можно прочитать в статье “Подключение Штатного монитора на любом автомобиле” по ссылке http://www.compcar.ru/forum/showthre...ed=1#post97931
Заканчиваются мои мытарства на данной странице форума сообщением от Уважаемого гуру St@rz “YuryY, напиши в личку свой скайп или аську. Постараюсь в выходные посидеть с твоим компом.” Договорившись с St@rz, состоялся телемост между Пермью и Минском, во время которого, как я понял, Константин вносил правку в реестр драйвера. Однако, при последующем подключении carPC, были получены “те же яйца, только в профиль”, то есть черный квадрат Малевича.
И, тем не менее, я очень благодарен Константину за потраченное время, а главное желание оказать помощь. Возможно, у него и получилось с помощью правки драйвера выдать нужный результат, но на тот момент я просто не знал про палочку-выручалочку под названием “заглушка”.
Про заглушку читаем в сообщении великого Slden по ссылке: http://pccar.ru/showpost.php?p=55660&postcount=16
Тупик. Для разрядки отсутствие нужного разрешения компенсировано разрешением приема сорокаградусной жидкости.
Хождение по мукам. Часть II. Железо.
Прошел месяц. Выпито за это время немереное количество декалитров. Опохмелившись рассолом, и так же, как классик Чернышевский озадачился философским вопросом “Что делать”? После глубоких раздумий был составлен стратегический план компании на ближайшую перспективу борьбы за нужное разрешение.
1.Изучить теорию образования и передачи видеосигнала хотя бы на уровне “чайника”.
2.Изготовить универсальный смеситель синхры, предусмотрев на плате “заглушку”.
3.Ударить по интеловской графике пролетарским “железом”, а в просторечии транскодером VGA->RGBS.
Для начала вместе с друзьями яндексом и гуглом перекурили гигобайты инфы в области видео на различных сайтах, коих бесконечное множество в нете. Только после этого пришло некое понимание дальнейших телодвижений. Даю ссылку на один сайт, в котором уж очень доходчиво рассказано о формировании изображения на матрице дисплея. Он хоть и буржуинский, но любой Мальчиш-Кибальчиш вместе с перечисленными друзьями справится. http://easymamecab.mameworld.info/html/monitor1.htm
Параллельно со штудированием теорий изготавливался блочек синхросепаратора. Основная идея его создания в возможности быстрой замены различных платок с деталюшками смесителя синхры, чтобы определить в каком исполнении смеситель даст наилучший результат. Так же в синхросепараторе изначально предусматривалось использование “заглушки”. Как показала практика в дальнейшем, этот блочек сослужил немалую пользу и значительно помог в решении проблемы подачи нужного видеосигнала на штатный дисплей автомобиля.
Вложение 17260
Фото201
Вложение 17261
Фото202
Вложение 17262
Фото 203
C одной стороны блок подсоединяется кабелем VGA->VGA к компьютеру, а со второй стороны жгутом проводов к входу RGBS дисплея. Верхняя плата съемная.
В статье “AT717C-V2.0+A070VW04 800x480 modeline” по ссылке http://pccar.ru/showthread.php?t=12292 прочитал сообщение от Zanuda о возможности решения проблемы c помощью “установки eeprom с данным edid слитых с еееписи”. Правда на тот момент толком не разобрался, что такое EDID и с чем его едят, но для себя сделал вывод: что-то очень вкусное и взял на заметку. На верхней плате последней фотографии видна площадка, предусмотренная под установку микросхемы в исполнении DIP8. Площадка может использоваться как для установки “заглушки”, так и eeprom.
На EBAY был заказан конвертер видеосигнала GBS-8100.
Вложение 17263
Фото 204
В последующем данному конвертеру был приделан корпус
Вложение 17264
Фото 205
Вложение 17265
Фото 206
Правда, шел из Китая данный девайс больше трех месяцев. Наверное, транзит почтовыми службами осуществлялся через другую галактику. Прождав два месяца посылки, заказал из штатов другой конвертер GrandTec-Ultimate-XP-Pro. Уж больно цена понравилась. Всего 18 штатовских рублей, правда, без стоимости доставки.
Вложение 17266
Фото 207
В общем, пришли оба транскодера практически одновременно. Так, что можно было сравнить работу обоих конвертеров видеосигнала.
Мое субъективное мнение об их применении совместно с carPC.
Конвертер GBS-8100:
Достоинство
- Получение без “ танцев с бубнами ” видеосигнала воспринимаемого штатным дисплеем при подключении к любому компьютеру.
- На дисплее видна загрузка BIOS.
- Вполне приемлемая картинка от трансляции фильмов, либо от навигации.
- Получение композитного видеосигнала для подключения иных мониторов с композитным входом.
- Практически не видны помехи по видеосигналу.
- Нет необходимости использовать смеситель синхроимпульсов.
Недостатки
- Лишнее “железо” в автомобиле.
- Отсутствует корпус.
- Необходимость либо городить отдельное питание +5В, либо использовать для этих целей один из портов USB.
- При отключения питания конвертера происходит сброс настроек. Поэтому установку можно произвести только в легкодоступном месте, либо выводить дополнительные кнопки настроек.
- Поскольку конвертер изменяет настройки дискретно, то невозможно получить изображение, что называется “пиксель в пиксель”. Либо часть картинки уходит за пределы видимой области дисплея, либо на дисплее видны черные полосы.
- Растягивание изображения по горизонтали на дисплеях с соотношением сторон 16:9.
- На дисплеях с малой диагональю плохо читается текст.
Конвертер GrandTec-Ultimate-XP-Pro:
Достоинство
- Получение без “ танцев с бубнами ” видеосигнала воспринимаемого штатным дисплеем при подключении к любому компьютеру.
- На дисплее видна загрузка BIOS.
- Вполне приемлемая картинка от трансляции фильмов, либо от навигации.
- Получение композитного видеосигнала для подключения иных мониторов с композитным входом.
- Практически не видны помехи по видеосигналу.
- Нет необходимости использовать смеситель синхроимпульсов.
- Плата встроена в симпатичный плоский корпус.
- Пульт дистанционного управления. Но если конвертер засунуть подальше, то возникает необходимость выноса приемника сигнала от пульта в доступное место.
- Сохраняет настройки при отключенном питании.
Недостатки
- Лишнее “железо” в автомобиле.
- Необходимость либо городить отдельное питание +5В, либо использовать для этих целей один из портов USB.
– При повторной подаче питания необходимо нажимать кнопку power на приборе, либо пульте управления. После соответствующей доработки девайса от этого недостатка можно избавиться.
- Поскольку конвертер изменяет настройки дискретно, то невозможно получить изображение, что называется “пиксель в пиксель”. Либо часть картинки уходит за пределы видимой области дисплея, либо на дисплее видны черные полосы.
- Растягивание изображения по горизонтали на дисплеях с соотношением сторон 16:9.
- На дисплеях с малой диагональю плохо читается текст.
- В комплекте отсутствует кабель для подключения к 9-пиновому разъему выхода RGBS, а в инструкции по эксплуатации нет распиновки этого разъема. Если кому-то необходимо, то распиновку найдете на странице http://compcar.ru/forum/showthread.p...d=1#post102900
Какой-либо значительной разницы в качестве получаемого изображения при использовании обоих конвертеров не заметил. В целом, вполне приемлемое и относительно недорогое решение для быстрого подключения любого дисплея по RGBS к carPC.
В общем, на этом месте можно было поставить жирную точку. Но.
В телефонном разговоре уважаемый St@rz дал оценку качеству изображения на штатном дисплее, получаемого при различных вариантах подачи видеосигнала. Композитный – 3 бала, при помощи конвертеров – 4 бала, программное решение – 5 балов. А у меня, как на грех, еще со школьной скамьи сохранилась дурная привычка “грабастать пятерки”. Да и не последнюю роль сыграл азарт добиться максимально возможного качества изображения. Поэтому хождение по мукам продолжилось.
Вложений: 15
Re: Опель. Хождение по мукам или свет в конце тоннеля.
Хождение по мукам. Часть III. Новый carPC.
После глубоких раздумий на ум пришли слова великого вождя не безызвестного дедушки Ленина “Мы пойдем другим путем”. Вот и я пошел по указанному направлению.
Решено - собираю новый carPC. Причин для этого несколько:
-За единственным в доме на тот момент компьютером выстраивалась очередь из домочадцев. Поэтому первый неттоп остается дома.
-И хоть у первого carPC габариты небольшие 210(Г)x62(В)x192(Ш), но при установке компьютер занял бы весь перчаточный ящик, в котором и планировалась установка.
-В компьютере установлен CPU Intel Core i3-2120T с рассеиваемой мощность 35 Вт. Однако, не смотря на невысокое энергопотребление и установленные в корпусе три кулера охлаждения, компьютер сильно греется. А если попадет в замкнутое пространство перчаточного ящика при жаре летом 30 градусов, то, что станет с компьютером, одному богу известно. Нужен carPC с более низким энергопотреблением.
-Ну, и самое главное - ни какой графики от intel, которая не позволяет получить пользовательское разрешение с частотой строчной развертки менее 16кГц.
И так представляю новый компьютер.
Вложение 17267
Фото 301
Компьютер собран на базе barebone-системе nT-A3700 от Foxconn.
Вложение 17268
Фото 302
- Двуядерный процессор AMD E-450 мощностью 1.65 ГГц и графическим адаптером AMD Radeon HD 6320.
- Чипсет AMD A45 FCH.
- Поддержка DDR3 1333 до 8GB.
-TDP + чипсет -18+4 Вт.
- Габариты 135(Г)x24(В)x190(Ш).
Итого: малые габариты, слабый нагрев, практически бесшумен.
И, если по железу в основном все вопросы решены, то с получением нужного разрешения опять засада.
Обычный алгоритм решения подобной задачи с помощью знаменитой проги PowerStrip не проходит, так как на радеоновских графиках HD6310, HD6320 виснет в процессе инсталляции. Утилита SOFT 15kHz хоть и создает низкие разрешения в чересстрочном формате, но при ее активации видеоадаптер наотрез отказывается выводить аналоговый видеосигнал. Перепробовал множество различных программ и утилит по созданию пользовательских разрешений. Либо они не работают с видеокартой, либо не дают мне нужного результата. Catalist Control Center также остался не при делах. Ну не понимают современные графические адаптеры “какого черта” нужны подобные разрешения, да еще в чересстрочном режиме. В трех местах на форумах compcar и pccar были попытки создать низкое разрешение видеосигнала с интегрированной видяхой HD6310, но по разным причинам оказались неудачными.
В конце концов, пришло осознание в кардинальном решении проблемы, а именно, подсунуть видеокарте EDID монитора с нужными параметрами. Пусть она подавится. Ну а дальше с помощью пусть и не такой мощной, как PowerStrip, но имеющей все необходимые атрибуты утилиты Custom Resolution Utility создать пользовательское разрешение.
Свет в конце тоннеля. Часть I. EDID, что в имени твоем слилось?
Курю дальше интернет.
Понимание, что такое EDID, так же как и у белорусских парламентариев, принимающих законы, приходит в первом чтении. Про EDID читаем здесь http://translate.google.by/translate...ification_data
А вот как перейти к практической стороне вопроса по созданию EDID, что называется в кустарных условиях, в интернете информации не так уж и много, да и та разрозненная. Что-то более-менее внятное описано в темах:
“AT717C-V2.0+A070VW04 800x480 modeline” http://pccar.ru/showthread.php?p=149672#post149672
“давайте прошьём GL619 монитор” http://compcar.ru/forum/showthread.php?t=6544
Обращаюсь к старшему пользователю Zanuda с pccar. Но, к сожалению, Zanuda помочь не смог, сославшись на забывчивость. Да оно и не мудрено, так как за три года столько воды утекло. Порой не вспомнишь, что было вчера, а попробуйте вспомнить о трехлетней штучной работе.
В общем-то, заняться эпистолярным жанром меня и заставила боязнь стирания в памяти алгоритма решения поставленной задачи. Все, что было написано до этого, была лирика, и можно было бы не писать, а тем паче читать. Но уже написано и скорее всего, прочитано. Дальше пойдет проза, и постараюсь описать все поподробнее.
Скачиваем и устанавливаем программу Phoenix EDID Designer.
Вложение 17269
Фото 401
Видим
Вложение 17270
Фото 402
Оговорюсь заранее, что все данные вводимые для примера в Phoenix EDID Designer из моей окончательной прошивки и действительны только для монитора LTA058B110D, установленного в автомобилях Опель модификаций Вектра С и Сигнум. Для всех остальных можно взять данные по таймингам разрешения видеосигнала на форумах и абсолютно не беда, что они впоследствии окажутся неточными. Дальше я расскажу, как их подправить.
Первоначально я взял за основу Modeline "800x480" 16,050 800 864 936 1020 480 494 500 524 interlace -hsync -vsync где:
Пиксельная частота 16,050мГц
Строчная частота 15,735кГц
Кадровая частота 30,029
Горизонтальные активные пиксели 800
Переднее гашение 64
Длительность синхронизации 72
Заднее гашение 84
Всего бланковых пикселей 220
Вертикальные активные строки 480
Переднее гашение 14
Длительность синхронизации 6
Заднее гашение 24
Всего бланковых строк 44
Если обратили внимание, то физическое разрешение штатного монитора 400х234 и логично бы было создавать кратное разрешение видеосигнала 800х468i. Но в одной теме, не помню какой, уважаемый Chip утверждал, что с разрешением 800х468 не совсем корректно работают некоторые приложения. Я заявление авторитета принял как аксиому.
Возвращаясь к предыдущей фотографии:
- Vendor ID – код производителя монитора. В моем случае TSB – Toshiba. Коды производителей можно скачать по ссылке в конце страницы http://blog.komeil.com/2008/06/fixin...no-signal.html
- Product ID – код продукта. Поскольку кода монитора я не знал, то решил использовать это окно с четырьмя регистрами для обозначения создаваемых прошивок, чтобы не запутаться в дальнейшем. У меня 0480. Первая цифра 0 – окончательная прошивка. Все промежуточные отмечал цифрами от 1 до 9. Три последние цифры 480 – количество видимых строк в создаваемой прошивке.
- Serial Number - серийный номер продукта. Недолго думая, записал тот, который был на мониторе 27944.
- Mfg Week – порядковый номер недели в году. Записал неделю, когда создавалась та или иная прошивка. Окончательная прошивка создавалась на 28 неделе.
- Mfg Year – год. Записал 2013- год моих терзаний.
Переходим на следующую страницу Phoenix EDID Designer, нажимая Basic Display Parameters (Основные параметры дисплея).
Вложение 17271
Фото 403
-Analog – аналоговый видеосигнал. Поскольку видеосигнал беру с аналоговой части разъема DVI-I, то галочку поставил против Analog. То же самое, если берем сигнал с VGA. Для цифровых видеосигналов выбираем Digital.
- Signal Level Standard – стандартный уровень сигнала. Если галочку поставить против Analog, то стандартные параметры выскакивают автоматически. Соглашаемся с параметрами 0.700 , 0.300.
- Sync inputs supported – поддерживаемые входы синхронизации. Ничего не отмечал, и так все прокатило.
- Image Size – размер изображения. Имеется ввиду размер активной части матрицы дисплея. Поскольку эти габариты у штатного монитора 128х72, то с учетом правил математического округления выставляем соответственно размеры 13 см и 7 см.
- Display Type – тип дисплея. Устанавливаем галочку напротив RGB color, поскольку дисплей цветной.
- Preferred timing mode – популярные режимы синхронизации. Помечаем их галочкой.
Жмем дальше Color / Established Timings (Цвет / Штатные Тайминги) и переходим на следующую страницу.
Вложение 17272
Фото 404
- Color Characteristics- цветовые характеристики. Можно не заполнять. Я поставил значения с найденного в интернете технического описания похожего монитора. В крайнем случае отрегулировать цвета видеосигнала можно всегда средствами компьютерной графики.
- Established Timings – штатные тайминги. Устанавливаю галку напротив 640х480@60Hz, что бы видеть загрузку BIOS, невзирая на то, что изображение при загрузке будет в моем случае двоиться. Все остальные разрешения не нужны, так как максимальная частота строчной развертки штатного монитора Опеля меньше 17кГц. Для более современных мониторов можно отметить и другие значения.
Следующая страница Standard Timings (стандартные временные характеристики).
Вложение 17281
Фото 405
На этой странице можно создать стандартные разрешения, используя количество активных строк, частоту обновления кадра и пропорции активной области матрицы. Всего до восьми стандартных разрешений. Попытки создать нужные мне разрешения с количеством активных строк 234, либо 240, а также кадровой частотой менее 60 Гц не позволяет программа.
Вложение 17274
Фото 406
Вложение 17273
Фото 407
Далее переходим на самую интересную страничку Detailed Timings (детальные тайминги). Здесь и создадим нужное разрешение.
Вложение 17275
Фото 408
На данной странице 4 блока, в которые записывается определенная информация. Кроме этого, за исключением первого блока, можно сделать выбор типа описываемой информации (Descriptor Block Type) по создаваемому пользовательскому разрешению, либо информации о мониторе. Для этого необходимо установить галочки Timing, либо Monitor соответственно.
Заполняем значения левой части страницы:
- Pixel Clk – пиксельная частота в мГц. Записывается до двух знаков после разделительной точки. В моем случае 16.01(16.05)мГц. Значения, указанные синим цветом, - значения моей первой прошивки в соответствии с Modeline "800x480", указанном выше.
- H Active Pxl – активные пиксели по горизонтали – 800 пикселей.
- H Blank – общее количество бланковых пикселей по горизонтали – 216 (220) пикселей.
- H Sync Offset – смещение горизонтальной синхронизации – 38 (64) пикселей.
- H Sync Width – ширина горизонтальной синхронизации – 86 (72) пикселей.
Поскольку создается чересстрочное разрешение, то все вводимые значения по вертикали, уменьшаем вдвое.
- V Active Lines – активные строки по вертикали – 240 строк.
- V Blank – общее количество бланковых строк по вертикали – 22 строки.
- V Sync Offset – смещение вертикальной синхронизации – 3 (7) строки.
- V Sync Width – ширина вертикальной синхронизации – 2 (3) строки.
Устанавливаем галку против interlaced – чересстрочный режим.
В правом нижнем углу устанавливаем размеры активной области матрицы дисплея по горизонтали и вертикали в миллиметрах. Соответственно 128мм и 72мм для штатного монитора опеля.
На правой половине ничего не трогаем. Нужные галки установлены автоматически.
Активируем второй блок записи данных для монитора.
В этом блоке можно описать один из восьми параметров монитора на выбор.
- Monitor Serial Number – серийный номер монитора (до 13 знаков). Пропускаю этот параметр, так как серийный номер забит на первой странице.
- ASCII String - ? Пропускаю.
- Monitor Range Limits – предельные диапазоны монитора. Ставлю галочку и заполняю значения в открывшемся правее окне. Поскольку технические характеристики штатного монитора отсутствуют, ставлю некие граничные значения, чтобы, с одной стороны, попасть в диапазон частот разрешения, а с другой стороны, оградить монитор от больших частот.
- Min. V Rate (Hz) – минимальная частота обновления кадра (Гц). – 45 Гц.
- Mах. V Rate (Hz) – максимальная частота обновления кадра (Гц). – 65 Гц.
- Min. H Rate (kHz) – минимальная частота строчной развертки (кГц). – 14 кГц.
- Max. H Rate (kHz) - максимальная частота строчной развертки (кГц). – 35 кГц.
- Max. Pxl Clk (mHz) – максимальная пиксельная частота (мГц). – 40 мГц.
Вложение 17276
Фото 409
Активируем третий блок и ставим галочку для записи данных монитора.
Вложение 17277
Фото 410
- Monitor Name – название монитора с использование до 13 знаков. Называю Signum Opel.
- Color Point Data – значения данных о цвете. Открывшееся окно служит для записи характеристик белого цвета. Пропускаю, так как самих характеристик монитора нет. А с другой стороны на странице Color / Established Timings характеристики белого цвета установлены.
- Standard Timings - стандартные временные характеристики. Записываются те же данные, что и на странице Standard Timings. В моем случае это окно бесполезно.
- Unused – не используется.
- Mfg. Defined - ?
Поскольку остался четвертый блок свободным, то активирую его в режиме записи данных разрешения. Открывается то же окно, что и в первом блоке. В окончательной прошивке EDID установил те же значения, что и в первом блоке. В первой прошивке значения четвертого блока несколько отличались от значений первого. Например, можно установить иное значение частоты кадров, либо изменить тайминги по вертикали.
Вложение 17278
Фото 411
Далее, из любознательности, нажимаем в верхней части программы Phoenix EDID Designer на значок под названием Byte Viewer (просмотр записи байтов) и видим некую таблицу созданной прошивки EDID, записанной в шестнадцатеричном исчислении.
Вложение 17279
Фото 412
Для сохранения жмем File -> Save EDID As… -> указываем путь -> даем имя файлу -> сохраняем с расширением dat.
Вложение 17280
Фото 413
Все. Первая часть Марлезонского балета окончена.
Вложений: 12
Re: Опель. Хождение по мукам или свет в конце тоннеля.
Свет в конце тоннеля. Часть II. Вторая часть Марлезонского балета.
Первые па второй части Марлезонского балета начинаю со скачивания программы Monitor Asset Manager (Moninfo). Открываю прогу -> вижу данные одного, либо нескольких мониторов и особо эти данные не рассматриваю -> жму File -> Open -> указываю путь к фалу Signum 0480 с расширением dat -> открыть, и вижу замечательную картину, написанную маслом.
Вложение 17282
Фото 501
Просто супер.
Полный текст прошивки в человеческом виде:
Monitor
Model name............... Signum Opel
Manufacturer............. Toshiba
Plug and Play ID......... TSB0480
Serial number............ 27944
Manufacture date......... 2013, ISO week 28
Filter driver............ None
-------------------------
EDID revision............ 1.3
Input signal type........ Analog 0.700,0.300 (1.0V p-p)
Sync input support....... Not available
Display type............. RGB color
Screen size.............. 130 x 70 mm (5,8 in)
Power management......... Not supported
Extension blocs.......... None
-------------------------
DDC/CI................... n/a
Color characteristics
Default color space...... Non-sRGB
Display gamma............ 1,00
Red chromaticity......... Rx 0,650 - Ry 0,330
Green chromaticity....... Gx 0,300 - Gy 0,600
Blue chromaticity........ Bx 0,150 - By 0,089
White point (default).... Wx 0,313 - Wy 0,329
Additional descriptors... None
Timing characteristics
Horizontal scan range.... 14-35kHz
Vertical scan range...... 45-65Hz
Video bandwidth.......... 40MHz
CVT standard............. Not supported
GTF standard............. Not supported
Additional descriptors... None
Preferred timing......... Yes
Native/preferred timing.. 800x480i at 60Hz (16:9)
Modeline............... "800x480" 16,010 800 838 924 1016 480 486 490 524 interlace -hsync -vsync
Detailed timing #1....... 800x480i at 60Hz (16:9)
Modeline............... "800x480" 16,010 800 838 924 1016 480 486 490 524 interlace -hsync -vsync
Standard timings supported
640 x 480p at 60Hz - IBM VGA
Report information
Date generated........... 09.07.2013
Software revision........ 2.60.0.972
Data source.............. File
Operating system......... 5.1.2600.2.Service Pack 3
Raw data
00,FF,FF,FF,FF,FF,FF,00,52,62,80,04,28,6D,00,00,1C ,17,01,03,00,0D,07,00,0A,AE,B5,A6,54,4C,99,26,
16,50,54,20,00,00,01,01,01,01,01,01,01,01,01,01,01 ,01,01,01,01,01,41,06,20,D8,30,F0,16,00,26,56,
32,00,80,48,00,00,00,80,00,00,00,FD,00,2D,41,0E,23 ,04,00,0A,20,20,20,20,20,20,00,00,00,FC,00,53,
69,67,6E,75,6D,20,4F,70,65,6C,0A,0A,41,06,20,D8,30 ,F0,16,00,26,56,32,00,80,48,00,00,00,80,00,1F
Перед тем как закрыть Moninfo, сохраняю прошивку с расширением bin.
От чесотки в руках открываю скаченный ранее DTD Calculator.
Вложение 17283
Фото 502
Вложение 17284
Фото 503
И тут все стреляет. А можно было и не маяться дурью с DTD Calculator.
Но это только начало второй части Марлезонского балета, то есть цветочки. Ягодки впереди.
Для прошивки eeprom при помощи паяльника и напильника изготавливаю простейший программатор.
Вложение 17285
Фото 504
Вставляю в программатор флэшку (eeprom) и записываю в ее память данные прошивки в бинарном расширении (bin).
Вложение 17286
Фото 505
Более подробно на процедуре прошивки памяти останавливаться не буду. Те, кто знает, как прошивать, обойдутся без моих наставлений. Для остальных совет. На любом радиорынке найти дядю Ваню, который занимается ремонтом радиоаппаратуры и прошиться у него. Цена вопроса от “большого спасибо” до 5 у.е. Все зависит от запросов дяди Вани. А бежать на рынок за eeprom все равно придется. Я в качестве флэшки использовал микросхему 24C02WP в корпусе PDIP8 с объемом памяти 2К (256x8 бит). Применить для этих целей можно другие аналогичные микрухи, даже с меньшей емкостью памяти, начиная с 24C01. Стоимость “три копейки в базарный день”.
Устанавливаю прошитый eeprom и микросхему смесителя синхронизации в панельки универсальной коробочки.
Вложение 17287
Фото 506
Перед тем, как сломя голову бежать в машину, необходимо еще произвести некоторые шаманства с компьютером.
Для начала рисую в графическом редакторе картинку и сохраняю рисунок в формате JPEG с разрешением 800х480.
Вложение 17288
Фото 507
Либо такую.
Вложение 17289
Фото 508
Рисунок устанавливаю в качестве заставки рабочего стола carPC. Для чего это нужно? А для того, чтобы точно расположить выдаваемое изображение компьютером на штатном мониторе.
Чуть подробнее о тест-картинке. Все изображение разбито на равные участки по ширине (800) и высоте (480) и раскрашены разными цветами. По два крайних участка по периметру изображения закрашены в красный цвет. На картинке также раскрашены в желтый цвет две горизонтальные линии толщиной в два участка. Расстояние между двумя желтыми линиями с учетом их толщины равно 468 участков. Основная идея этого шаманства заключается в следующем:
- на мониторе с физическим разрешением 800х480 каждый участок изображения будет соответствовать определенному пикселю матрицы.
- на мониторе с физическим разрешением 400х240 каждая группа из четырех участков (два по горизонтали и два по вертикали) будет соответствовать определенному пикселю матрицы.
- если изображение заставки компьютера точно скадрировано по видимой части матрицы, то по краям дисплея с разрешением 800х480 (400х240) должны быть видны красные линии, а с разрешением 800х468 (400х234) красные линии по вертикали и желтые по горизонтали. При этом не должно быть по краям активной области дисплея черных полос.
Таким образом, пытаюсь вывести изображение, что называется “пиксель в пиксель”. Поскольку штатный дисплей опеля имеет физическое разрешение 400х234 (аналогично для 800х468), то часть изображения сверху и снизу уйдет за пределы экрана монитора. Но это не смертельно. У меня потери составили по три физических пикселя сверху и снизу, а это менее 1мм.
Шаманю дальше.
Скачиваю и устанавливаю утилиту CRU (Custom Resolution Utility). Эта прога хоть и не такая мощная, как Powerstrip, зато свежая и вполне работоспособная с современными графическими адаптерами от ATI и NVIDIA. С интеловской графикой работать не будет. Также из переписки со штатовским парнем с ником ToastyX, разработчиком утилиты, узнаю, что CRU работает с Win7 и восьмеркой. Операционку Windows XP игнорирует.
Суть данной утилиты заключается в том, что она производит правку данных EDID, полученных по каналу DDC. Прочитать об CRU и скачать ее можно по ссылке http://www.monitortests.com/forum/Th...on-Utility-CRU
Напоследок устанавливаю программу управления удаленным доступом TeamViewer на carPC и ноутбук.
Все. С песней “Смело, товарищи, в ногу” семимильными шагами иду к своему авто. В путь прихватил с собой блокнот и карандаш. Без этих атрибутов поход окажется неудачным.
В машине все соединяю, включаю и вижу “первый блин” с очертаниями тора, приплюснутого на северном и южном полюсах. Это уже начинает радовать. Изображение стабильное, без срыва синхронизации, правда, несколько меньше по габаритам, чем активная область матрицы, и сдвинуто относительно центра. Не беда. Поудобнее устраиваюсь на сидении, подсоединяю ноутбук и запускаю удаленный доступ. Открываю на carPC штатовское орудие под названием ЦРУ, и методом “научного тыка” меняю значения, не забывая все временные характеристики записывать в блокнот. После третьего-четвертого “тыка” приходит осознание более научного подхода к решению проблемы.
Вложение 17290
Фото 509
Небольшие комментарии к Custom Resolution Utility.
- Утилита сохраняет в памяти данные EDID подключаемых к компьютеру мониторов. Поэтому при открытии CRU в окошке в верхнем левом углу видны названия подключаемых ранее мониторов, обладающих EDID. Выбираем для редактирования разрешения нужный монитор.
- На левом поле первой страницы под названием Established resolutions (Штатные резолюции) галками отмечены стандартные разрешения, прописанные в EDID монитора. При необходимости их ассортимент можно увеличить, установив дополнительные галочки.
- В нижнем правом окошке под названием Standard resolutions (Стандартные разрешения) появляются стандартные разрешения, с которыми работает выбранный монитор. В этом окне можно добавить дополнительно стандартные разрешения (до 8 разрешений) либо заменить одно стандартное разрешение на другое. Причем, в этом окошке для стандартных разрешений можно изменить частоту кадра.
- Верхнее правое окно Detailed resolutions (Подробные резолюции) предназначено для создания новых пользовательских разрешений с установкой различных временных характеристик либо правки разрешений, прописанных в EDID, в том числе и Native/preferred timing (родного/предпочтительного разрешения). Всего окошко поддерживает до 4 разрешений с детальными временными характеристиками.
Выбираю разрешение 800х480 @ 60.029 Hz (16.01 MHz) [-/-] для дальнейшей правки и нажимаю активировавшуюся кнопку Edit… Открылась вторая страница утилиты CRU.
Вложение 17291
Фото 510
В верхнем окошке выбираю ручной (manual) режим правки выбранного разрешения. Остальные режимы предназначены для автоматической правки таймингов стандартных и небольших LCD мониторов, а также стандартных мониторов с электронно-лучевой трубкой (ЭЛТ).
На поле Parameters (параметры) видны следующие частотные характеристики разрешения (cиним цветом указаны изначальные значения):
Горизонтальные:
- количество активных (Active) пикселей по горизонтали – 800 (800)
- переднее гашение (Front porch) сигнала - 38 (64)
- ширина синхроимпульса (Sync width) – 86 (72)
- заднее гашение (Back porch) сигнала – 92 (84)
- общее количество бланковых пикселей по горизонтали (Blanking) –216 (220)
- общее количество горизонтальных пикселей (Total) - 1016 (1020)
Вертикальные:
- количество активных (Active) строк по вертикали – 240 (240)
- переднее гашение (Front porch) сигнала - 3 (7)
- ширина синхроимпульса (Sync width) – 2 (3)
- заднее гашение (Back porch) сигнала – 17 (12)
- общее количество бланковых пикселей по горизонтали (Blanking) –22 (22)
- общее количество горизонтальных пикселей (Total) - 262 (262)
Далее произвожу необходимую правку значений, руководствуясь следующими принципами:
- Если устраивает размер видимой части изображения по горизонтали либо вертикали, а есть только смещение, то ставлю галку против значения Blanking, тем самым фиксируя общее количество горизонтальных бланковых пикселей либо вертикальных бланковых строк. Перемещение изображения в нужном направлении осуществляю изменением соответствующих значений Front porch и Sync width.
- Для изменения размера видимой части изображения, а при необходимости и его перемещения относительно экрана монитора, устанавливаю галочку против Back porch, если допустимо изменение параметров Pixel clock и Horizontal. Если же изменение последних параметров не допустимо, то устанавливаю галочку против Total. Для уменьшения либо увеличения линейных размеров видимой части изображения соответственно увеличиваем либо уменьшаем общее количество бланковых горизонтальных пикселей либо общее количество вертикальных бланковых строк.
- Поскольку, исходя из первоначальных условий задачи, подаваемое на экран изображение должно быть с разрешением 800х480 и без интерполяции, то значения Active 800 и 240 оставляю неизменными.
В случае, когда выводимое изображение по каким-то причинам выводится со срывом синхронизации, либо вообще нет картинки, то можно поиграться с Sync polarity (полярность синхронизации), либо с частотными характеристиками в нижней части страницы CRU.
После откорректированных значений нажимаем OK на второй, а затем на первой странице утилиты. Не забываем перезагрузить carPC, чтобы новые данные вступили в силу. И так повторяем n-oe количество раз.
В результате часовых “посиделок” в машине жарким августовским днем, под обилием пролитого пота, все, “о чем так долго говорили большевики, свершилось”. Было выведено на экран штатного монитора автомобиля Опель Сигнум изумительное, учитывая архаичность дисплея, изображение от компьютера с разрешением 800х480i. Теперь хоть тысячу раз выключай, перезагружай carPC изображение, нужный видеосигнал остается неизменным.
Вложение 17292
Фото 511
Но возникает одно но. Если, по каким либо причинам, придется переустанавливать операционную систему, либо “заглючит” Custom Resolution Utility, то придется опять шаманить с утилитой CRU. А если возникнет желание подключить к монитору другой компьютер? Идем дальше.
В камеральных (домашних) условиях, используя Phoenix EDID Designer, либо создаем новую, или корректируем старую прошивку EDID, вводя, полученные экспериментальным путем новые значения. Также измененный бинарный файл можно получить, воспользовавшись кнопкой Export на первой странице CRU. Затем с помощью программатора перешиваем eeprom. А кому-то опять придется бежать с бутылкой сорокаградусной к знакомому дяде Ване.
Вложение 17293
Фото 512
На этом можно было бы поставить жирную точку в конце этой темы, если бы не помехи.
Вложений: 14
Re: Опель. Хождение по мукам или свет в конце тоннеля.
Свет в конце тоннеля. Часть III. Помехи.
И хоть изображение радовало глаз, но помехи просто убивали. Началась следующая эпопея великой отечественной - борьба с помехами.
Про помехи и “с чем их едят” читаем в теме “Помехи на экране штатного монитора ” по ссылке http://www.compcar.ru/forum/showthread.php?t=2430.
Поскольку питание carPC подключено от аккумулятора проводами более чем достаточного сечения, то питающую разводку решил оставить в покое. Первым делом решил проверить питающий компьютер блок-преобразователь 12В -> 19В. В качестве питающего блока carPC использовался китайский преобразователь без опознавательной маркировки, к которому пришлось приделать корпус с вентилятором.
Вложение 17294
Фото 601
Вложение 17295
Фото 602
Первым делом меняю установленный преобразователь на блок питания от ноутбука, имеющего вход 12В. Помех стало значительно меньше. Далее, подаю видеосигнал на монитор напрямую от ноутбука. Помехи полностью исчезли. Все понятно. Основную массу помех дает китайское чудо. Да и вряд ли можно было ожидать большего от этого девайса стоимостью 7,5$, включая доставку из поднебесной. Изготавливаю фильтр питания из темы “Помехи на экране штатного монитора”.
Вложение 17296
Фото 603
Вложение 17297
Фото 604
Помехи уменьшились, но полностью не исчезли.
Вторым делом изготавливаю новый кабель, подающий видеосигнал от компьютера до монитора.
Для этого в качестве основы беру четырехжильный кабель с экраном на каждой жиле и добавляю к нему дополнительный провод. По экранированным жилам будут передаваться сигналы Red, Green, Blue и Sync. На провод будет подана “земля”. В качестве общего экрана использую нарезанную длинной полосой пищевую фольгу.
Вложение 17298
Фото 605
Разделываю концы проводов. Половиной каждого отдельного экрана в виде медной проволоки оборачиваю вокруг фольги. Вторые половинки экранов соединяю в общую скрутку.
Вложение 17299
Фото 606
Обматываю кабель изоляционной лентой (бесшумкой) и продеваю сквозь корпус розетки разъема DVI.
Вложение 17300
Фото 607
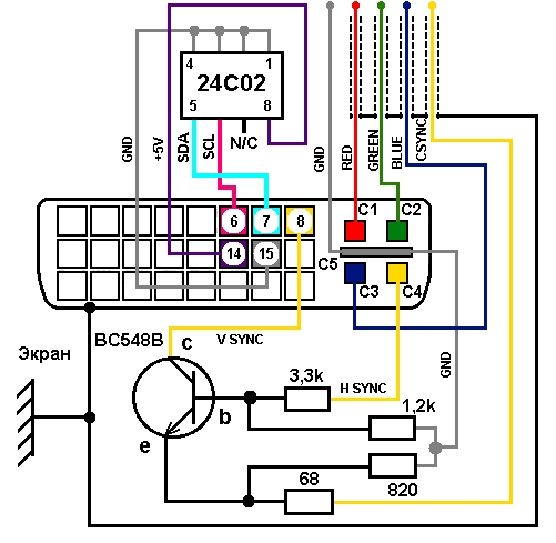
Припаиваю концы проводов к модернизированной вилке. На двухсторонней плате вилки расположены SMD компоненты смесителя синхронизации и микросхема с данными EDID.
Микросхема имеет маркировку 24C02BN и выполнена в корпусе SOIC.
Вложение 17301
Фото 608
Схема модернизированной вилки разъема DVI-I.
Вложение 18529
Фото 609
Изолирую плату во избежание касания корпуса вилки.
Вложение 17303
Фото 610
Обжимаю металлическую часть корпуса вокруг фольгированного экрана кабеля.
Вложение 17304
Фото 611
Подпаиваю общую скрутку экранов к металлической оболочке.
Вложение 17305
Фото 612
Доизолирую.
Вложение 17306
Фото 613
Натягиваю пластиковый корпус, и вилка DVI приобретает законченный вид.
Вложение 17307
Фото 614
Вложений: 13
Re: Опель. Хождение по мукам или свет в конце тоннеля.
Аналогичные процедуры выполняем с другой стороны кабеля сигнала RGBS. А вот паять буду к самодельной вилке 20-pin (10x2 шаг 2,54мм).
Вложение 17309
Фото 615
Паяю к вилке, к которой уже припаяны входы других видеосигналов, а также провода управления видеосигналами.
Вложение 17310
Фото 616
Изготавливаю оболочку для вилки видеовхода монитора. Для этого использую ABS пластмассу от коробок DVD и расплав клей.
Вложение 17311
Фото 617
Приклеиваю пластмассу с другой стороны.
Вложение 17312
Фото 618
Острым ножом (я использую скальпель) обрезаю пластмассу с лишним застывшим клеем, тем самым придавая нужную форму вилке. Режется относительно легко.
Вложение 17313
Фото 619
Экранирую вилку. Для этого использую медную фольгу с клейкой основой.
Вложение 17314
Фото 620
Последний штрих – изолирую поверхность вилки видеосигналов.
Вложение 17315
Фото 621
Все. Провода надежно закреплены на вилке и есть гарантия, что они не обломаются в месте пайки в процессе эксплуатации, а также не произойдет окисление контактов пайки.
Собираю все провода и кабели в единый жгут.
Вложение 17316
Фото 622
На “скорую руку” изготавливаю нагрузку для RGB каналов и устанавливаю ее в соответствующие контакты вилки видеосигналов.
Вложение 17317
Фото 623
Подсоединяю в домашних условиях вилку DVI-I жгута с установленной нагрузкой по RGB к carPC.
Вложение 17318
Фото 624
Подсоединяю к carPC нетбук и активирую удаленный доступ.
Вложение 17319
Фото 625
Автомобильный компьютер выдал видеосигнал с нужным разрешением.
Вложение 17320
Фото 626
Устанавливаю carPC в автомобиль и подсоединяю к штатному монитору новым жгутом. Для чистоты эксперимента, чтобы выяснить, насколько качественно изготовленный кабель противостоит помехам, китайский преобразователь питания подсоединил без фильтра. На изображении хоть и остались помехи, но незначительные. Экспериментирую дальше. Подсоединяю экран жгута к металлическому корпусу блока формирования штатного видеоизображения, внутри которого установлен дисплей. Помехи почти полностью исчезли, за исключением едва заметных на динамической картинке. Поэтому утверждение уважаемого Chip в теме “Помехи на экране штатного монитора ”, что экран кабеля сигналов необходимо подключать только со стороны источника, на мой взгляд, несколько спорно. Тут кому как.
Основные помехи по звуку были устранены при помощи шумоподавителя Kicx NF120, аналога Mystery MAD-GL. Фильтр доработан нужными разъемами для подключения к аудио разводке.
Вложение 17321
Фото 627
Если не включать штатную акустику на уровень дребезжания стекол, то звук вполне приемлем.
На этом этапе битва с шумами закончилась победой.
Вложений: 8
Re: Опель. Хождение по мукам или свет в конце тоннеля.
Эпилог.
Без малого полтора года понадобилось, чтобы вывести нужную картинку от компьютера на штатный монитор автомобиля. Еще четыре месяца урывками писалась статья. За это время кроме получения картинки ручками и мозгами при помощи напильника и паяльника была проложена разводка питания компьютера и дополнительного оборудования, установлена и подключена камера заднего вида, выполнено сенсорное управление, имитирующее штатные кнопки, сделан дополнительный аудио видео вход, да и многое другое. Еще больше предстоит сделать по задумкам. Но это уже другая история.
Напоследок выкладываю несколько фотографий с единственным комментарием. Вживую все выглядит гораздо приятнее, чем на непрофессиональных фото.
Вложение 17322
Фото 701
Вложение 17323
Фото 702
Вложение 17324
Фото 703
Вложение 17325
Фото 704
Вложение 17326
Фото 705
Вложение 17327
Фото 706
Вложение 17328
Фото 707
Ссылки на видео файлы:
http://youtu.be/JbB-qAPljXc
http://youtu.be/35-rFsXXGcg
http://youtu.be/e6jTrk_iPUU
http://youtu.be/pbniG9WxoV8
http://youtu.be/ubb0l-Rsydg
Во вложении:
- тест-картинки с разрешением 800х480
- прошивка с EDID дисплея в расширении bin. Действительна для мониторов автомобилей марки Опель моделей Сигнум, Вектра C, и по не проверенным сведениям для Мерива A и Корса.
Послесловие.
С одной стороны длинная получилась статья. С другой хотелось как можно подробнее изложить путь, пройденный мной для получения нужного результата. Если бы сейчас, с учетом приобретенных знаний, необходимо было бы пройти путь заново, то на все про все понадобилось бы не более недели и это с учетом (при необходимости) похода к дяде Ване.
Возможно, кому-то эта статья поможет сэкономить время и средства. Буду рад. Некоторые, прочитав мои изливания, найдут в них неточности или ошибки. Но “я не волшебник, я только учусь”. Поэтому буду весьма признателен за высказанные замечания, а также внесенные добавления.
И в заключение, с чувством глубокой благодарности и уважения хочу сказать Константину (St@rz), Эдуарду (Chip), Сергею Леонидовичу (Slden), Илье Белобородову, штатовскому парню ToastyX и шотландскому Yysnet, за дельные советы в реализации проекта, а так же Сергею (Zanuda) за идею и Vovicus62 за развитие идеи с EDID: СПАСИБО ОГРОМНОЕ, МУЖИКИ!
И в преддверии нового года хочу пожелать всем удачи в деле карпекастроения.
С уважением.
YuryY.
Re: Опель. Хождение по мукам или свет в конце тоннеля.
упрям!!!!! иногда упорство неоправдывает результат..... точнее результат есть, а вот адекватность.....
Re: Опель. Хождение по мукам или свет в конце тоннеля.
Цитата:
Сообщение от
Vlad-bodryi
упрям!!!!! иногда упорство неоправдывает результат..... точнее результат есть, а вот адекватность.....
Зато материал изложен от и до. Расписано как все сделать. Респект автору
Re: Опель. Хождение по мукам или свет в конце тоннеля.
Автор молодец!!!!
Эта статья - пособие найдет своего клиента по любому!!!!!
я бы не то что бы бросил на пол пути все , что сделал автор, я бы бросил бы даже на половине написать так и столько ))))))))))))))
Re: Опель. Хождение по мукам или свет в конце тоннеля.
Прочитал запоем. Изложено и систематизировано великолепно. Боюсь что затеряется в разделе проекты и поэтому все нужно продублировать в раздел - мониторы.