Вложений: 2
Замена штатного GVIF дисплея. Нужны советы.
Всем привет.
Захотелось мне андройд-приложениями пользоваться в дророге.
Попал мне в руки GVIF интерфейс с RGB-входом 480x234.
И все вроде бы хорошо, но я нигде не смог найти Android-девайса который мог бы работать на таком разрешении. Более того поиздеваашись над смартфоном с помощью SecondScreen и выставив 480x234 я понял что далеко не весь софт под андройд корректно работает на таком разрешении.
Желание топать в этом направлении отпало.
Исходные данные:
Автомобиль opel insignia
Штатная голова navi600 запаковывает 18-битный RGB в GVIF посредством Sony CXB1457R далее по 2-wire соединению идет в родной монитор где распаковывается CXB1458R и выдает картинку на матрицу.
http://compcar.ru/forum/attachment.p...4&d=1436883293
Все это безобразие в убогом разрешении 480x240.
Появилась другая идея.
Вытащить штатное изображение на нормальный FULL HD дисплей
Тут вариантов парочка:
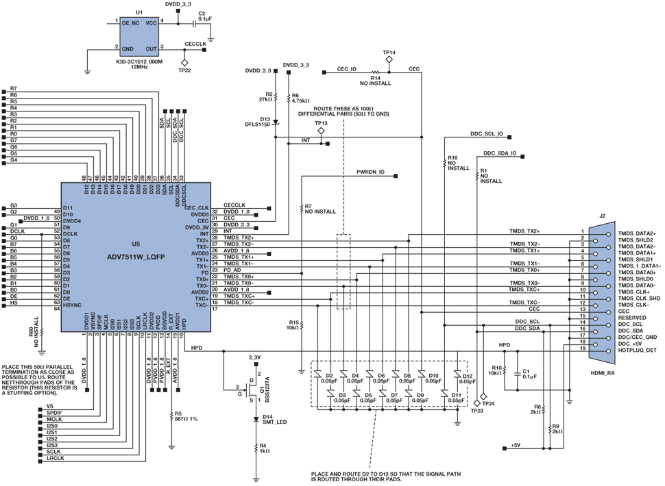
1) Забираем RGB из магнитолы, конвертим его в HDMI по схеме
http://compcar.ru/forum/attachment.p...5&d=1436883293
Итого:
+Не надо разбираться с CXB1457R/CXB1458R (даташитов нет есть только на очень похожие аналоги CXB1455R/CXB1456R)
+Понятый RGB сигнал
+Можно поэкспериментировать на интерфейсе прежде чем лезть в голову.
-Лезем в голову, вандалим, в случае ошибки попадаем на бабло.
2) Покупаем CXB1458R пытамся ее завести по даташиту на CXB1456R и подгллядывая в родной экран. Получаем тот же самый RGB и дальше конвертим в HDMI по схеме из п.1
Итого:
+ Нигде не вандалим
+ Подклчаем в разъем вместо штатного дисплея.
-Нет правильного даташита.
Не известно как отреагирует на отсутсвие родного дисплея голова.
И самый главный вопрос — на выходе мы получим HDMI 480x240
Как это разрешение отконвертить для работы с FULL-HD экраном? Что будет если мы тупо воткнем HDMI? Покажет дисплей что нибудь? как растянет?
В идеале я бы хотел отресайзить изображение до 1920x960 и поместить в центре FULL-HD монитора чтобы сверху и снизу были поля (ТК пропорции рамки останутся родные — 2:1 и эти части экрана будут невидимы)
Поделитесь своими мнениями ПЛЗ?!