Вложений: 8
Centrafuse Plugin и Arduino
Для тех кому нужны дополнительные кнопки в автомобиле и нет желания портить интерьер , то это решение как раз для вас.
Плагин создал MarcelP.
Скачать плагин для CF2
Скачать плагин для CF3
Скачать плагин для CF3.5
Купить Arduino Nano
Максимальное число кнопок в плагине 16, изменить можно в настройках.
Максимальное возможное количество подключаемых реле к arduino не более 16 шт. Минимальное 1шт.
В настройках подпишите кнопки и выберети номер порта на котором у вас в системе зарегистрирован Carduino
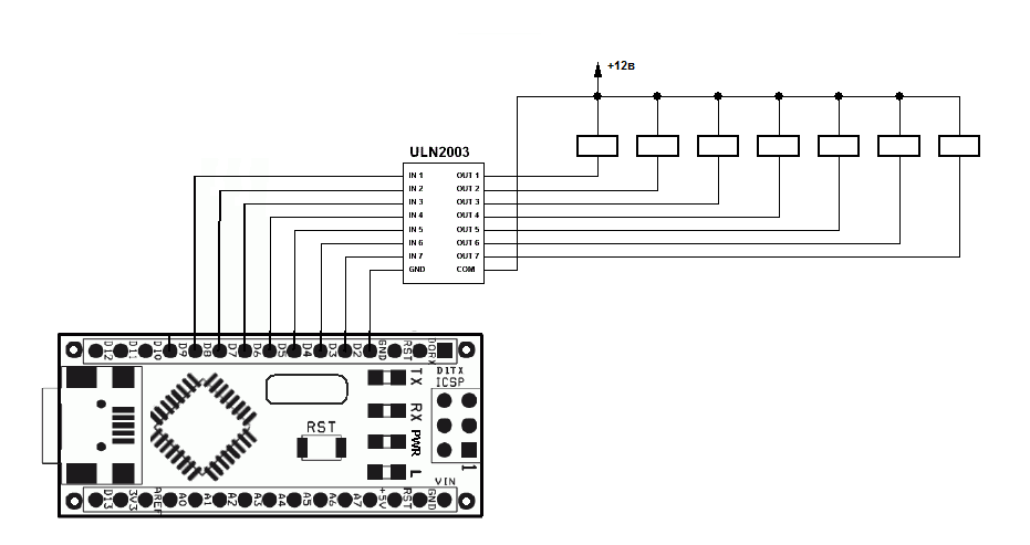
В качестве USB девайса используем Arduino Nano
Вложение 6280
Если не нужно управлять большим колличеством устройств можно купить Relay module
Еще один более простой вариант подключения реле
Вложение 11577
Исходник разведенной платы на микросхеме ULN2003 от ASSAD. Лучше применить микросхему ULN2803 так как у нее 8 ключей
Вложение 6279
Можно купить готовый блок на 8 реле
Мастеркит NM4412
http://www.compcar.ru/forum/attachme...9&d=1286639925
Протокол общения arduino с Plugin:
Plugin шлет три байта
первый байт - преамбула всегда равен FF
Второй байт - выбор реле от 1 до 16
Третий байт переводит состояние выхода, 1=включение, 0=выключение
Код для rduino Nano:
PHP код:
void setup()
{
// выходы управления реле
for (int i=2; i < 10; i++)
{
pinMode(i,OUTPUT);
digitalWrite(i, LOW);
}
// инициализация порта
Serial.begin(9600);
}
void loop()
{
byte a, b, c;
if (Serial.available() > 2) // ждем данные от плагина
{
a = Serial.read();
b = Serial.read();
c = Serial.read();
if(a == 0xFF) //если данные от плагина, то выполим команду
{
digitalWrite(b+1, (c==0x01) ? HIGH : LOW); //выполнить
} } }
Скетч для реле модулей с инверсией
PHP код:
void setup()
{
// выходы управления реле
for (int i=2; i < 10; i++)
{
pinMode(i,OUTPUT);
digitalWrite(i, HIGH);
}
Serial.begin(9600);
}
void loop()
{
byte a, b, c;
if (Serial.available() > 2) // ждем данные от плагина
{
a = Serial.read(); //дискриптор
b = Serial.read(); //номер реле
c = Serial.read(); //состояние реле
if(a == 0xFF) //если данные от плагина, то выполим команду
{
digitalWrite(b+1, (c==0x01) ? HIGH:LOW ); //выполнить
} } }
Вложение 6279Вложение 11578Вложение 7810
Re: Centrafuse Plugin и Arduino
Re: Centrafuse Plugin и Arduino
Хорошо бы подобный плагин и для Road Runner.:)
Re: Centrafuse Plugin и Arduino
До РР все ни как руки не доходят.
Re: Centrafuse Plugin и Arduino
[QUOTE=Chip;45276]
Максимальное число кнопок в плагине 16, изменить можно в настройках.
Максимальное возможное количество подключаемых реле к Carduino не более 12 шт. Минимальное 1шт.
[QUOTE]
Добрый день
а не подскажите какое реле здесь можно использовать?
Re: Centrafuse Plugin и Arduino
Любое 12в реле , только без фанатизма :)
Желательно такие же как в автомобильных сигнализациях стоят.
Re: Centrafuse Plugin и Arduino
[QUOTE=igor1978;50585][QUOTE=Chip;45276]
Максимальное число кнопок в плагине 16, изменить можно в настройках.
Максимальное возможное количество подключаемых реле к Carduino не более 12 шт. Минимальное 1шт.
[QUOTE]
С чего же такое ограничение ? Железка собрана на Меге 168, или 328 порты аналоговых входов можно использовать как цифровые входы-выходы, достаточно лишь прописать их инициализацию. ;)
Re: Centrafuse Plugin и Arduino
Все верно, только не стал заморачиватся. Думаю в машине 16 выключателей очень много. Восем в самый раз.
Re: Centrafuse Plugin и Arduino
а можно ли таким плагином делать тот же обогрев временным?
ну, нажал кнопку, обогрев включился, а через 5 минут автоматом выключился ;)
и еще можно ли эту схему (связка Arduino и данного плагина) использовать чтобы крутить сервоприводы? ;)
Re: Centrafuse Plugin и Arduino
В настройках плагина есть возможность устанавливать время выключения