Управление шаговым двигателем
Здраствуйте, хотелось бы сделать управление шаговым электродвигателем – биполярный двухфазный, думаю реализовать на arduino, но в программировании не силен да и arduino пока не приехал (завтра буду оплачивать только). Нужно для управления распределением воздушных потоков на авто 2110, т.к. при установке монитора придется отказаться от механического регулятора, но совсем терять данную функцию очень не хочется.
Может кто нить поможет с кодом для ardino? если это вообще реально.
и какой драйвер использавать для двигателя uln2003 может быть?
Re: Управление шаговым двигателем
Если монитор не слишком большой, то можно и оставить рычажок регулятора потоков на месте (если панель низкая, на высокой не помню как сделано) только снять резиновый наконечник... Кстати есть готовая рамка под 7дюймовый монитор... Если нужно, могу предложить...
Re: Управление шаговым двигателем
Цитата:
Сообщение от
digijim
Если монитор не слишком большой, то можно и оставить рычажок регулятора потоков на месте (если панель низкая, на высокой не помню как сделано) только снять резиновый наконечник... Кстати есть готовая рамка под 7дюймовый монитор... Если нужно, могу предложить...
Спасибо. А можно фото рамки? хотел ставить пока eee pc701 уже располовинил шлейф удлинил, бп есть и т.д.
Вложений: 1
Re: Управление шаговым двигателем
Re: Управление шаговым двигателем
А по поводу управления потоками, я думаю через Carduino можно управлять сервоприводом... А можно и так http://forum.pccar.ru/showthread.php...%EE#post106981
Re: Управление шаговым двигателем
Цитата:
Сообщение от
digijim
Спасибо!!! сейчас посмотрю.
написал в личку по поводу рамки чтоб тему не раздувать.
Re: Управление шаговым двигателем
Re: Управление шаговым двигателем
Цитата:
Сообщение от
Chip
Мне не надо управлять печкой, мне нужно управление только одним шаговым двигателем с кнопок или с компьютера. нажал кнопку шаговый двигатель сделал например 400 шагов переключил воздух на стекло, другая кнопка в ноги ище 400 шагов например, третья в салон. Кнопки подключить к carduino или с экрана монитора управлять.
Вся проблема в коде для arduino.
Chip может вы поможете в данном вопросе?
Вложений: 1
Re: Управление шаговым двигателем
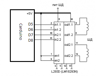
Вот схема драйвера ШД
Вложение 7466
И пример кода для Arduino
PHP код:
#include <Stepper.h>//подключить библиотеку
#define STEPS 100 // полное колличество шагов в одном обороте вашего ЩД
Stepper stepper(STEPS, 5, 6, 7, 8); // создать экземпляр класса , определить пины управления драйвером ШД
void setup()
{
stepper.setSpeed(30);// скорость вращения вашего ШД, хх оборотов в минуту
}
void loop()
{
// if(ваше условие)
stepper.step(10); // сделать 10 шагов
}
Re: Управление шаговым двигателем
На практике не проверял, но библиотека рабочая, так что должно работать.