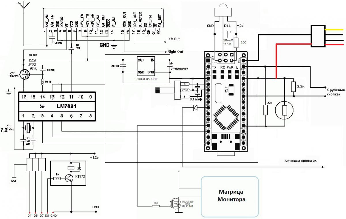
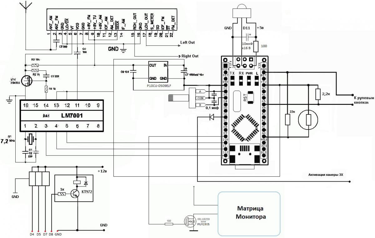
Всем привет. Я новичек в этих делах,:( но решил занятся, учусь быстро, если что не так сильно не пинайте. Нарисовал схему 7 устройств, а именно: ИК-приемник, FM, управление подсветкой, резистовые кнопки, управлеине камерой ЗХ, энкодер и управление 4 нагрузками.
Вот схема
Вложение 11541
Если где накосячил с элементами, или что-то не так или не там, попрошу поправить меня. :)

