А схема кнопок есть?
Вид для печати
А схема кнопок есть?
chip, есть пара вопросов по адаптеру.
Покупал адаптер на carmonitor.ru
1. Как будет работать адаптер в хабе D-link DUB-H7 ? В компе слишком мало USB , есть желание подключить к хабу . Хаб будет находится в торпеде с дополнительным питанием.
2. Есть ли какие нибудь тонкости подключения согласно такой схемы
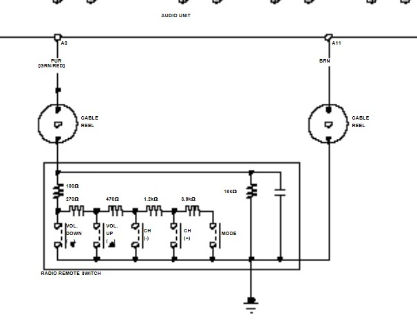
http://img825.imageshack.us/img825/8874/4spokeshema.png
3. Не могу понять как подключается кнопка голосового набора находящаяся на правом блоке кнопок (не понимаю где она на схеме)
http://img194.imageshack.us/img194/1065/4spoke.png
Спасибо :)
1- должен работать, я не проверял
2-нужно соединить SW1+SW2 между собой через резистор 200 ом
Подключил кнопки в машине, резистор поставил по вашей рекомендации 200ом
1.У кнопок off hook и vol + получилось практически одинаковое сопротивление.
542 и 545 (по показаниям hotkey.exe), показания плавают от 3-5 единиц, что можно сделать?
2. Возможно ли как то в программе учитывать длительное и короткое нажатие рулевых кнопок ? хочется добавить на кнопки seek+ и seek- возможности перемотки трека при длинном нажатии.
3. Адаптер конфликтуют с адаптером elm327 (ftdi), возможно ли исправить ситуацию по этой инструкции http://www.compcar.ru/forum/showpost...77&postcount=1
4. В программе Hotkey.exe удалил все звуки из папки, а она все равно пищит при запуске . Как можно этот звук отключить ?
Может быть ты поставил не 200 ом?
(Vol+)-1к и (Hook)-1к, в итоге должно получится 1,2к и 1к
Chip, скорей всего перепутал так как была горсть этих резисторов, может не тот подключил. Сегодня придется разбирать и проверять :).
P.S: Chip , можешь ответить на остальные вопросы ?
2-можно, для этого нужно залить другой скетч
3-решаемо
4-нужно не удалять а заменить на пустой wave с тем же именем
Добрый день, тут уже задавались вопросы, но как можно подключить адаптер параллельно штатным кнопкам так, чтобы ничего не требовалось вручную переключать? Просто на магнитоле используется стандартное радио и сд, а carPC только в режиме aux.
Спасибо
PS: просто однозначного ответа не нашел, я так понимаю можно теоретически замерить выходное напряжение на магнитоле в моменты нажатия и бездействия кнопок и уже исходя из этого сделать соответствующую прошивку адаптера?
Вложение 13003
А если включена магнитола и компьютер?Цитата:
просто однозначного ответа не нашел, я так понимаю можно теоретически замерить выходное напряжение на магнитоле в моменты нажатия и бездействе исходя из этого сделать соответствующую прошивку адаптера?
Как вариант , можно переключать с компьютере на магнитолу определенной комбинацией кнопок, но это только индивидуально под каждый автомобиль прошивку править , так как у всех разные сопротивления
Регулировка громкости должна оставаться на магнитоле. Вообще главное чтоб они работали параллельно: в режиме aux на магнитоле работают кнопки громкости и mode, кнопки CH+, CH- ничего не меняют, вот их и надо чтоб ловил компьютер. В случае же если aux отключен то мне абсолютно все равно что там кнопки отправляют в комп, он все равно не является источником вывода звука. А по поводу параллельного подключения проводов... не очень разбираюсь, но разве если убрать питание с адаптера и использовать его просто как вольтметр он не будет работать? Магнитола то постоянно выдает свои +12 ил что то там.