Re: Запуск автомобиля с голоса
В сигнализация Aps тоже во всех что разбирал 7805 в таком же корпусе. 05 это напряжение. Ток у них 100ма, но без радиатора корпус много тепла не рассеет. В зависимости от корпуса, 50-70 мА это максимум. Раз ток 10-20мА, имхо, вполне можно применить. Я бы примерно так сделал: на входе пред, потом Шоттки, потом TVS на землю вольт 15-25, потом электролит около 1000мкФ с керамикой 0,1мкф, далее 7805 и на выходе 100-470мкФ с керамикой. На ногах питания МК тоже керамика.
Re: Запуск автомобиля с голоса
Цитата:
Есть вопрос у меня на лампочку зарядки стоит реле вот думаю заменить его на оптрон сэкономлю пространство и не будет щелчка при запуске Chip можно ли так сделать?
Бесспорно оптрон лучше
Re: Запуск автомобиля с голоса
Еще вопрос теоретически с таким потреблением можно оставлять все устройство под постоянным питанием?
Re: Запуск автомобиля с голоса
Надо смотреть суммарное потребление. Есть же еще сигнализация и, возможно, еще что-то. Больше 80-90мА, наверное, на постоянку включать не стоит. А точно есть необходимость в постоянном питании? Включать/выключать же можно не обязательно по зажиганию. Например там постановка на охрану или по таймеру. Как вариант еще спящий режим.
Вложений: 2
Re: Запуск автомобиля с голоса
Да действительно, у меня все запитывается при снятии с сигнализации, по этому когда авто на охране, потребление получается 0.01 - 0.02 А. Благо в интернете полно вариантов вот самый простой и надежный на мой взгляд вариант:
Вложение 17953
я беру оптрон и через него питаю Arduino
Вложение 17954
это лишь пример на конкретной картинке)))
Почитал немного про спящий режим - внешним прерыванием как раз и может служить сигнализация, а если сигнализации нет??? Еще вопрос по Arduino понятно, но у меня еще остается модуль распознования голоса, как с ним поступать, если его обесточить, то получится при его полном включении (работоспособности) должно пройти 3 секунды!!! Как тут быть? :confused:
Re: Запуск автомобиля с голоса
резистор перед оптопарой не забудь. но я бы полевик поставил. если питание не на кренке будешь делать, а, например, на LM2576, можно ногу EN задействовать. источником прерываний может быть например блютус модуль или еще что-то - зависит от задач. 3 секунды немного, пока с охраны снимешь, в машину сядешь, они и пройдут.
Re: Запуск автомобиля с голоса
Да я понял, так там есть резистор 2 кОм этого мало? По поводу прерываний понятно)) Предположим, такую систему себе захочет поставить клиент, на каком нибудь Jeep Grand Cherokee 2014 г выпуска. Там есть штатная сигнализация, которая его будет полностью устраивать, соответственно откуда взять внешние прерывания??? Хочется еще и простоты установки, как на сигнализациях, подключил питание и забыл )))
Re: Запуск автомобиля с голоса
да. за резистор согласен. при условии, что на выходе сигнализации высокий уровень не появляется, что маловероятно. прерывание можешь например на концевик двери повесить. дверь открылась - проснулось, а в сон уже по другому условию. типа выключил зажигание - ждем пока дверь откроется и потом все закроются (плюс задержку добавить) и в сон уходим. вариантов много
Вложений: 1
Re: Запуск автомобиля с голоса
С дверью слишком сложно, может появится путаница, а я думал сделать датчик присутствия, сел кто нибудь, все работает, встал и через 2 минуты все уснуло!! Кстате, его можно расположить в микрофонном модуле в козырьке.
Вот, что то типо ИК диода и приемника
Вложение 17955
Вложений: 2
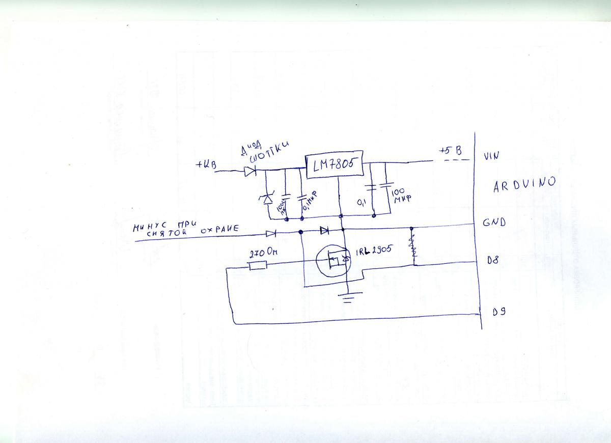
Re: Запуск автомобиля с голоса
Сегодня размышлял по поводу питания! Значит от датчика присутствия я пока отказался и сосредоточился, на питании от сигнализации, в сон загонять не буду. Значит, что из этого получилось: во первых составил схему обвязки LM7805 по совету manu_245 и то как все это будет работать с сигнализацией:
Вложение 17960
и накидал новую обвязку ардуино
Вложение 17962
приветствую любую критику хочется узнать ест ли слабые места у этой схемы?