Не боись будет 100% у тебя ардуина управляет минусом реле ,а авто-замену я не делал я сам все переписывал в ручную :),а что есть прога авто-замены ща верну отпишусь
Вид для печати
Не боись будет 100% у тебя ардуина управляет минусом реле ,а авто-замену я не делал я сам все переписывал в ручную :),а что есть прога авто-замены ща верну отпишусь
А для чего этот модуль http://www.ebay.com/itm/5V-4-Channel...item565b4f4766
И куда она ставится
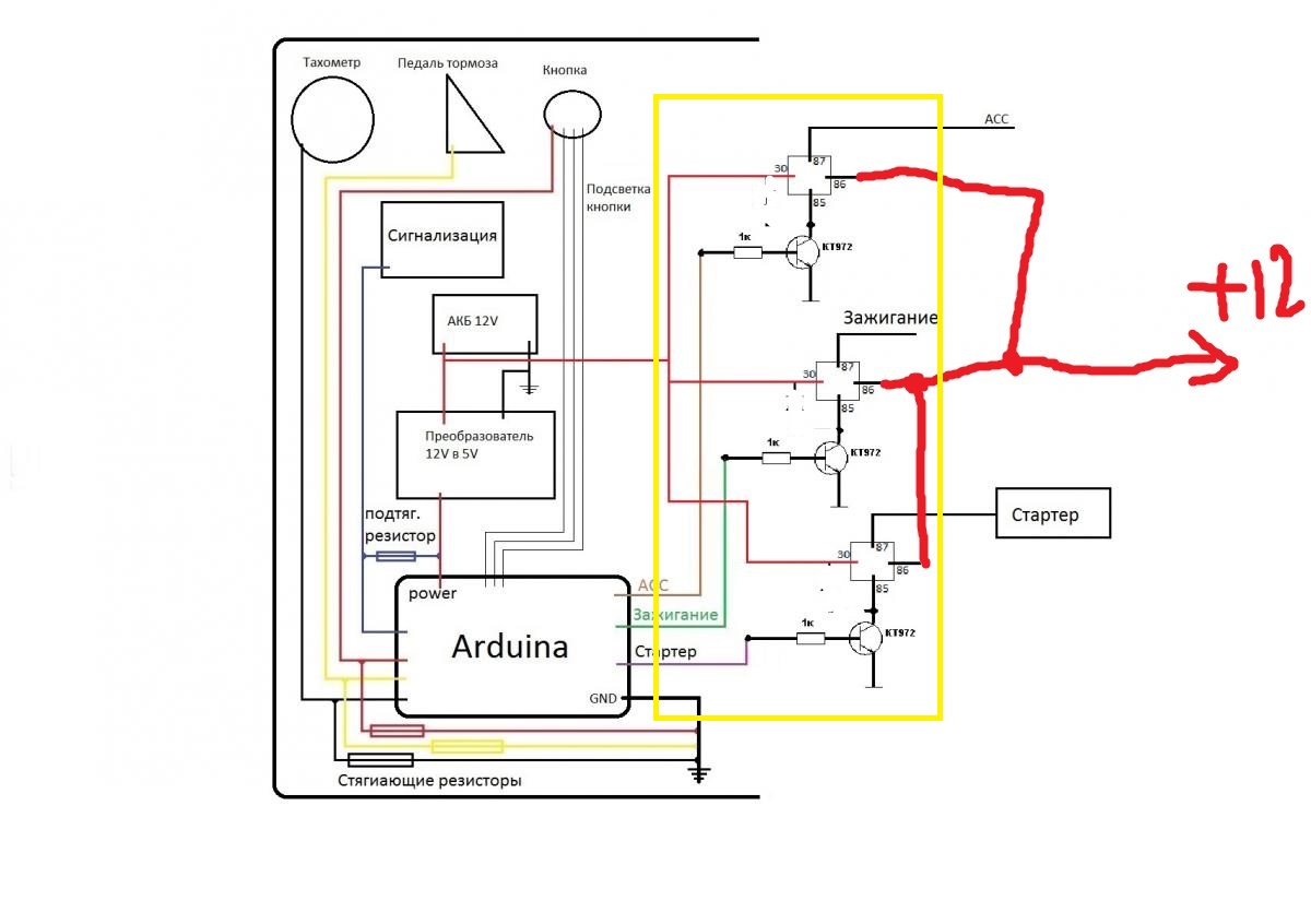
Ура пошел код точно там умножение.Это блок реле чтоб сопли не лепить.Один минус нужно будет 1 реле усиленное ставить которое на acc идет.
Получается это и есть модуль
Вложение 17469
в коде еще глюк или не точность ну в принципе как есть только вод под эти изменения схемы
Вложение 17470
да точно это и есть силовой модуль только смотри реле acc там ток большой бывает свет, печь ,подогрев, все через него в основном
Вложение не открывается залей еще раз
все равно не могу открыть:(
На стартер и на зажигание вывести с модуля а на АСС с отдельной реле или как??
вот модуль защиты
Вложение 17473