Неплохо получается.
Завидую я вашему терпению.
Вид для печати
Неплохо получается.
Завидую я вашему терпению.
Проблеммы решаем по ходу их возникновения.
Решил на рамку закрепить еще и HUB и контроллер клавы и в итоге получился такой вот пирог:
http://compcar.ru/forum/attachment.p...1&d=1213842499
http://compcar.ru/forum/attachment.p...1&d=1213842670
Окончательно определился с подсветкой:
http://compcar.ru/forum/attachment.p...1&d=1213842758
http://compcar.ru/forum/attachment.p...1&d=1213842758
Ну и за бороду взялся...
Сделал макет и получилось вот что:
http://compcar.ru/forum/attachment.p...1&d=1213842916
Прикуривателей приобретено для этого 3 вида, но остановился на том, что от ТАЗ 2112. Буду доводить, но пока не понятно что делать с кнопками около тача и может добавить USB порт? :-(
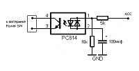
И катострофически не хватает времени. Ведь нужно закончить с эмулятором CD и читалкой/писалкой в шину, чтобы использовать кнопки аудиосистемы...
Класно получилось а главное без соплей и аккуратно, особенно понравилось как тачпад встроен. (только вот панель монетора я бы в матовый покрасил)
Ждем фото, как будет выглядеть в машине :)
Доделал бороду.
Получилось плохо :-(
http://compcar.ru/forum/attachment.p...1&d=1215408312
Поздравляю. Хорошо получилось.
А что это за болт с пружинкой торчит?
А что тебя не устраевает? судя по фото неплохо даже очень не плохо (только вот цвет я бы другой взял, но на вкус и цвет......)Цитата:
Сообщение от NSMax
Это MultiLock, в простанородье "штырь в коробку".Цитата:
Сообщение от Chip
Не аккуратно както получилось. А цвет бороды родной вроде :-)Цитата:
Сообщение от XsanderS
После долгого перерыва почти в год продолжу. Хотя данный инстал парктроника не имеет прямого отношения к компу в машине, но тем не менее будет являться частью общей системы.
Процесс снятия бампера в фотографиях полностью я не делал поэтому опишу на словах.
1) из багажника откручиваем задние фары, каждая прикручена 3-мя "барашками"
2) При помощи пинцета снимаем клипсы с бампера и внутренней обшивки левой стороны заднего плафона
http://compcar.ru/forum/picture.php?...4&pictureid=87
3) Снимаем брызговики
4) Срезаем пластиковые клипсы под задними крыльями
5) Откручиваем гайки которые находятся в нишах задних плафонов
6) Аккуратно тянем бампер до снятия.
Вроде процесс снятия описал
На этой фотографии снятый бампер с приклеенным на него строительным скотчем и линейками, напечатанными на принтере. На бампере практически нет ни одной прямой линии, поэтому я так и извратился.
http://compcar.ru/forum/picture.php?...4&pictureid=84
Это линейки крупнее.
http://compcar.ru/forum/picture.php?...4&pictureid=83
После разметки сверлим коронкой 19 мм отверстия под датчики и 25 мм под камеру (отверстия по камеру на фоте еще нет).
http://compcar.ru/forum/picture.php?...4&pictureid=82
Аккуратно, чтобы не повредить резинки устанавливаем датчики и укладываем в гофру провода внутри бампера.
http://compcar.ru/forum/picture.php?...4&pictureid=85
Ввод проводов в багажник через резинку и нейтральный силиконовый герметик.
http://compcar.ru/forum/picture.php?...4&pictureid=81
Далее устанавливаем собственно бампер.
http://compcar.ru/forum/picture.php?...4&pictureid=86
Крепим электронный блок к нише плафона с нижней стороны
http://compcar.ru/forum/picture.php?...4&pictureid=79
http://compcar.ru/forum/picture.php?...4&pictureid=80
Провод к монитору я протянул под пластиковым порожком внутри салона до блока предохранителей, а вот пьезодинамик поставил в нишу вместе с динамиками. На фото блок предохранителей со снятой крышкой.
http://compcar.ru/forum/picture.php?...4&pictureid=78
Собственно клеим мониторчик из комплекта. В него очень все плохо видно, но как понимаете решение временное :-)
http://compcar.ru/forum/picture.php?...4&pictureid=77
В последнюю очередь, после проверки работоспособности системы крепим бампер на место, но вместо заклепок я использовал вот это:
http://compcar.ru/forum/picture.php?...4&pictureid=88
http://compcar.ru/forum/picture.php?...4&pictureid=89
В итоге крепление получилось таким (извините фотографировал на следующий день, потому и грязное немного)
http://compcar.ru/forum/picture.php?...4&pictureid=90
И так продолжение!
Наконец звезды встали в парад и не долго думая я решил продолжить проект.
Основной целью на данном этапе было а) прокладка кабелей от аккумулятора в багажник; б) установка монитора; в) подключение парктроника к монитору (а то нифига не видно в 2"5 дисплей); г) чистка печки и уборка за панелью с целью уменьшения скрипов.
Рассказывать собственно особо нечего.
Провода в багажник 10 квадратов,
Провода под торпедо 4 квадрата.
Для начала была снята торпедо и усилители кузова.
Вид на печку:
http://www.compcar.ru/forum/picture....&pictureid=102
Это снятая торпедо
http://www.compcar.ru/forum/picture....&pictureid=103
Аккумулятор находится со стороны пассажира под крылом, а как видно из фотографии пространство под торпедо, с этой стороны, все занято климат-контролем. Это пожалуй и было самой большой проблемой, т.к. провода, по началу, не представлялось возможным проложить с этой стороны. А делать так как это сделал Chrysler, т.е. увести их от аккума влево а потом в салоне увести вправо и тогда прокладывать в свободной нише возле порога сильно не хотелось. В раздумиях над этой проблемой было промыто все что возможно, то что было снято по ходу демонтажа торпедо. А снято было практически все :-) Тут и элементы декора и воздушные каналы идущие в зону пассажиров в кормовой части авто. (на фото только часть барахла)
http://www.compcar.ru/forum/picture....&pictureid=104
Таки проведя н-ное количество времени в раздумиях я всетаки решился прокладывать провода по прямой. Т.е. от аккума до багажника без изгибов и загигулин. Для этого провода были аккуратно запакованы в гофру и собраны в "пукан". Далее просверлены 2 отверстия: 1-е в панели под дворниками в подкапотном пространстве:
http://www.compcar.ru/forum/picture....&pictureid=107
2-е в крыле под пластиковым кожухом, я его не сфотографировал.
Далее все было закрыто вибропластом и в местах возможного проникновения влаги обильно промазано нейтральным силиконовым герметиком:
Это под крылом
http://www.compcar.ru/forum/picture....&pictureid=108
Это в нише воздухозаборника климат-контроля
http://www.compcar.ru/forum/picture....&pictureid=106
Ну и как пологается были разделаны концы кабелей и привинчены к гайкам штатных дистрибьюторов питания авто. По понятным причинам VIN замазан
http://www.compcar.ru/forum/picture....&pictureid=110
http://www.compcar.ru/forum/picture....&pictureid=105
В салоне не сильно замарачиваясь кабели были проложены вместе со штатной проводкой.
http://www.compcar.ru/forum/picture....&pictureid=109
Далее все гораздо проще - сборка помытых и почищеных деталей и вот вам итог:
http://www.compcar.ru/forum/picture....&pictureid=111
Ждите продолжения в ближайшие дни :-)
PS по времени это с 8 утра субботы по 2 ночи воскресения. И особое спасибо клубню Максиму :-)