KKA1978, вложение не открывается
Драйвер подсветки собрал на Tps61500. Полет нормальный.
Вложение 19392
Вид для печати
KKA1978, вложение не открывается
Драйвер подсветки собрал на Tps61500. Полет нормальный.
Вложение 19392
я давно на них делаю)))
Продолжаю изобретать велосипед)
Пока получилось:
1. написать хедер для DJ080, все работает
2. выводить свой логотип при включении монитора и отсутствии сигнала. похоже, есть ограничение по размеру, пока все не осознал
3. убрать синий экран
4. в исходниках не было функции автопереключения. дописал
Вложение 19393
Привет. Есть подвижки по прошивке? очень нужная тема...
прописал автоматическую регулировку яркости силами rtd без внешнего контроллера. управление по i2c пока не победил.
Подключил второй аккумулятор. Пока полет нормальный.
Сама батарейка такая:
Вложение 19399
Схема проста и незатейлива. По сути просто реле и токоограничивающий резистор.
Вложение 19407
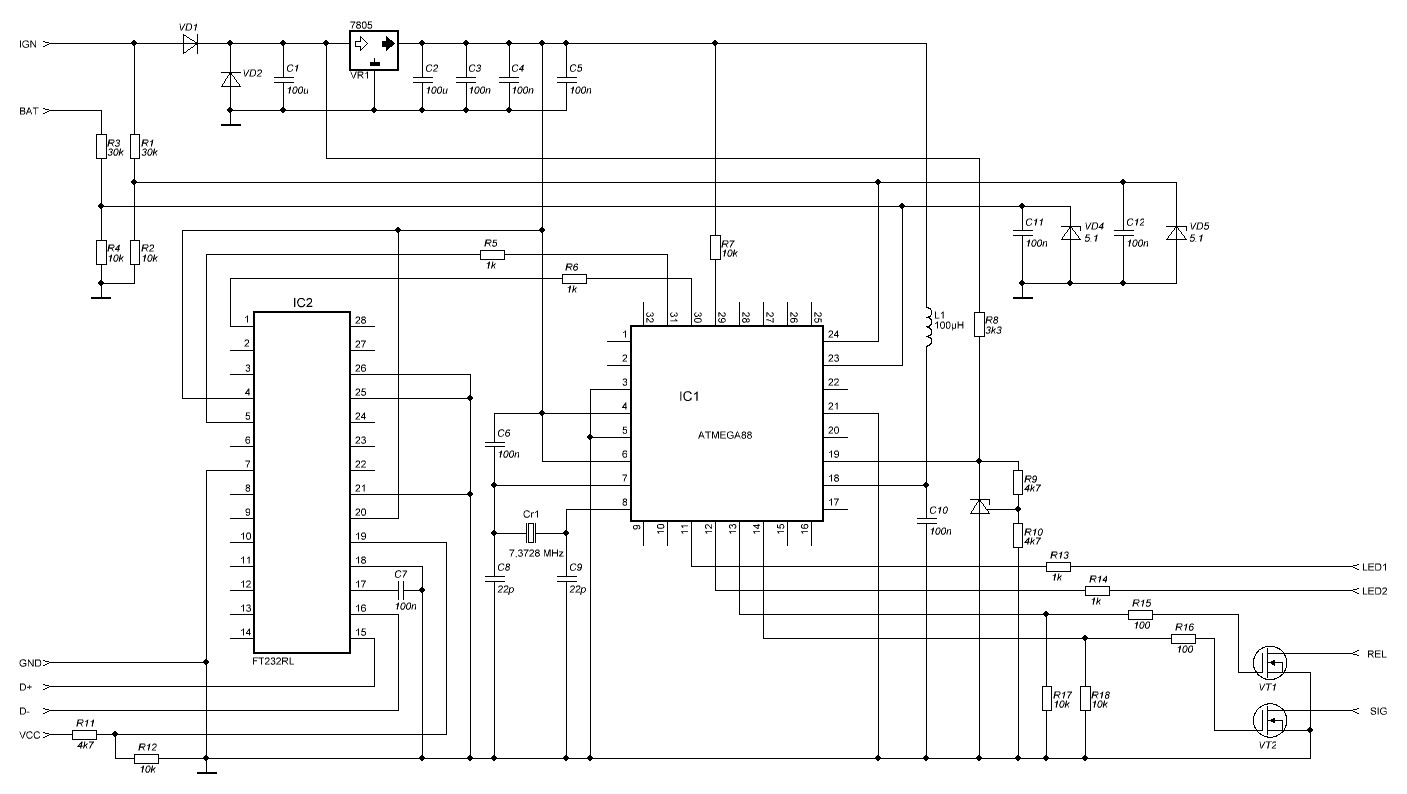
Схема контроллера:
Вложение 19411
Логика работы контроллера:
Стартовый режим
1. Включаемся по зажиганию
2. Измеряем напряжение на маленьком аккумуляторе .
2.1. Если оно выше заданного порога(small_level выставил около 11 В), ожидаем пока напряжение бортовой сети превысит порог(main_high выставил 13,2В). Когда превысит, включаем реле, индикацию заряда и идем в режим заряда.
2.2. Если порог small_level не достигнут в течение установленного времени, выдаем ошибку и дальше ничего не делаем.
Режим заряда
3. Измеряем напряжение бортовой сети.
3.1. Если в течение заданного времени оно будет ниже порога main_low (выставил 13,0В), отключаем реле и идем в 2.1.
Контроль аккумулятора перед включением заряда нужен во избежание подключения сильно разряженного элемента и, таким образом, получения чрезмерного зарядного тока.
Подключение дополнительной батареи происходит только при заведенном двигателе, то есть он ни при каких условиях не разряжает основную батарею. Резистор 0,68Ом 50Вт, во-первых, предназначен для ограничения стартового тока, который на этом аккумуляторе не должен превышать 5,1А. Считал как (14В-11В)/5,1А=0,59Ом. Во-вторых, по падению напряжения на резисторе определяю зарядный ток, но только примерно, с не очень высокой точностью.
В режиме ожидания, батареи полностью разъединены, на каждой свои потребители. Возможен выбор источника питания каким-либо устройством, но это уже его внутренняя схемотехника.
Железка получилась следующая:
Вложение 19400
Информация о состоянии батареи, напряжении бортовой сети, токе заряда выводится с помощью простенькой программки.
Вложение 19401
Из нее же меняются настройки пороговых напряжений и временных задержек.
В архивах исходники и управляющая программа.
Вложение 19404
Дописал немного прошивку монитора.
Имеется:
1. Контроль переключения задней передачи в основном цикле. Во избежание старта в режиме AV после выключения на передаче. Для этих же целей отключена запись канала во флеш - всегда старт с vga.
2. Черный экран при отсутствии сигнала, выключается подсветка.
3. Плавное управление яркостью подсветки силами rtd2660. В процессе отказался от полностью рабочей обработки фоторезистора в пользу кнопки день/ночь с настройкой ночной яркости из меню монитора. Мне достаточно такого варианта. Карта зависимости яркости от освещенности требует возможности настройки без перепрошивки. А это очень немалое количество переменных в меню. Да лень просто было OSD функции прописывать))
Картинка радует, полет нормальный.
Вложение 19425Вложение 19426Вложение 19427
Подскажите,где можно почитать что бы самому состряпать прошивку,у меня такая же матрица но китайская прошивка меня не устраивает.
Есть ещё самописная прошивка но в ней другое разрешение матрицы и я не знаю в каком месте бинарника изменить байты для смены разрешения
и исходников нет(а эта прошивка меня полностью устраивает).Вот и прошу у Вас помощи что бы направили в правильное русло меня.Спасибо.
Что-нибудь подробное мне найти не удалось. Так что, остается даташит. В нем, как ни странно, все написано.
Править бинарник не самая лучшая идея. Разрешение то там можно поменять, правда в железе не тестил такую прошивку. Таймер, допустим, тоже считается. А вот битность бинарником легко не настроишь, она в коде многократно используется и влияет на множество переменных. Правильный вариант это переписывать исходник под свои задачи.
Пожалуйста подтолкните в правильном направлении как самому написать прошивку(где взять исходники,основные принципы и т.д.),заранее Благодарен Вам
за ответ.
Учебник я не напишу) Исходники легко гуглятся и качаются с github. Дальше все зависит от задач. Если только разрешение матрицы изменить, то правим хедер и все. Если яркость/кнопки/каналы/автопереключение, то здесь полная свобода)
Не могу отправить сообщение, личка видимо переполнена.