Страница 9 из 10 ПерваяПервая ... 345678910 ПоследняяПоследняя
Показано с 81 по 90 из 92

Тема: manu_245 CarPC

  1. #81
    Продвинутый
    Регистрация
    15.12.2008
    Возраст
    40
    Сообщений
    229
    Вес репутации
    417

    По умолчанию Re: manu_245 CarPC

    KKA1978, вложение не открывается

    Драйвер подсветки собрал на Tps61500. Полет нормальный.
    Нажмите на изображение для увеличения. 

Название:	tps.png 
Просмотров:	2745 
Размер:	889.9 Кб 
ID:	19392

  2. #82
    Ломастер Аватар для basurman971
    Регистрация
    13.02.2011
    Возраст
    54
    Сообщений
    396
    Вес репутации
    342

    По умолчанию Re: manu_245 CarPC

    Цитата Сообщение от manu_245 Посмотреть сообщение
    Драйвер подсветки собрал на Tps61500. Полет нормальный.
    я давно на них делаю)))

  3. #83
    Продвинутый
    Регистрация
    15.12.2008
    Возраст
    40
    Сообщений
    229
    Вес репутации
    417

    По умолчанию Re: manu_245 CarPC

    Продолжаю изобретать велосипед)
    Пока получилось:
    1. написать хедер для DJ080, все работает
    2. выводить свой логотип при включении монитора и отсутствии сигнала. похоже, есть ограничение по размеру, пока все не осознал
    3. убрать синий экран
    4. в исходниках не было функции автопереключения. дописал
    Нажмите на изображение для увеличения. 

Название:	logo.png 
Просмотров:	2677 
Размер:	481.7 Кб 
ID:	19393

  4. #84
    Ломастер Аватар для basurman971
    Регистрация
    13.02.2011
    Возраст
    54
    Сообщений
    396
    Вес репутации
    342

    По умолчанию Re: manu_245 CarPC

    Привет. Есть подвижки по прошивке? очень нужная тема...

  5. #85
    Продвинутый
    Регистрация
    15.12.2008
    Возраст
    40
    Сообщений
    229
    Вес репутации
    417

    По умолчанию Re: manu_245 CarPC

    прописал автоматическую регулировку яркости силами rtd без внешнего контроллера. управление по i2c пока не победил.

  6. #86
    Продвинутый
    Регистрация
    15.12.2008
    Возраст
    40
    Сообщений
    229
    Вес репутации
    417

    По умолчанию Re: manu_245 CarPC

    Подключил второй аккумулятор. Пока полет нормальный.
    Сама батарейка такая:
    Нажмите на изображение для увеличения. 

Название:	charger3.jpg 
Просмотров:	2623 
Размер:	406.8 Кб 
ID:	19399
    Схема проста и незатейлива. По сути просто реле и токоограничивающий резистор.
    Нажмите на изображение для увеличения. 

Название:	charger8.JPG 
Просмотров:	2666 
Размер:	33.8 Кб 
ID:	19407
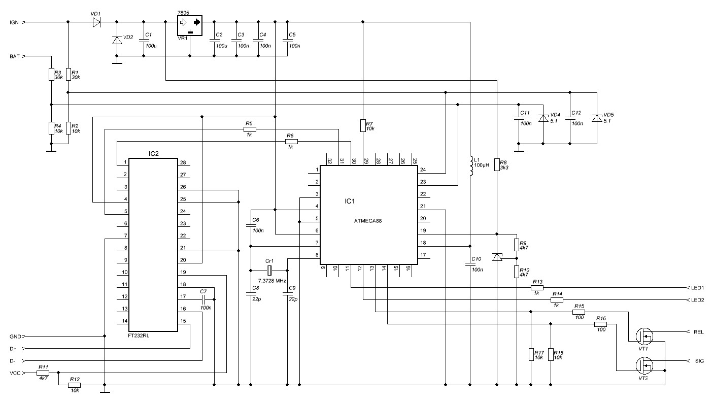
    Схема контроллера:
    Нажмите на изображение для увеличения. 

Название:	charger_scheme.JPG 
Просмотров:	2665 
Размер:	116.2 Кб 
ID:	19411
    Логика работы контроллера:
    Стартовый режим
    1. Включаемся по зажиганию
    2. Измеряем напряжение на маленьком аккумуляторе .
    2.1. Если оно выше заданного порога(small_level выставил около 11 В), ожидаем пока напряжение бортовой сети превысит порог(main_high выставил 13,2В). Когда превысит, включаем реле, индикацию заряда и идем в режим заряда.
    2.2. Если порог small_level не достигнут в течение установленного времени, выдаем ошибку и дальше ничего не делаем.
    Режим заряда
    3. Измеряем напряжение бортовой сети.
    3.1. Если в течение заданного времени оно будет ниже порога main_low (выставил 13,0В), отключаем реле и идем в 2.1.

    Контроль аккумулятора перед включением заряда нужен во избежание подключения сильно разряженного элемента и, таким образом, получения чрезмерного зарядного тока.
    Подключение дополнительной батареи происходит только при заведенном двигателе, то есть он ни при каких условиях не разряжает основную батарею. Резистор 0,68Ом 50Вт, во-первых, предназначен для ограничения стартового тока, который на этом аккумуляторе не должен превышать 5,1А. Считал как (14В-11В)/5,1А=0,59Ом. Во-вторых, по падению напряжения на резисторе определяю зарядный ток, но только примерно, с не очень высокой точностью.
    В режиме ожидания, батареи полностью разъединены, на каждой свои потребители. Возможен выбор источника питания каким-либо устройством, но это уже его внутренняя схемотехника.
    Железка получилась следующая:
    Нажмите на изображение для увеличения. 

Название:	charger2.jpg 
Просмотров:	2638 
Размер:	372.9 Кб 
ID:	19400
    Информация о состоянии батареи, напряжении бортовой сети, токе заряда выводится с помощью простенькой программки.
    Нажмите на изображение для увеличения. 

Название:	charger1.jpg 
Просмотров:	2621 
Размер:	117.1 Кб 
ID:	19401
    Из нее же меняются настройки пороговых напряжений и временных задержек.
    В архивах исходники и управляющая программа.
    Нажмите на изображение для увеличения. 

Название:	charger5.jpg 
Просмотров:	2651 
Размер:	459.5 Кб 
ID:	19404
    Вложения Вложения
    Последний раз редактировалось manu_245; 01.08.2018 в 22:21.

  7. #87
    Продвинутый
    Регистрация
    15.12.2008
    Возраст
    40
    Сообщений
    229
    Вес репутации
    417

    По умолчанию Re: manu_245 CarPC

    Дописал немного прошивку монитора.
    Имеется:
    1. Контроль переключения задней передачи в основном цикле. Во избежание старта в режиме AV после выключения на передаче. Для этих же целей отключена запись канала во флеш - всегда старт с vga.
    2. Черный экран при отсутствии сигнала, выключается подсветка.
    3. Плавное управление яркостью подсветки силами rtd2660. В процессе отказался от полностью рабочей обработки фоторезистора в пользу кнопки день/ночь с настройкой ночной яркости из меню монитора. Мне достаточно такого варианта. Карта зависимости яркости от освещенности требует возможности настройки без перепрошивки. А это очень немалое количество переменных в меню. Да лень просто было OSD функции прописывать))
    Картинка радует, полет нормальный.
    Нажмите на изображение для увеличения. 

Название:	monitor_back.jpg 
Просмотров:	2626 
Размер:	278.0 Кб 
ID:	19425Нажмите на изображение для увеличения. 

Название:	monitor1.jpg 
Просмотров:	2562 
Размер:	370.1 Кб 
ID:	19426Нажмите на изображение для увеличения. 

Название:	monitor2.jpg 
Просмотров:	2592 
Размер:	298.9 Кб 
ID:	19427

  8. #88
    Новичок
    Регистрация
    09.06.2010
    Возраст
    48
    Сообщений
    6
    Вес репутации
    197

    По умолчанию Re: manu_245 CarPC

    Подскажите,где можно почитать что бы самому состряпать прошивку,у меня такая же матрица но китайская прошивка меня не устраивает.
    Есть ещё самописная прошивка но в ней другое разрешение матрицы и я не знаю в каком месте бинарника изменить байты для смены разрешения
    и исходников нет(а эта прошивка меня полностью устраивает).Вот и прошу у Вас помощи что бы направили в правильное русло меня.Спасибо.

  9. #89
    Продвинутый
    Регистрация
    15.12.2008
    Возраст
    40
    Сообщений
    229
    Вес репутации
    417

    По умолчанию Re: manu_245 CarPC

    Что-нибудь подробное мне найти не удалось. Так что, остается даташит. В нем, как ни странно, все написано.
    Править бинарник не самая лучшая идея. Разрешение то там можно поменять, правда в железе не тестил такую прошивку. Таймер, допустим, тоже считается. А вот битность бинарником легко не настроишь, она в коде многократно используется и влияет на множество переменных. Правильный вариант это переписывать исходник под свои задачи.

  10. #90
    Новичок
    Регистрация
    09.06.2010
    Возраст
    48
    Сообщений
    6
    Вес репутации
    197

    По умолчанию Re: manu_245 CarPC

    Пожалуйста подтолкните в правильном направлении как самому написать прошивку(где взять исходники,основные принципы и т.д.),заранее Благодарен Вам
    за ответ.

Страница 9 из 10 ПерваяПервая ... 345678910 ПоследняяПоследняя

Информация о теме

Пользователи, просматривающие эту тему

Эту тему просматривают: 3 (пользователей: 0 , гостей: 3)

Ваши права

  • Вы не можете создавать новые темы
  • Вы не можете отвечать в темах
  • Вы не можете прикреплять вложения
  • Вы не можете редактировать свои сообщения
  •