Re: Помогите подобрать полевик
Спасибо большое. Но у меня есть вопрос по подключению, смотря схему проекта Ardulight, видно, что полевик через резистор (270Ом) просто подключен в выходу Arduino. А разве не надо еще одно сопротивление соединять с землей чтобы не было самопроизвольного открытия полевика?
Вот ссылка на Ardulight: http://cyber-place.ru/attachment.php...7&d=1385717452
Re: Помогите подобрать полевик
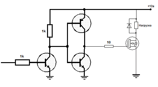
Для Ваших целей нужно использовать драйвер, схему которого Вы выложили выше
Re: Помогите подобрать полевик
Спасибо за оперативные ответы! Буду пробовать
Re: Помогите подобрать полевик
Re: Помогите подобрать полевик
А если я буду использовать не в виде ключа (вкл/выкл), а использовать ШИМ?
Re: Помогите подобрать полевик
Драйвер как раз для использования полевика в режиме ШИМ
Если ШИМ не нужен то и драйвер не понадобится
Re: Помогите подобрать полевик
т.е. если мне нужен простой ключ, то можно использовать схему с поста #21, первую схему ?
Re: Помогите подобрать полевик
Re: Помогите подобрать полевик
Здравствуйте, у меня тоже появился вопрос про транзисторы mosfet.
Хотелось бы реле заменить на транзистор с управлением от arduino, но т.к. я мало что понимаю в электронике прошу вашей помощи. Как я понял N транзистор управляется плюсом, то есть его можно подключить через подтяжку к земле на один из выходов arduino и он будет открываться как только на ножке появится high, это мне как раз и нужно. Вот только судя по схемам что я видел N транзистор всегда замыкает массу, а мне нужно установить его в разрыв плюса. P транзистор может затыкать плюс, но управляется он зараза минусом, что мне не подходит совсем. Что можно придумать? Замыкает нужно 12в 1.5А .
Re: Помогите подобрать полевик
Вам нужен транзистор Р типа