Вложений: 11
Re: Стеклоподъемники с сенсорными кнопками
Всем привет. Опять давно ни чего не писал. Скажу сразу идея переросла в другую! Первое я сменил автомобиль теперь это ваз 21099. Достался он мне уже со стеклоподъемниками! Вроде все хорошо, но все же в прошлом у меня была идея, управлять стеклоподъемниками с рулевых кнопок, которые я планировал в будущем. Так вот поставил я руль от классики он меньше по диаметру и чуть ближе к торпеде и как следствие я уже смог поставить подрулевые переключатели от калины (с классическим рулем до переключателей нормальное расстояние и не надо дотягиваться до них)
Вложение 18432
проводка уже заточена под эту идею:) провода видно на фото
Вложение 18433
Так вот от сенсорных кнопок я отказался сразу по причине того что частенько кладу руку на левую спицу руля а вот классические (обыкновенные) кнопки самое то. Тут у меня возникла делема. Так как руки у меня маленькие то большим пальцем не удобно дотягиваться до кнопок (конкретно в моем случае). А вот подрулевые лепестки самое то!:rolleyes:
С начала я хотел сделать две подрулевые кнопки и одну рулевую, но это было бы очень заморочно. Вскоре я начал рассматривать вариант готового штатного руля :cool: Я рассматривал множество вариантов, главным критерием было цена-удобство. В итоге с владика я заказал мазда руль (3) с муляжом падушки подрулевыми лепестками и кнопками на левой спице (управление музыкой)
Вложение 18434
После того как руль пришел:), я начал разбираться что там да как. Оказывается кнопки там резестивные, лепестки тоже только они завязанны друг с другом
Вложение 18435Вложение 18436Вложение 18437Вложение 18438Вложение 18439Вложение 18440Вложение 18441Вложение 18442
Система будет однопроводная в руль я могу завести 2 провода минус можно взять с рулевого вала.
Вопрос завести плюс 12 В и через стабилизатор сделать 5 вольт для подсветки кнопок и второй провод резестивные кнопки или засти сразу стабилизированные 5 Вольт засунуть туда микроконтроллер (ардуино нано) и второй провод сделать шину данных (работать будет в оностороннем порядке по Rx от руля к контроллеру который уже будет выполнять команды и включать силовые цепи)?У рестивных кнопок есть недостаток одновременное зажатие двух и более кнопок! С контроллером в руле я от этого избавлюсь, но с ним будет сложнее (для меня)! Надо писать ПО для обоих контроллеров и организовать между ними обмен данными. Еще меня интересует как во втором случае организовать зажатие кнопки?
Re: Стеклоподъемники с сенсорными кнопками
1. На маздоруле вроде на так мало кнопок... + прописать длинное/короткое нажатие. Не очень понятно, зачем зажимать несколько кнопок?
2. Обмен по одному проводу не так уж и сложно сделать для поставленной задачи. Хоть двухсторонний, хоть односторонний. По типу к-линии. Или, если еще и питанием МК в руле управлять, на ЛИН трансивере.
3. Имхо, ардуино нано в руль ради односторонней отправки нажатий это из пушки по воробьям. С этим и тини13 справится.
Re: Стеклоподъемники с сенсорными кнопками
1. По поводу зажатия нескольких кнопок я имел ввиду случайное нажатие) а обработка сигналов контроллером исключит такие вещи.
2. Понял значит все можно организовать.
3. Да это понятно, но если мой опыт захочет кто нибудь повторить то мне кажется ему проще будет взять NANO скачать программку и залить готовый скетч а с тини13 надо еще программатор.
Вложений: 1
Re: Стеклоподъемники с сенсорными кнопками
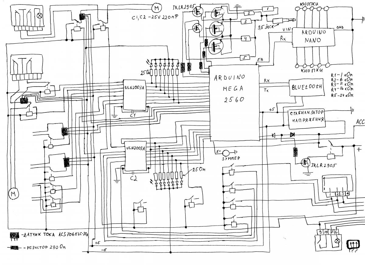
Сегодня закончил схему:p
Вложение 18453
Re: Стеклоподъемники с сенсорными кнопками
Цитата:
а с тини13 надо еще программатор.
Той же Arduino шьется без проблем.
Re: Стеклоподъемники с сенсорными кнопками
Цитата:
Сообщение от
Aikon
Той же Arduino шьется без проблем.
Посмотрел видео по программированию тини 13 через ардуино. Но пока буду делать опытный образец, думаю пускай он будет на ардуино нано, а потом уже можно задуматься и о тини 13. :)
Re: Стеклоподъемники с сенсорными кнопками
У tiny13 наверно ног не хватит (на схеме аж 10 кнопок). Можно поглядеть в сторону микросхем "портов-расширителей" (nano для этого же планируется использовать?).
Если что, то у меня есть MCP23017-E/SP (100р), а 74HC595 за 17р в Радионе.
Re: Стеклоподъемники с сенсорными кнопками
Цитата:
Сообщение от
Aikon
У tiny13 наверно ног не хватит (на схеме аж 10 кнопок). Можно поглядеть в сторону
микросхем "портов-расширителей" (nano для этого же планируется использовать?).
Если что, то у меня есть MCP23017-E/SP (100р), а
74HC595 за 17р в Радионе.
Я да буду использовать Arduino nano 100%, все равно валяется без дела. Я работал со сдвиговым регистром не хочется ставить туда эти микросхемы! Я хочу сделать это по простому даже если это будет стоить дороже! Заказал реле 15 шт за 1500 р Вложение 18455
Вложений: 2
Re: Стеклоподъемники с сенсорными кнопками
значит так на просторах интернета на мазда форуме нарыл информацию как люди переделывали мазда кнопки и управляли ими магнитолой. Теперь к сути
Вложение 18457
Я тут прикинул как это работает - если я нажму две кнопки одновременно то тестер покажет наименьшее сопротивление и соответсвено будет выполнена именно эта команда. Так что это исключает возможность нажатия нескольких кнопок:D Отсюда следует что можно по одному проводу завести все кнопки в Arduino и не надо пихать arduino nano в руль и делать целый протокол обмена данными пусть да же и в одностороннем порядке. Можно более просто организовать нажатие кнопок двойное нажатие и тем более клики.
Вложение 18458
значит как работают кнопки DOWN и UP. UP- повышает передачи а DOWN- понижает при чем они спараллелины то есть я могу делать тоже самое и с левой стороной кнопок по резисторам там приблизительно тоже самое только при одновременном нажатии этих кнопок сопротивление будет в два раза меньше меньшего чем при нажатии их по отдельности (под них выведено два отдельных провода). Но я разделю их и нарощу еще резисторов и при чем они будут нечетные общее сопротивление в этом случае будет 45 кОм.:confused:
Еще освободится целый провод и можно будет завести туда 12 в и стабилизировать их (для подсветки):)
Вложений: 1
Re: Стеклоподъемники с сенсорными кнопками
Вопрос по кнопкам могу ли я заводить минусовой сигнал (-12 в) через кнопки на прямую в Arduino или все таки придется пустить +5 в на все кнопки а потом через кнопки заводить их в ардуино и естесственно не забывать про стяжку через резистор к минусу???
Вложение 18476