Всем привет. Опять давно ни чего не писал. Скажу сразу идея переросла в другую! Первое я сменил автомобиль теперь это ваз 21099. Достался он мне уже со стеклоподъемниками! Вроде все хорошо, но все же в прошлом у меня была идея, управлять стеклоподъемниками с рулевых кнопок, которые я планировал в будущем. Так вот поставил я руль от классики он меньше по диаметру и чуть ближе к торпеде и как следствие я уже смог поставить подрулевые переключатели от калины (с классическим рулем до переключателей нормальное расстояние и не надо дотягиваться до них)
проводка уже заточена под эту идеюпровода видно на фото
Так вот от сенсорных кнопок я отказался сразу по причине того что частенько кладу руку на левую спицу руля а вот классические (обыкновенные) кнопки самое то. Тут у меня возникла делема. Так как руки у меня маленькие то большим пальцем не удобно дотягиваться до кнопок (конкретно в моем случае). А вот подрулевые лепестки самое то!
С начала я хотел сделать две подрулевые кнопки и одну рулевую, но это было бы очень заморочно. Вскоре я начал рассматривать вариант готового штатного руляЯ рассматривал множество вариантов, главным критерием было цена-удобство. В итоге с владика я заказал мазда руль (3) с муляжом падушки подрулевыми лепестками и кнопками на левой спице (управление музыкой)
После того как руль пришел, я начал разбираться что там да как. Оказывается кнопки там резестивные, лепестки тоже только они завязанны друг с другом
Система будет однопроводная в руль я могу завести 2 провода минус можно взять с рулевого вала.
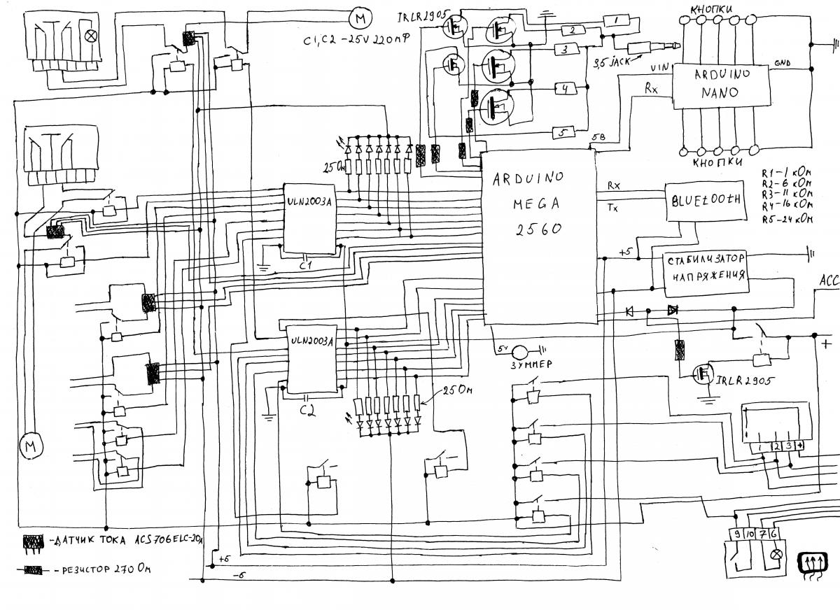
Вопрос завести плюс 12 В и через стабилизатор сделать 5 вольт для подсветки кнопок и второй провод резестивные кнопки или засти сразу стабилизированные 5 Вольт засунуть туда микроконтроллер (ардуино нано) и второй провод сделать шину данных (работать будет в оностороннем порядке по Rx от руля к контроллеру который уже будет выполнять команды и включать силовые цепи)?У рестивных кнопок есть недостаток одновременное зажатие двух и более кнопок! С контроллером в руле я от этого избавлюсь, но с ним будет сложнее (для меня)! Надо писать ПО для обоих контроллеров и организовать между ними обмен данными. Еще меня интересует как во втором случае организовать зажатие кнопки?


провода видно на фото
Я рассматривал множество вариантов, главным критерием было цена-удобство. В итоге с владика я заказал мазда руль (3) с муляжом падушки подрулевыми лепестками и кнопками на левой спице (управление музыкой)
Ответить с цитированием


Отсюда следует что можно по одному проводу завести все кнопки в Arduino и не надо пихать arduino nano в руль и делать целый протокол обмена данными пусть да же и в одностороннем порядке. Можно более просто организовать нажатие кнопок двойное нажатие и тем более клики.
