Ложишь папку плагина в папку с плагинами в программе. Нажимаешь и удерживаешь свободную кнопку в главном меню. Выбираешь нужный тебе плагин.
Еще почитай это.
Вид для печати
Ложишь папку плагина в папку с плагинами в программе. Нажимаешь и удерживаешь свободную кнопку в главном меню. Выбираешь нужный тебе плагин.
Еще почитай это.
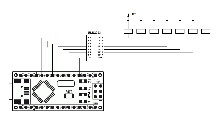
Здравствуйте. есть вопрос приобрел сarduino v5, микросхему uln2003an и реле omron g5le-14... собираю схему по рисунку, а где в неё минус сarduino питается от usb там 5 вольт. а вот реле как будет срабатывать?
На схеме реле запитывается от борт-сети автомобиля.
У тебя скольки вольтовые реле?
Спасибо Chip за быстрый ответ 12вольт
Все верно 12в
Еще не забудь подключить к GND автомобиля
А микросхема uln 2003 или carduin не сгорит от высокого напр. от аккумуляторной батареи может нужен какойнибудь стабилизатор напряжения ?
Ты по этой схеме подключаешь?
http://www.compcar.ru/forum/attachme...7&d=1299787946
.... Всё получилось схема работает. собрал на макетной плате !!!!!!! Спасибо ЧИП!!!!
1. Задался вопросом как в плагине изменить расположение кнопок и размеры кнопок ???
2. возможно ли плагин чуть изменить при нажатие на кнопку что бы выходил пароль, а уж потом нажималась ток при правильно вводе ???
Добрый вечер вот нарисовал печатную плату Сarduino + ULN2003 + реле (Tianbo HJR-3FF-12VDC)
http://img-fotki.yandex.ru/get/5807/...5ce1cda_XL.jpg
чертил в программе Sprint-Layout50 если кому нужен исходник
http://narod.ru/disk/12985548001/%D0...D0%B5.lay.html
Чертил первый раз посмотрите опытным глазом подскажите что сделал не так? Что нужно подправить?
Я бы силовые дорожки на релюшках потолще сделал, а то вдруг захочешь светом управлять или дворниками