Re: Управление нагрузкой с помощью Arduino
Искрение на контактах реле, а они в свою очередь дают наводки на МК. По моим наблюдением AVR куда более склонен к перезагрузам, чем PIC при тех же самых условиях. Это подтверждают и многие другие. По этому нужно правильно разводить плату и питание МК или отвязать коммутацию нагрузки(реле) через оптрон.
Re: Управление нагрузкой с помощью Arduino
Вложений: 1
Re: Управление нагрузкой с помощью Arduino
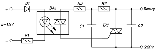
Скажите пожалуйста, можно ли с помощью вот этого:
http://easyelectronics.ru/img/smarth...ac-moc3041.GIF
включать вот такой пускатель?
http://kontaktor32.ascont.ru/users/3...or/kme0910.jpg
http://kontaktor32.ru/kme1810
И зачем нужен конденсатор С1 и резистор R3 ?
Просто на других схемах этого нет.
Вложение 16866
Вложений: 1
Re: Управление нагрузкой с помощью Arduino
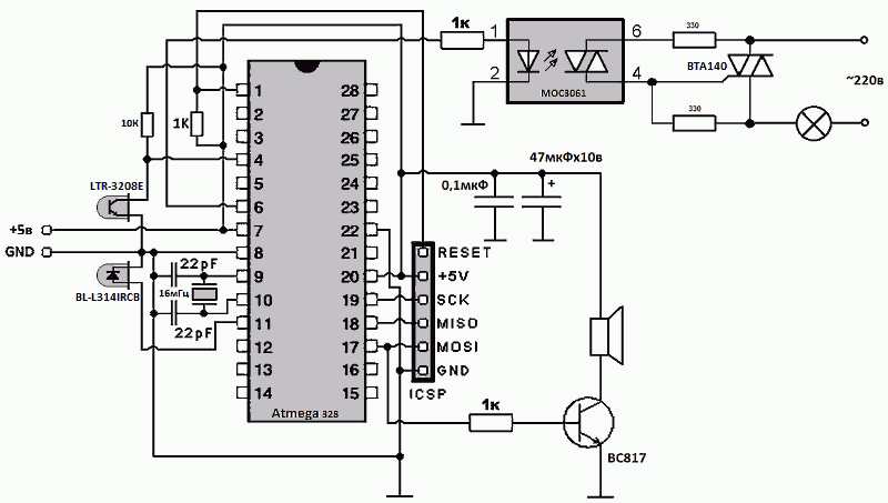
МастерКит предлогает вот такую схему:
Вложение 16867
Re: Управление нагрузкой с помощью Arduino
Подниму тему. :-)
Вместо IRLR2905 "попались в руки" IRLR3636. Смущает большая входная емкость для подключения к ардуинке.
Нужен ли ему "напарник" типа 2N7002, в т.ч. чтобы успевал полностью открыться ?
Планируется применение как для "только вкл./выкл. нагрузку", так и в схеме с ШИМ (с частотой не более килогерца).
Re: Управление нагрузкой с помощью Arduino
Если только вкл/выкл то можно использовать
Если использовать ШИМ то потребуется раскачка
Вложений: 1
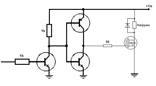
Re: Управление нагрузкой с помощью Arduino
А, к примеру, для использования IRLR3636 в схеме амбилайта (http://compcar.ru/forum/showthread.php?t=5869) вместо IRLR2905 такого драйвера хватит:
Вложение 17564
?
Или лучше драйвер позаимствовать из http://compcar.ru/forum/showthread.php?t=10266 ?
Re: Управление нагрузкой с помощью Arduino
Re: Управление нагрузкой с помощью Arduino
Re: Управление нагрузкой с помощью Arduino
Подскажите, если я хочу с помощью Ардуино управлять двухкиловатным обогревателем, то мне какой модуль для управления нагрузкой купить? И главное, как подключить?