Задержка включения, кондер.
Блок питания стартует моментально после подачи асс, что не совсем устраивает! Можно ли в цепь провода асс воткнуть какаю нибудь микруху или кондер, который секунд через 25 подавал 12в?
Это читал, к кнопке питания матери не надо! Надо чтобы после подачи через 25 сек 12в появлялось и после пропадания 12в, моментально пропадало )))
p.s. сильно не бейте если что, поиск мучал ))
Re: Задержка включения, кондер.
Сделай тоже самое только еще транзистор с релюшкой подключи
Re: Задержка включения, кондер.
Цитата:
Сообщение от
Chip
Сделай тоже самое только еще транзистор с релюшкой подключи
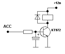
А можно схему, а то я не силен?! ((((
Вложений: 1
Re: Задержка включения, кондер.
Re: Задержка включения, кондер.
Спасибо большое как всегда чип ))
Re: Задержка включения, кондер.
Для начала попробуй резистор 1мОм кондер 100мкфх25в, а вообще есть формула расчета RC
Re: Задержка включения, кондер.
Формула то есть, а начальных даже знаний нет! Ввиду чего буду пробовать то что ты говоришь ))))))))))
Re: Задержка включения, кондер.
Ну как успехи со схемой? Какие детали (параметры) использовал?
Re: Задержка включения, кондер.
Цитата:
Сообщение от
spol81
Ну как успехи со схемой? Какие детали (параметры) использовал?
да все ok - спасибо... кондер какой именно поставил - не помню.. подбирал из нескольких.. задержка получилась секунд пять...
Re: Задержка включения, кондер.
Цитата:
Сообщение от
Chip
Разбираюсь потихоньку со схемой. Подобрал резистор и конденсатор.
Пытаюсь понять, как вешать на реле диод.
АСС понятно, +12 вольт понятно. Минус на реле появляется через транзистор КТ972 когда кондиционер зарядится до 12В? я правильно понял?