Вложений: 2
Вывод звука через штатную систему lincoln navigator 2.
Здравствуйте уважаемые.
Собственно в штатной системе aux не предусмотрен.
Думал воспользоваться az-fm, но с гу на усилитель идет 6 каналов. Может есть еще какой то адаптер? Или способ подключения?
Спасибо.
Схема разъемов усилителя :
https://www.manualslib.com/manual/69...page=19#manual
Re: Вывод звука через штатную систему lincoln navigator 2.
Не важно сколько выходов, входов у Вас всего два - это 1-2, 9-10
Re: Вывод звука через штатную систему lincoln navigator 2.
Большое спасибо за ответ. Буду пробовать.
Re: Вывод звука через штатную систему lincoln navigator 2.
Цитата:
Сообщение от
Chip
Не важно сколько выходов, входов у Вас всего два - это 1-2, 9-10
Только дошли руки. Все разобрал, провода подцепил, но не изменилось ничего. Т.е. с отключенным az-fm продолжает играть радио или cd. С подключеным az-fm , точно так же. Видимо что то ещё нужно сделать. Но неизвестно что.
Re: Вывод звука через штатную систему lincoln navigator 2.
Re: Вывод звука через штатную систему lincoln navigator 2.
Цитата:
Сообщение от
Chip
Кнопку подключили?
Нет.
Честно говоря, не представляю - какую кнопку.
В аз-фм - кнопок по схеме нет.
Остаётся только установка кнопки на какие то контакты на головном устройстве. Но на какие ???
Re: Вывод звука через штатную систему lincoln navigator 2.
Кнопки нет, но есть провод для этой кнопки. По моему даже не для кнопки, а для выключателя
Re: Вывод звука через штатную систему lincoln navigator 2.
Вложение 19281
Выключатель...
Имеется ввиду +12 v service?
Re: Вывод звука через штатную систему lincoln navigator 2.
Re: Вывод звука через штатную систему lincoln navigator 2.
Подключал. И с подключенным питанием +12v сервис и без - результат один. Точнее полное отсутствие этого самого результата...
Re: Вывод звука через штатную систему lincoln navigator 2.
Основываясь на Ваших данных, у меня только два ответа
1-неправильно подключили
2-неисправный AZ-FM
Re: Вывод звука через штатную систему lincoln navigator 2.
Всем привет ,кто подскажт ,куда и как соединить контакты tx+,tx- к китайцу с штатного гу (китаец в замен штатной кассетной деки)
Re: Вывод звука через штатную систему lincoln navigator 2.
Это балансный вход, нужен конвертер из линейного в балансный.
На али раньше продавали. Не помню как называется.
Re: Вывод звука через штатную систему lincoln navigator 2.
По раздельности без питания +12 в все работает,а вместе нет .надо общую громкость ,и тд. Гу не видет китайца
Вложений: 2
Re: Вывод звука через штатную систему lincoln navigator 2.
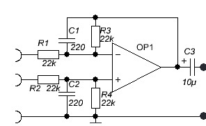
Вот схема переходника из балансного(дифференциального) в линейный выход
Вложение 19577
Из линейного в балансный
Вложение 19578
Re: Вывод звука через штатную систему lincoln navigator 2.
С китайца линейный выход есть 2 канала,они пойдут на штатный вход ГУ (тоже есть). С ГУ выходит 2 провода TX+ и TX- на кассетный дека .Кассетный дека был заменён на китайца. Проблема в том как зарегистрировать китайскую магнитолу в штатном ГУ?
Re: Вывод звука через штатную систему lincoln navigator 2.
Для регистрации в аудио системе авто, нужен специальный адаптер
Re: Вывод звука через штатную систему lincoln navigator 2.
Всем доброго времени суток. Купил китайскую андроид голову на замену штатной головы с навигацией которая. Интересует распиновка разъемов магнитолы. Куда зацепить питание при зажигании, куда подавать питание на штатный усилитель с китайской головы и куда цеплять провода key1 и key2 китайской головы в штатную проводку авто. Заранее спасибо.