Планируется установка магнитолы без панели.
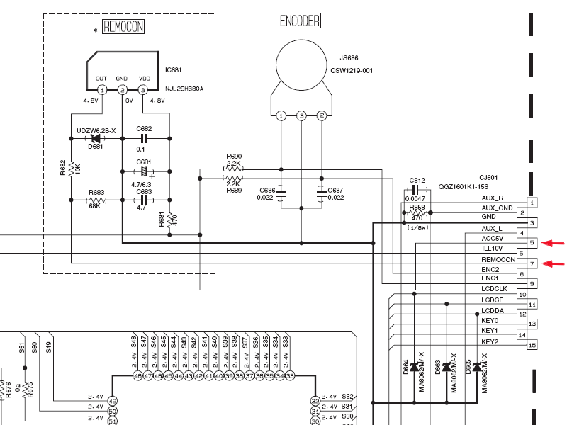
Хотел спросить форумчан кто точно знает как включаеться магнитола без передней панели. В моем случае это JVC KD-G342 но это не так важно. На схеме видно что сигнал АСС+5 идет на микросхему IC 681 которая в панеле наглухо отсутствует только место в плате для нее. Ввиду этого я решил что сигнал АСС+5 при монтаже панели идет на прямую к REMOCON. Вопрос: достаточно будет перемычки между этими пинами или все таки резистор надо поставить?


Ответить с цитированием
