Страница 1 из 6 123456 ПоследняяПоследняя
Показано с 1 по 10 из 55
  1. #1
    Администратор Аватар для Chip
    Регистрация
    08.06.2007
    Возраст
    56
    Сообщений
    13,381
    Вес репутации
    10

    По умолчанию Задержки включения и выключения парковочной камеры.

    Для чего это нужно?
    Для того чтобы на автоматической коробке передачь при переключении в режим Drive и обратно не активировался монитор при коротком импульсе, а если включить режим R то включится задержка на выключение монитора, для удобства маневров (вперед , назад)
    Есть два варианта, пока выкладываю первый аналоговый. Накидал схемку , но сам пока ее еще не тестил.

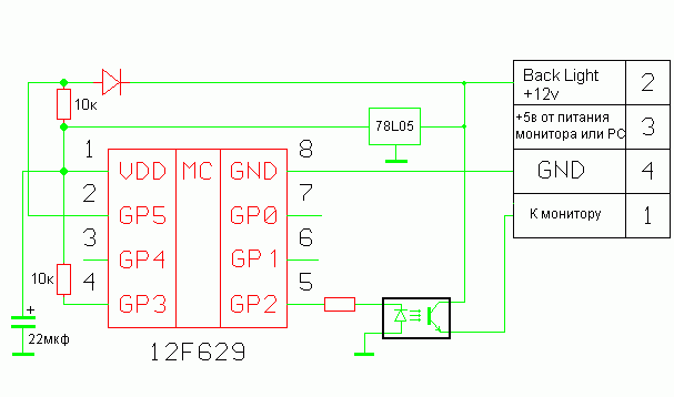
    Второй вариант это с использование PIC контроллера PIC12F629 с программируемыми задержками.

    Скачать прошивку для PIC12F629 , схему еще не нарисовал
    Миниатюры Миниатюры Нажмите на изображение для увеличения. 

Название:	bg.GIF 
Просмотров:	588 
Размер:	2.5 Кб 
ID:	2983   Нажмите на изображение для увеличения. 

Название:	Activ_back.png 
Просмотров:	493 
Размер:	2.4 Кб 
ID:	3964  
    Вложения Вложения
    • Тип файла: rar back.rar (306 байт, Просмотров: 401)
    Последний раз редактировалось Chip; 08.04.2009 в 03:13.

  2. #2
    Модератор Аватар для vladsmir
    Регистрация
    03.10.2008
    Возраст
    53
    Сообщений
    1,041
    Вес репутации
    464

    По умолчанию Re: Задержки включения и выключения парковочной камеры.

    Цитата Сообщение от Chip Посмотреть сообщение
    Для чего это нужно?
    Для того чтобы на автоматической коробке передачь при переключении в режим Drive и обратно не активировался монитор при коротком импульсе, а если включить режим R то включится задержка на выключение монитора, для удобства маневров (вперед , назад)
    Есть два варианта, пока выкладываю первый аналоговый. Накидал схемку , но сам пока ее еще не тестил.
    Второй вариант это с использование PIC контроллера и с программируемыми задержками.
    примерно так и представлял схему, только не очень понял как задержка включения работает. Как выключения понятно. Ну и примерные номиналы если можно. Кстати если поставить подстроечные резисторы, то вот тебе и "программируемые" задержки).
    Автозапчасти из Кореи. http://parts-kor.ru
    Мой проект Завершен http://compcar.ru/forum/showthread.php?t=2973

  3. #3
    Администратор Аватар для Chip
    Регистрация
    08.06.2007
    Возраст
    56
    Сообщений
    13,381
    Вес репутации
    10

    По умолчанию Re: Задержки включения и выключения парковочной камеры.

    Конденсатор заряжается через цепь резистор диод(задержка вкл), а разряжается через нижний резистор(задержка выкл).
    Последний раз редактировалось Chip; 03.02.2009 в 13:18.

  4. #4
    Гуру
    Регистрация
    08.01.2008
    Сообщений
    703
    Вес репутации
    372

    По умолчанию Re: Задержки включения и выключения парковочной камеры.

    По- моему 2RC....Подстроечники не получаться...Слишком большой разброс сопротивления.

  5. #5
    Модератор Аватар для vladsmir
    Регистрация
    03.10.2008
    Возраст
    53
    Сообщений
    1,041
    Вес репутации
    464

    По умолчанию Re: Задержки включения и выключения парковочной камеры.

    Цитата Сообщение от джи-дай Посмотреть сообщение
    По- моему 2RC....Подстроечники не получаться...Слишком большой разброс сопротивления.
    ну можно последовательно постоянный и подстроечный.
    Автозапчасти из Кореи. http://parts-kor.ru
    Мой проект Завершен http://compcar.ru/forum/showthread.php?t=2973

  6. #6
    Гуру
    Регистрация
    08.01.2008
    Сообщений
    703
    Вес репутации
    372

    По умолчанию Re: Задержки включения и выключения парковочной камеры.

    Цитата Сообщение от vladsmir Посмотреть сообщение
    ну можно последовательно постоянный и подстроечный.
    незаметна разница будет..

  7. #7
    Модератор Аватар для vladsmir
    Регистрация
    03.10.2008
    Возраст
    53
    Сообщений
    1,041
    Вес репутации
    464

    По умолчанию Re: Задержки включения и выключения парковочной камеры.

    Цитата Сообщение от Chip Посмотреть сообщение
    Конденсатор заряжается через цепь резистор кондер(здержка вкл), а разряжается через нижний резистор(задержка выкл).
    Через резистор и диод ты имел в виду? Вообще он через оба резистра заряжается или нижний существенно больше верхнего, поэтому его не учитываем?
    Последний раз редактировалось Chip; 03.02.2009 в 13:20.
    Автозапчасти из Кореи. http://parts-kor.ru
    Мой проект Завершен http://compcar.ru/forum/showthread.php?t=2973

  8. #8
    Модератор Аватар для vladsmir
    Регистрация
    03.10.2008
    Возраст
    53
    Сообщений
    1,041
    Вес репутации
    464

    По умолчанию Re: Задержки включения и выключения парковочной камеры.

    Цитата Сообщение от джи-дай Посмотреть сообщение
    незаметна разница будет..
    Почему? это ж зависит от соотношения номиналов резюков.
    Если номиналы одинаковые, то время задержки в 2 раза изменяется.
    Последний раз редактировалось vladsmir; 03.02.2009 в 13:16.
    Автозапчасти из Кореи. http://parts-kor.ru
    Мой проект Завершен http://compcar.ru/forum/showthread.php?t=2973

  9. #9
    Администратор Аватар для Chip
    Регистрация
    08.06.2007
    Возраст
    56
    Сообщений
    13,381
    Вес репутации
    10

    По умолчанию Re: Задержки включения и выключения парковочной камеры.

    Цитата Сообщение от vladsmir Посмотреть сообщение
    Через резистор и диод ты имел в виду? Вообще он через оба резистра заряжается или нижний существенно больше верхнего, поэтому его не учитываем?
    Да имел ввиду диод
    нижний резистор имеет большое сопротивление в отличии от верхнего, потому как нужны задержки отличающиеся длительностью в 5 раз
    Последний раз редактировалось Chip; 03.02.2009 в 13:22.

  10. #10
    Гуру
    Регистрация
    08.01.2008
    Сообщений
    703
    Вес репутации
    372

    По умолчанию Re: Задержки включения и выключения парковочной камеры.

    Затрахаешся с этой схемой...Тут прямая зависимость от вкл-выкл.

Страница 1 из 6 123456 ПоследняяПоследняя

Информация о теме

Пользователи, просматривающие эту тему

Эту тему просматривают: 1 (пользователей: 0 , гостей: 1)

Ваши права

  • Вы не можете создавать новые темы
  • Вы не можете отвечать в темах
  • Вы не можете прикреплять вложения
  • Вы не можете редактировать свои сообщения
  •