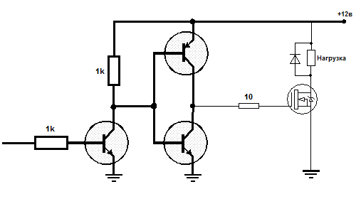
Какой мосфет выбрать для управления бензонасосом и вентилятором? Подскажите пожалуйста!
IRLU8256 25V 81A 5.7 mOhm 10 nC I-Pak
IRLU8259 25V 57A 8.7 mOhm 6.8 nC I-Pak
IRLU7807Z 30V 43A 13.8 mOhm 7 nC I-Pak
IRLU8729 30V 71A 8.6 mOhm 10 nC I-Pak
IRLU8721 30V 65A 8.4 mOhm 8.5 nC I-Pak
IRLU8726 30V 85A 6.0 mOhm 18 nC I-Pak
IRLU8113 30V 94A 6 mOhm 22 nC I-Pak
IRLU8743 30V 160A 3.1 mOhm 39 nC I-Pak
IRLB3813 30V 260A 1.95 mOhm 57 nC TO-220AB
На форуме очень часто упоминается IRLU8259, почему именно он?
Будет ли хуже, работать что-то, если например взять вот этот IRLU8726 30V 85A ?
Типа с запасом)))
И можно еще один совсем ламерский вопрос? )))))
Я так понимаю, что ток, идущий скажем на бензонасос, протекает через этот транзистор, но
ведь провода к бензонасосу или к вентилятору идут толстые, а ножки у транзистора тоненькие, как так?)




Ответить с цитированием