Показано с 1 по 8 из 8

Комбинированный просмотр

Предыдущее сообщение Предыдущее сообщение   Следующее сообщение Следующее сообщение
  1. #1
    Гуру Аватар для ashu
    Регистрация
    29.01.2008
    Возраст
    53
    Сообщений
    1,161
    Вес репутации
    598

    По умолчанию Преобразователь уровня

    Други, подскажите...

    Есть GPS-приёмник с уровнем UART 3.3В. Что к нему надо добавить, чтобы подключить к RS232? Желательно, с объяснением "для чайника"
    С уважением, Алексей
    Мой Prius NHW11

  2. #2
    Пользователь
    Регистрация
    10.10.2008
    Возраст
    44
    Сообщений
    76
    Вес репутации
    229

    По умолчанию Re: Преобразователь уровня

    Цитата Сообщение от ashu Посмотреть сообщение
    Други, подскажите...

    Есть GPS-приёмник с уровнем UART 3.3В. Что к нему надо добавить, чтобы подключить к RS232? Желательно, с объяснением "для чайника"

    Если хочешь в стандартный RS-232 для компа, то max3232 по стандартной схеме включения. Или может проще взять дата-кабель для телефона USB'шный например, если RS-232 не принципиально?

    Можно взять просто max232, но он 5Вольтовый, те уровень на TX( передающая нога) будет 5В, те в приемника +5В пойдет на вход, но обычно это не страшно .

  3. #3
    Гуру Аватар для ashu
    Регистрация
    29.01.2008
    Возраст
    53
    Сообщений
    1,161
    Вес репутации
    598

    По умолчанию Re: Преобразователь уровня

    Цитата Сообщение от ulbermann Посмотреть сообщение
    может проще взять дата-кабель для телефона USB'шный например, если RS-232 не принципиально?
    А здесь можно поподробнее? В дата-кабеле уже стоит какой-то преобразователь уровня?

    Модуль gps-приёмника называется LEA-5S. Есть руководство как его подключать... Но моих знаний в английском и, главное, в электронике явно не хватает... С основным и резервным питанием и антенной я разобрался. А вот как подключить к компу этот 3.3-вольтовый UART никак не соображу...
    Последний раз редактировалось ashu; 08.02.2009 в 23:50.
    С уважением, Алексей
    Мой Prius NHW11

  4. #4
    Пользователь
    Регистрация
    10.10.2008
    Возраст
    44
    Сообщений
    76
    Вес репутации
    229

    По умолчанию Re: Преобразователь уровня

    Цитата Сообщение от ashu Посмотреть сообщение
    А здесь можно поподробнее? В дата-кабеле уже стоит какой-то преобразователь уровня?

    Модуль gps-приёмника называется LEA-5S. Есть руководство как его подключать... Но моих знаний в английском и, главное, в электронике явно не хватает... С основным и резервным питанием и антенной я разобрался. А вот как подключить к компу этот 3.3-вольтовый UART никак не соображу...
    В датакабеле преобразователь уровня уже стоит.

    Если собирать самому, то вот схема:
    http://elka.brawijaya.ac.id/info/img...32_adapter.PNG
    Только вместо max232 используй max3232. Питание VCC на схеме подавай 3.3V. Потом с коннектора JP1 нога 2(RX) идет на вывод 3(TX) твоего модуля, и 3нога(TX) JP1 идет на вывод 4(RX) твоего модуля.
    Таблица
    JP1 LEA5S
    2(RX) - 3(TX)
    3(TX) - 4(RX)

    Еще кондеры вместо 1uF для max3232 достаточно будет 0.1uF керамика.

    Но я бы лучше взял датакабель юсбиншный.
    Последний раз редактировалось ulbermann; 09.02.2009 в 01:20.

  5. #5
    Гуру Аватар для ashu
    Регистрация
    29.01.2008
    Возраст
    53
    Сообщений
    1,161
    Вес репутации
    598

    По умолчанию Re: Преобразователь уровня

    Цитата Сообщение от ulbermann Посмотреть сообщение
    Но я бы лучше взял датакабель юсбиншный.
    Решение с датакабелем выглядит менее пугающим
    С уважением, Алексей
    Мой Prius NHW11

  6. #6
    Администратор Аватар для Chip
    Регистрация
    08.06.2007
    Возраст
    56
    Сообщений
    13,381
    Вес репутации
    10

    По умолчанию Re: Преобразователь уровня

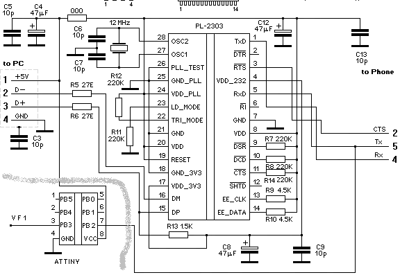
    Я бы подключил его через USB , можно сделать взяв шнурок от мобилы например на чипе Prolific PL2303
    Последний раз редактировалось Chip; 09.02.2009 в 02:25.

  7. #7
    Гуру Аватар для ashu
    Регистрация
    29.01.2008
    Возраст
    53
    Сообщений
    1,161
    Вес репутации
    598

    По умолчанию Re: Преобразователь уровня

    Цитата Сообщение от Chip Посмотреть сообщение
    Я бы подключил его через USB , можно сделать взяв шнурок от мобилы например на чипе Prolific PL2303
    А ткните, плиз, меня носом в ссылку на такой шнурок
    Последний раз редактировалось Chip; 09.02.2009 в 02:25.
    С уважением, Алексей
    Мой Prius NHW11

  8. #8
    Администратор Аватар для Chip
    Регистрация
    08.06.2007
    Возраст
    56
    Сообщений
    13,381
    Вес репутации
    10

    По умолчанию Re: Преобразователь уровня

    Только контроллер выкинуть как отмечено
    Миниатюры Миниатюры Нажмите на изображение для увеличения. 

Название:	pl2303.png 
Просмотров:	1242 
Размер:	5.7 Кб 
ID:	3050  

Информация о теме

Пользователи, просматривающие эту тему

Эту тему просматривают: 1 (пользователей: 0 , гостей: 1)

Ваши права

  • Вы не можете создавать новые темы
  • Вы не можете отвечать в темах
  • Вы не можете прикреплять вложения
  • Вы не можете редактировать свои сообщения
  •