Предисловие.
Здравствуйте, уважаемые форумчане.
Наконец-то дошли руки взяться за перо, то бишь клавиатуру.
В данном топике не будет красочного изложения инсталляции carPC в автомобиль. Вряд ли вашему покорному слуге удастся создать нечто подобное тем замечательным проектам, изобилующими шикарными фотографиями, которые во множестве представлены на страницах данного сайта, да и на других подобных сайтах их также огромное количество. Да и те фотографии, которые появятся в статье, не будут блистать профессионализмом. Просто настало время рассказать о тех граблях, по которым пришлось пройти автору на пути подачи видеосигнала от компа на штатный монитор автомобиля и тем самым внести свою незначительную лепту в дело карпьютеростроения. Возможно, данная статья поможет кому-нибудь сэкономить время и деньги. Если это произойдет, то буду рад.
Пролог.
2011 год. Первая половина.
Беларусь гудит как растревоженный улей пчел.
С одной стороны остаются считанные месяцы до 1 июля, чтобы купить автомобиль из-за кордона с учетом хоть и высоких таможенных пошлин, но все же не таких драконовских как в России, которые будут введены после указанной даты в угоду Таможенному союзу.
С другой стороны очередной обвал белорусского “зайца” (рубля). Прекращена продажа всех видов валют. Счастье если удалось купить монгольский тугрик. И до чего наш толерантный белорусский (российский, украинский и т.д.) народ не додумается, чтобы завладеть заветными бумажками с изображениями американских президентов либо звездами Евросоюза. По крайней мере, герою Ильфа и Петрова некому Остапу Ибрагимовичу и в кошмарном сне не могли присниться те способы заиметь валюту, которыми овладели наши люди.
И вот в этих условиях в Беларуси практически не осталось ни одной семьи, которая бы не пыталась купить, обновить либо просто вложить деньги в авто. Исключение составили только ленивые.
Не остался в стороне и автор этих строк. Был куплен автомобиль Опель Сигнум 2008г. С наворотами под самую завязку. И все радовало душу за исключением работы штатной навигации. Забыли немцы при разработке навигационного программного продукта Navteq про Беларусь, да и другие страны бывшего СССР, расположенные восточнее.
Для того, чтобы восстановить работоспособность навигации, пришлось полазить по просторам интернета. Рассматривались варианты миркомов, фантомов, СS девятитысячных и других подобных навигационных блоков. Но чего-то не доставало для полного счастья в этих девайсах. И вот в канун нового 2012 года прозвучало новое, интригующее слово кар-пи-си.
Хождение по мукам. Часть I. Первый компьютер.
Отгремели новогодние и рождественские праздники. Понадобилось время, чтобы прийти в себя после выпитых декалитров спиртного. После этого приступил к изучению различных сайтов с описанием инсталляции компьютера в автомобиль. От красочных иллюстраций появилось чувство эйфории и великое желание внедрить как можно быстрее carPC в свою машину. И вот здесь была совершена роковая ошибка. Перед тем, как определяться с конфигурацией carPC, необходимо было изучить форумы по подключаемому железу. Особенно это касаемо материнских плат и графических адаптеров.
Первый компьютер был собран со следующей начинкой:
Корпус mini-box M350 Mini-ITX
Материнская плата Asus P8H67-I DELUXE
Процессор Intel Core i3−2120Т с рассеиваемой мощностью 35 Вт
Блок питания M2-ATX(M2-ITX) 200W
Жесткий диск Kingston SSDNow V объемом 64GB
В общем, ничего сверхъестественного. Все как у людей.
Фото 101
Можно было бы на этой фотографии закончить описание компа, но несколько моментов хотелось бы осветить.
Во-первых, подключение блока питания M2-ATX(M2-ITX) 200W. Идущий в комплектации с блоком шлейф с разъемами просто не влазил в небольшой корпус, а если бы и влез, то перекрывал все воздушные потоки охлаждения. Пришлось с помощью паяльника делать хирургическое вмешательство, предварительно выпаяв гнездо разъема, а затем припаяв обратно небольшую часть шлейфа с соблюдением распиновки.
Фото102
И блок питания идеально вписался в конфигурацию компьютера.
Фото103
Во-вторых, подключение жесткого диска SSD форм-фактора 1,8. И хотя на рынке во множественном числе существуют различные переходники и адаптеры для подключения, но от них пришлось отказаться из-за экономии пространства. Разъем питания винчестера форм-фактора 2,5 был переделан под нужный мне размер.
Фото104
Фото105
Считал, что являюсь первым изобретателем этой переделки, но позже нашел в интернете подобные варианты.
http://taraskin-photo.pochta.ru/slimline_sata/
http://spvd.ru/page/slim-sata-power
Увы. Лично я изобрел очередное колесо.
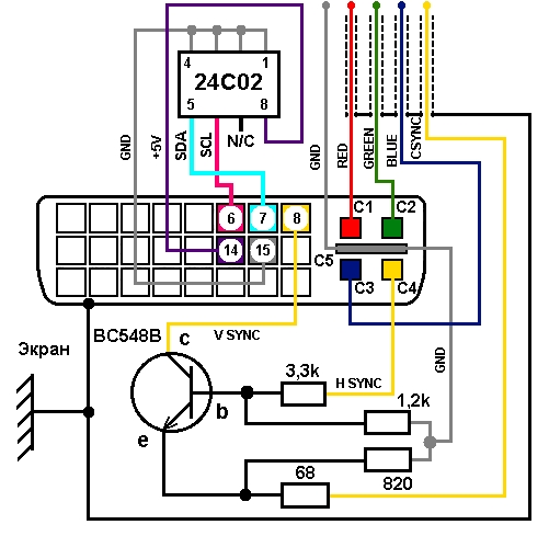
Одновременно со сборкой carPC в корпус блока с цветным штатным дисплеем Опель Сигнума была имплантирована плата-транскодер(CVBS->RGBS) дополнительных видеовходов. Не буду останавливаться на этой части моего проекта, так как она может представлять интерес исключительно для владельцев автомобилей Опель определенных годов выпуска в соответствующей комплектации. Более подробно о монтаже данной платы расскажу в статье, описывающей мой проект. К плате транскодеру подключил камеру заднего вида.
Для преобразования видеосигнала RGBHV в RGBS изготовил синхросмеситель сигналов горизонтальной и вертикальной синхронизации в композитную на базе родной микросхемы К555ЛП5.
Фото106
Фото107
Различные схемы и описания смесителей синхры можно посмотреть на сайте:
http://digilander.libero.it/venturi1...JUSgLvUSMtZSfA
Осталось подключить компьютер к плате видеовхода и получать наслаждение, но не тут-то было. С этого и началось хождение по мукам.
В процессор Intel Core i3−2120Т встроено видеоядро от intel HD Graphics 2000. А вот штатный монитор у Опеля по нынешним меркам доисторический. Мало того, что физическое разрешение 400х234, но и работает с частотой строчной развертки в пределах 16 кГц. Плюс абсолютно никакой по монитору инфы в нете.
При подаче видеосигнала с carPC монитор показывал загрузку BIOS с двоением изображения, а перед загрузкой операционной системы компьютер напрочь отрубал вывод изображения. Максимально, чего на тот момент удалось добиться, это получение изображения и то путем тупого перебора стандартных разрешений.
Фото108
Более подробно о “танцах с бубном” на этом этапе можно прочитать в статье “Подключение Штатного монитора на любом автомобиле” по ссылке http://www.compcar.ru/forum/showthre...ed=1#post97931
Заканчиваются мои мытарства на данной странице форума сообщением от Уважаемого гуру St@rz “YuryY, напиши в личку свой скайп или аську. Постараюсь в выходные посидеть с твоим компом.” Договорившись с St@rz, состоялся телемост между Пермью и Минском, во время которого, как я понял, Константин вносил правку в реестр драйвера. Однако, при последующем подключении carPC, были получены “те же яйца, только в профиль”, то есть черный квадрат Малевича.
И, тем не менее, я очень благодарен Константину за потраченное время, а главное желание оказать помощь. Возможно, у него и получилось с помощью правки драйвера выдать нужный результат, но на тот момент я просто не знал про палочку-выручалочку под названием “заглушка”.
Про заглушку читаем в сообщении великого Slden по ссылке: http://pccar.ru/showpost.php?p=55660&postcount=16
Тупик. Для разрядки отсутствие нужного разрешения компенсировано разрешением приема сорокаградусной жидкости.
Хождение по мукам. Часть II. Железо.
Прошел месяц. Выпито за это время немереное количество декалитров. Опохмелившись рассолом, и так же, как классик Чернышевский озадачился философским вопросом “Что делать”? После глубоких раздумий был составлен стратегический план компании на ближайшую перспективу борьбы за нужное разрешение.
1.Изучить теорию образования и передачи видеосигнала хотя бы на уровне “чайника”.
2.Изготовить универсальный смеситель синхры, предусмотрев на плате “заглушку”.
3.Ударить по интеловской графике пролетарским “железом”, а в просторечии транскодером VGA->RGBS.
Для начала вместе с друзьями яндексом и гуглом перекурили гигобайты инфы в области видео на различных сайтах, коих бесконечное множество в нете. Только после этого пришло некое понимание дальнейших телодвижений. Даю ссылку на один сайт, в котором уж очень доходчиво рассказано о формировании изображения на матрице дисплея. Он хоть и буржуинский, но любой Мальчиш-Кибальчиш вместе с перечисленными друзьями справится. http://easymamecab.mameworld.info/html/monitor1.htm
Параллельно со штудированием теорий изготавливался блочек синхросепаратора. Основная идея его создания в возможности быстрой замены различных платок с деталюшками смесителя синхры, чтобы определить в каком исполнении смеситель даст наилучший результат. Так же в синхросепараторе изначально предусматривалось использование “заглушки”. Как показала практика в дальнейшем, этот блочек сослужил немалую пользу и значительно помог в решении проблемы подачи нужного видеосигнала на штатный дисплей автомобиля.
Фото201
Фото202
Фото 203
C одной стороны блок подсоединяется кабелем VGA->VGA к компьютеру, а со второй стороны жгутом проводов к входу RGBS дисплея. Верхняя плата съемная.
В статье “AT717C-V2.0+A070VW04 800x480 modeline” по ссылке http://pccar.ru/showthread.php?t=12292 прочитал сообщение от Zanuda о возможности решения проблемы c помощью “установки eeprom с данным edid слитых с еееписи”. Правда на тот момент толком не разобрался, что такое EDID и с чем его едят, но для себя сделал вывод: что-то очень вкусное и взял на заметку. На верхней плате последней фотографии видна площадка, предусмотренная под установку микросхемы в исполнении DIP8. Площадка может использоваться как для установки “заглушки”, так и eeprom.
На EBAY был заказан конвертер видеосигнала GBS-8100.
Фото 204
В последующем данному конвертеру был приделан корпус
Фото 205
Фото 206
Правда, шел из Китая данный девайс больше трех месяцев. Наверное, транзит почтовыми службами осуществлялся через другую галактику. Прождав два месяца посылки, заказал из штатов другой конвертер GrandTec-Ultimate-XP-Pro. Уж больно цена понравилась. Всего 18 штатовских рублей, правда, без стоимости доставки.
Фото 207
В общем, пришли оба транскодера практически одновременно. Так, что можно было сравнить работу обоих конвертеров видеосигнала.
Мое субъективное мнение об их применении совместно с carPC.
Конвертер GBS-8100:
Достоинство
- Получение без “ танцев с бубнами ” видеосигнала воспринимаемого штатным дисплеем при подключении к любому компьютеру.
- На дисплее видна загрузка BIOS.
- Вполне приемлемая картинка от трансляции фильмов, либо от навигации.
- Получение композитного видеосигнала для подключения иных мониторов с композитным входом.
- Практически не видны помехи по видеосигналу.
- Нет необходимости использовать смеситель синхроимпульсов.
Недостатки
- Лишнее “железо” в автомобиле.
- Отсутствует корпус.
- Необходимость либо городить отдельное питание +5В, либо использовать для этих целей один из портов USB.
- При отключения питания конвертера происходит сброс настроек. Поэтому установку можно произвести только в легкодоступном месте, либо выводить дополнительные кнопки настроек.
- Поскольку конвертер изменяет настройки дискретно, то невозможно получить изображение, что называется “пиксель в пиксель”. Либо часть картинки уходит за пределы видимой области дисплея, либо на дисплее видны черные полосы.
- Растягивание изображения по горизонтали на дисплеях с соотношением сторон 16:9.
- На дисплеях с малой диагональю плохо читается текст.
Конвертер GrandTec-Ultimate-XP-Pro:
Достоинство
- Получение без “ танцев с бубнами ” видеосигнала воспринимаемого штатным дисплеем при подключении к любому компьютеру.
- На дисплее видна загрузка BIOS.
- Вполне приемлемая картинка от трансляции фильмов, либо от навигации.
- Получение композитного видеосигнала для подключения иных мониторов с композитным входом.
- Практически не видны помехи по видеосигналу.
- Нет необходимости использовать смеситель синхроимпульсов.
- Плата встроена в симпатичный плоский корпус.
- Пульт дистанционного управления. Но если конвертер засунуть подальше, то возникает необходимость выноса приемника сигнала от пульта в доступное место.
- Сохраняет настройки при отключенном питании.
Недостатки
- Лишнее “железо” в автомобиле.
- Необходимость либо городить отдельное питание +5В, либо использовать для этих целей один из портов USB.
– При повторной подаче питания необходимо нажимать кнопку power на приборе, либо пульте управления. После соответствующей доработки девайса от этого недостатка можно избавиться.
- Поскольку конвертер изменяет настройки дискретно, то невозможно получить изображение, что называется “пиксель в пиксель”. Либо часть картинки уходит за пределы видимой области дисплея, либо на дисплее видны черные полосы.
- Растягивание изображения по горизонтали на дисплеях с соотношением сторон 16:9.
- На дисплеях с малой диагональю плохо читается текст.
- В комплекте отсутствует кабель для подключения к 9-пиновому разъему выхода RGBS, а в инструкции по эксплуатации нет распиновки этого разъема. Если кому-то необходимо, то распиновку найдете на странице http://compcar.ru/forum/showthread.p...d=1#post102900
Какой-либо значительной разницы в качестве получаемого изображения при использовании обоих конвертеров не заметил. В целом, вполне приемлемое и относительно недорогое решение для быстрого подключения любого дисплея по RGBS к carPC.
В общем, на этом месте можно было поставить жирную точку. Но.
В телефонном разговоре уважаемый St@rz дал оценку качеству изображения на штатном дисплее, получаемого при различных вариантах подачи видеосигнала. Композитный – 3 бала, при помощи конвертеров – 4 бала, программное решение – 5 балов. А у меня, как на грех, еще со школьной скамьи сохранилась дурная привычка “грабастать пятерки”. Да и не последнюю роль сыграл азарт добиться максимально возможного качества изображения. Поэтому хождение по мукам продолжилось.


Ответить с цитированием
