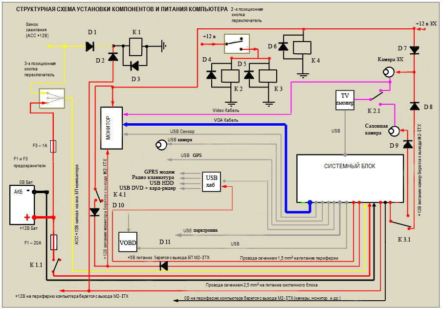
Правильно ли я скомпоновал схему CarPC (использовал http://www.pccar.ru/showpost.php?p=71563&postcount=1, http://www.compcar.ru/forum/showpost...5&postcount=16 и http://www.pccar.ru/showpost.php?p=157327&postcount=1).
CarPC:
MB - Zotac H67-ITX WiFi , Core i3-2100T, память - 4 Gb DDRIII, HDD-Corsair 64Gb, GPS - Clobalsat, TV тюнер Aver Hybrid Volar HX (в основном для видеозахвата), 3 камеры (Logitech HD Webcam Pro с 910, заднего вида - Phantom CA-0563, салонная - JMK китайская), БП - M2-ITX.
Хотел получить следующую логику:
1. полное обесточивание, управление АСС и принудительное включение (трехпозиционный выключатель).
2. Возможность включения монитора и камеры заднего вида даже при выключенном CarPC.
3. Постоянно пишутся две камеры - Logitech и заднего вида, для документирования "разборок" с ГИБДД принудительно отключается камера заднего вида и включается салонная камера (двухпозиционным выключателем), затем все возвращается в исходное.
Пока для проигрывания радио, музыки и т.д. не планируется использовать CarPC (вполне устраивает штатное ГУ)
Alex-L впринцепе расписал какие детали рекомендуется использовать, но может быть будут другие предложения.


Ответить с цитированием

