Заболел CarPC пару месяцев назад, после кончины магнитолы SONY W1. Понял, что просто ДВД, мр3 и навигация в КПК на лобовом стекле для меня уже некатит. Захотелось чего-то более серьезного и полезного. Решил найти помощь в Воронеже, но после продолжительных поисков людей знающих тему, понял, что придется делать все самому. Заказал БП на Кармонитор.ру, определился с монитором: Лиллипут 7". Закажу его на днях. Только боюсь пересылки почтой. Многие пишут, что посылки кидают сильно, не очень хочется получить кусочки пластика за 11 с лишним килорублей.
С помощью друга-компьютерщика определился с железом:
1. Системная плата AM2+ ASUS M3N78-EM, GeForce 8300, 1600МГц, 4DDR2 1066 ECC Dual Channel, PCI-Ex16, 2*PCI, DVI/HDMI/VGA, FDD/IDE/5SATAII RAID, eSATA, Звук 7.1, 6*USB2.0, IEEE1394, LAN1Gb, mATX
2. Процессор AM2 AMD Athlon 64 X2 5600+, 2.9ГГц, 2*512К, 2000МГц, Brisbane 0.065мкм SOI, Dual Core, Dual Channel, 3DNow/AMD64/AMD VT/HyperTransport/MMX/SSE/SSE2/SSE3, 65Вт, BOX, ADO5600IAA5DO
3. Модуль памяти DIMM DDR2 2048M (2*1024), 1066МГц (PC8500) Corsair XMS2 TWIN2X2048-8500C5DF, радиатор
4. Приемник GPS GlobalSat BU-353, USB, 20 каналов
Остальное по ходу закупится.
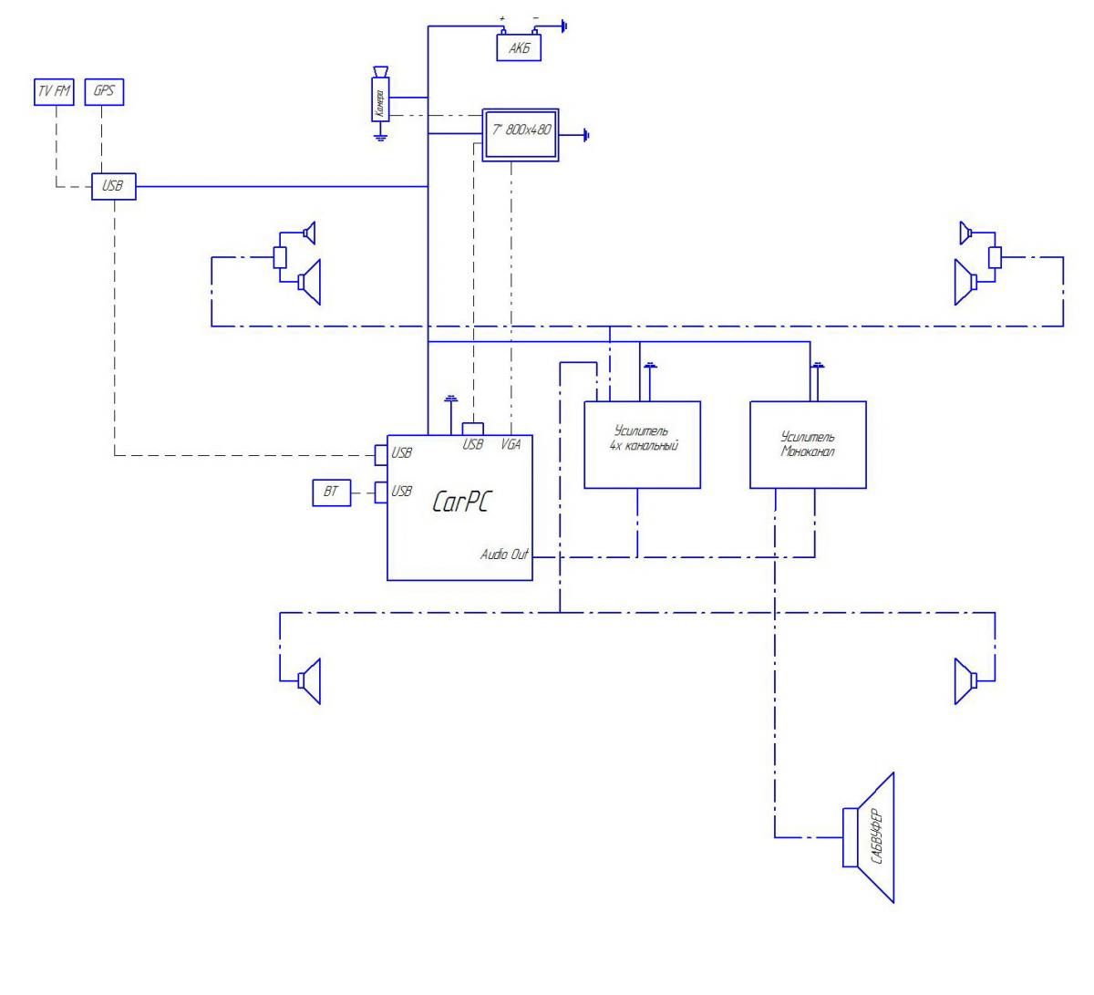
Набрасал примерную схемку.
Имеется в машине хорошая музыка (два усилка, саб, заменеы штатные динамики)
Корпус буду делать из композита для вентфасадов, обклею карпетом. Приемущества:
1. Можно скроить из одного листа.
2. Прочный.
3. Меньше помех, т.к. металл.
Системник ставлю под пассажирское сидение, только вот два усилка как будут работать под вод. сидением? Боюсь прегреются.


Ответить с цитированием

