Внимание с 1 ноября 2011г. в продажу поступили новые версии устройств с новой программой управления , всем желающим обновится до новой версии прошивки и программы нужно проделать небольшие манипуляции на ПК, физический доступ к устройству не потребуется.
Подробнее здесь.
Скачать программу для новой версии устройств можно здесь.
Свежий драйвер.
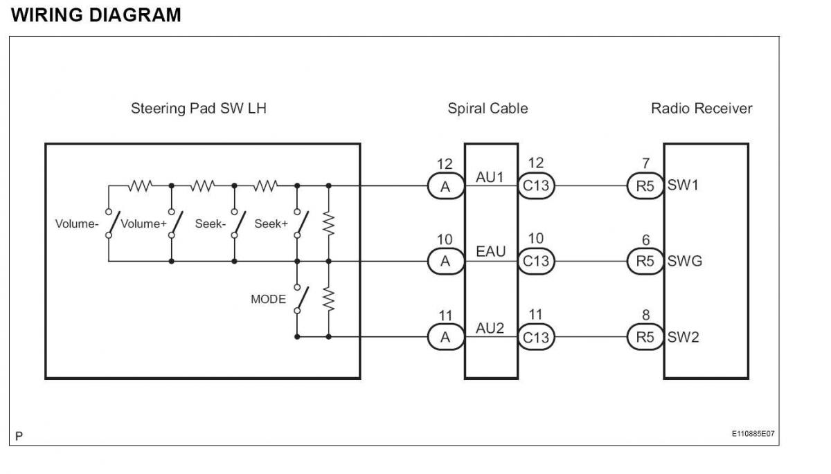
Данный адаптер обеспечивает связь резистивных кнопок, расположенных на руле или на отдельном джойстике, с CarPC и позволяет эмулировать нажатия клавиш клавиатуры. Программное обеспесение данного адаптера позволяет опознать значение резистивной кнопки и сопоставить его с нажатием практически любой комбинации клавиш на клавиатуре.
Адаптер можно перепрошивать новыми версиями прошивок , через USB.
Инструкция для устранения неполадок
Купить можно на carmonitor.ru
Скачать софт к адаптеру рулевых кнопок.
jstk.jpg
![]()




Ответить с цитированием