У меня на плате есть светодиоды подсветки кнопок.
Точнее 2 платы с цепочками светодиодов. По замерам потребление одной платы ~38mAh Их можн оподключать отдельно либо вместе (~76mAh)
В авто есть датчик света и соответственно авто регулировка яркости подсветки.
имею следующие входящие сигналы:
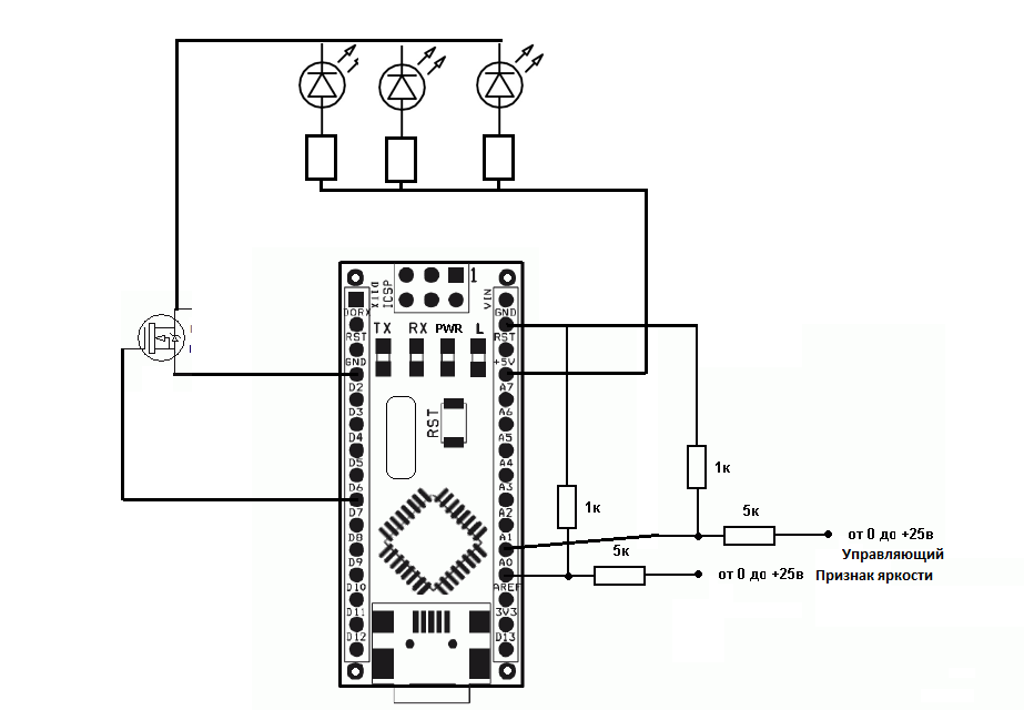
1 провод - Признак подсветки. +12 когда включена, 0 когда выключено.
2 провод - Признак яркости +12 - минимальное значение яркости, 0 - максимальная яркость.
Соттветственно надо как то подключить это к ардуино. В схемотехнике имею проблемы...
В моем понимании
A) +12 с первого провода будет подаваться на ногу ардуино через делитель? Или нужно реле и замыканеи внутренней 5-вольтовой цепи ардуино?
Б) Опять таки через делитель ловим на другую ногу ардуины сигнал с 2 провода и обратно пропорционально меняем ШИМ на 3 ноге.
С) 3 нога подключается через полевик, т.к. предел у ноги ардуины 40mAh а у меня 76. Или я могу подключить две платы на разные ноги (по 38mAh каждая)?? Для полевика нужна обвязка? Вот такой полевик пойдет? _http://www.allchip.ru/?act=element&id=421079 Я так понимаю тут все аналогично
http://www.compcar.ru/forum/showthread.php?t=4690




Ответить с цитированием

В том смысле - управляется ли выбраный Вами транзистор от логических уровней, выдаваемых Ардуино?
