Страница 1 из 17 123456711 ... ПоследняяПоследняя
Показано с 1 по 10 из 166
  1. #1
    Администратор Аватар для Chip
    Регистрация
    08.06.2007
    Возраст
    56
    Сообщений
    13,381
    Вес репутации
    10

    По умолчанию Centrafuse Plugin и Arduino

    Для тех кому нужны дополнительные кнопки в автомобиле и нет желания портить интерьер , то это решение как раз для вас.

    Плагин создал MarcelP.
    Скачать плагин для CF2
    Скачать плагин для CF3
    Скачать плагин для CF3.5

    Купить Arduino Nano
    Максимальное число кнопок в плагине 16, изменить можно в настройках.
    Максимальное возможное количество подключаемых реле к arduino не более 16 шт. Минимальное 1шт.
    В настройках подпишите кнопки и выберети номер порта на котором у вас в системе зарегистрирован Carduino

    В качестве USB девайса используем Arduino Nano
    Нажмите на изображение для увеличения. 

Название:	CARDUINO_Relay.png 
Просмотров:	9100 
Размер:	8.7 Кб 
ID:	6280

    Если не нужно управлять большим колличеством устройств можно купить Relay module

    Еще один более простой вариант подключения реле
    Нажмите на изображение для увеличения. 

Название:	CARDUINO_RelayBoard.png 
Просмотров:	12730 
Размер:	37.1 Кб 
ID:	11577

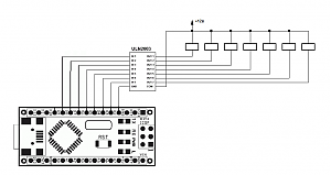
    Исходник разведенной платы на микросхеме ULN2003 от ASSAD. Лучше применить микросхему ULN2803 так как у нее 8 ключей
    Нажмите на изображение для увеличения. 

Название:	relay.jpg 
Просмотров:	3132 
Размер:	127.6 Кб 
ID:	6279

    Можно купить готовый блок на 8 реле
    Мастеркит NM4412


    Протокол общения arduino с Plugin:
    Plugin шлет три байта
    первый байт - преамбула всегда равен FF
    Второй байт - выбор реле от 1 до 16
    Третий байт переводит состояние выхода, 1=включение, 0=выключение

    Код для rduino Nano:
    PHP код:
    void setup() 

      
    // выходы управления реле 
       
    for (int i=210i++) 
       { 
          
    pinMode(i,OUTPUT); 
          
    digitalWrite(iLOW); 
        } 
     
      
    // инициализация порта 
      
    Serial.begin(9600); 

     
    void loop() 
    {  
      
    byte abc
      if (
    Serial.available() > 2)   // ждем данные от плагина 
      

        
    Serial.read();  
        
    Serial.read(); 
        
    Serial.read(); 
         if(
    == 0xFF//если данные от плагина, то выполим команду
          

            
    digitalWrite(b+1, (c==0x01) ? HIGH LOW); //выполнить
    }  }  } 
    Скетч для реле модулей с инверсией
    PHP код:
    void setup()   
    {   
      
    // выходы управления реле   
       
    for (int i=210i++) 
       { 
          
    pinMode(i,OUTPUT); 
          
    digitalWrite(iHIGH); 
        } 

      
    Serial.begin(9600);   
    }   
       
    void loop()   
    {    
      
    byte abc;   
      if (
    Serial.available() > 2)   // ждем данные от плагина   
      
    {   
        
    Serial.read();   //дискриптор 
        
    Serial.read();  //номер реле 
        
    Serial.read();  //состояние реле 
         
    if(== 0xFF//если данные от плагина, то выполим команду  
          
    {   
            
    digitalWrite(b+1, (c==0x01) ? HIGH:LOW ); //выполнить  
    }  }  } 
    Нажмите на изображение для увеличения. 

Название:	relay.jpg 
Просмотров:	3132 
Размер:	127.6 Кб 
ID:	6279Нажмите на изображение для увеличения. 

Название:	CF3_DMKIO.png 
Просмотров:	4400 
Размер:	99.5 Кб 
ID:	11578Нажмите на изображение для увеличения. 

Название:	DMK_IO_Board_02.JPG 
Просмотров:	2512 
Размер:	63.4 Кб 
ID:	7810
    Вложения Вложения
    Последний раз редактировалось Chip; 19.03.2017 в 02:49.

  2. #2
    Администратор Аватар для Chip
    Регистрация
    08.06.2007
    Возраст
    56
    Сообщений
    13,381
    Вес репутации
    10

    По умолчанию Re: Centrafuse Plugin и Arduino

    Проверил , работает.
    Последний раз редактировалось Chip; 24.10.2009 в 18:29.

  3. #3
    Местный
    Регистрация
    24.02.2009
    Возраст
    57
    Сообщений
    175
    Вес репутации
    242

    По умолчанию Re: Centrafuse Plugin и Arduino

    Хорошо бы подобный плагин и для Road Runner.

  4. #4
    Администратор Аватар для Chip
    Регистрация
    08.06.2007
    Возраст
    56
    Сообщений
    13,381
    Вес репутации
    10

    По умолчанию Re: Centrafuse Plugin и Arduino

    До РР все ни как руки не доходят.

  5. #5
    Пользователь
    Регистрация
    06.05.2009
    Сообщений
    46
    Вес репутации
    214

    По умолчанию Re: Centrafuse Plugin и Arduino

    [QUOTE=Chip;45276]
    Максимальное число кнопок в плагине 16, изменить можно в настройках.
    Максимальное возможное количество подключаемых реле к Carduino не более 12 шт. Минимальное 1шт.
    [QUOTE]


    Добрый день
    а не подскажите какое реле здесь можно использовать?

  6. #6
    Администратор Аватар для Chip
    Регистрация
    08.06.2007
    Возраст
    56
    Сообщений
    13,381
    Вес репутации
    10

    По умолчанию Re: Centrafuse Plugin и Arduino

    Любое 12в реле , только без фанатизма
    Желательно такие же как в автомобильных сигнализациях стоят.

  7. #7
    Пользователь Аватар для poraboloid
    Регистрация
    30.11.2009
    Возраст
    44
    Сообщений
    39
    Вес репутации
    205

    По умолчанию Re: Centrafuse Plugin и Arduino

    [QUOTE=igor1978;50585][QUOTE=Chip;45276]
    Максимальное число кнопок в плагине 16, изменить можно в настройках.
    Максимальное возможное количество подключаемых реле к Carduino не более 12 шт. Минимальное 1шт.
    [QUOTE]

    С чего же такое ограничение ? Железка собрана на Меге 168, или 328 порты аналоговых входов можно использовать как цифровые входы-выходы, достаточно лишь прописать их инициализацию.

  8. #8
    Администратор Аватар для Chip
    Регистрация
    08.06.2007
    Возраст
    56
    Сообщений
    13,381
    Вес репутации
    10

    По умолчанию Re: Centrafuse Plugin и Arduino

    Все верно, только не стал заморачиватся. Думаю в машине 16 выключателей очень много. Восем в самый раз.

  9. #9
    Местный
    Регистрация
    31.08.2009
    Возраст
    42
    Сообщений
    109
    Вес репутации
    222

    По умолчанию Re: Centrafuse Plugin и Arduino

    а можно ли таким плагином делать тот же обогрев временным?
    ну, нажал кнопку, обогрев включился, а через 5 минут автоматом выключился
    и еще можно ли эту схему (связка Arduino и данного плагина) использовать чтобы крутить сервоприводы?
    Последний раз редактировалось Wave; 30.12.2009 в 15:02.

  10. #10
    Администратор Аватар для Chip
    Регистрация
    08.06.2007
    Возраст
    56
    Сообщений
    13,381
    Вес репутации
    10

    По умолчанию Re: Centrafuse Plugin и Arduino

    В настройках плагина есть возможность устанавливать время выключения

Страница 1 из 17 123456711 ... ПоследняяПоследняя

Информация о теме

Пользователи, просматривающие эту тему

Эту тему просматривают: 1 (пользователей: 0 , гостей: 1)

Ваши права

  • Вы не можете создавать новые темы
  • Вы не можете отвечать в темах
  • Вы не можете прикреплять вложения
  • Вы не можете редактировать свои сообщения
  •