Страница 6 из 8 ПерваяПервая 12345678 ПоследняяПоследняя
Показано с 51 по 60 из 79
  1. #51
    Пользователь
    Регистрация
    17.02.2009
    Возраст
    41
    Сообщений
    20
    Вес репутации
    213

    По умолчанию Re: Контроллер включения/выключения

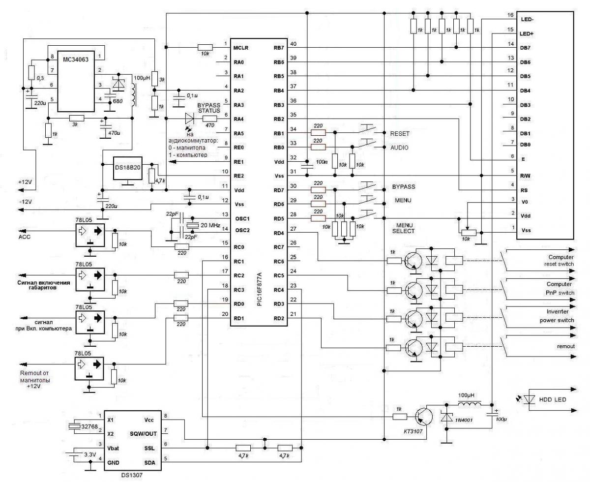
    Вот схема V5. На выходных сделал платы (дисплей и кнопки отдельно), их выложу попозже, частично спаял, так что думаю скоро закончу.
    Миниатюры Миниатюры Нажмите на изображение для увеличения. 

Название:	kontroller_V5.jpg 
Просмотров:	707 
Размер:	144.9 Кб 
ID:	6506  
    Последний раз редактировалось Electron; 15.11.2009 в 03:38. Причина: Обновил схему

  2. #52
    Новичок
    Регистрация
    14.10.2009
    Возраст
    65
    Сообщений
    1
    Вес репутации
    0

    По умолчанию Re: Контроллер включения/выключения

    Цитата Сообщение от Electron Посмотреть сообщение
    Вот схема V5. На выходных сделал платы (дисплей и кнопки отдельно), их выложу попозже, частично спаял, так что думаю скоро закончу.
    Прив всем уважениии, но нафиг столько стабилизаторов?
    Ведь проще поставить токоограничивающий резистор и стабилитрон по входам.

  3. #53
    Пользователь
    Регистрация
    17.02.2009
    Возраст
    41
    Сообщений
    20
    Вес репутации
    213

    По умолчанию Re: Контроллер включения/выключения

    Почему же проще? Так 3 ноги паять на один вход, а если делать на стабилитроне то 4. При цене 78L05(корпус ТО-92) в 1,2руб, даже не стал заморачиваться вопросом поиска какой то замены. Да и по габаритам стабилизатор получается поменьше стабилитрона и резистора, конечно если те не в смд исполнении. В любом случае, если кому то удобнее применить схему со стабилитроном, я не против) и на работоспособности контроллера это никак не должно сказаться.

  4. #54
    торпедопек Аватар для Urvin
    Регистрация
    15.10.2009
    Возраст
    38
    Сообщений
    43
    Вес репутации
    209

    По умолчанию Re: Контроллер включения/выключения

    Это сказывается на впечатлении об общей вменяемости автора + явно лишние реле + делитель напруги на малых сопротивления.
    ds1307 зачем?

  5. #55
    Пользователь
    Регистрация
    17.02.2009
    Возраст
    41
    Сообщений
    20
    Вес репутации
    213

    По умолчанию Re: Контроллер включения/выключения

    Наконец-то выкладываю архив с 5 версией. Прошивка под руссифицированный дисплей.

    Изменения:
    1. Входной стабилизатор питания 7805 заменён импульсным на основе MC34063 ввиду его меньшего тепловыделения.
    2. В прошивке v.5,20 добавлен вольтметр с выводом показаний на дисплей. Для уменьшения разброса показаний на вход АЦП добавлен керамический конденсатор 0,1mk. Также добавлен пункт меню для внесения поправки. Думаю это проще чем искать прецизионные резисторы. У меня для верности показаний поправка составила +250мВ. Показания выводятся на месте надписи "Темп".
    3. После входного предохранителя и после преобразователя установлены супрессоры (выдраны с платы винчестера) на 16 и 6,8В соответственно.
    4. Добавлен индикатор активности винта.
    5. На плате имеется возможность подачи любого входного сигнала (0-20В) на АЦП, с напряжения АКБ переключается джампером.

    Замечания по плате:
    1. Для соединения платы контроллера и платы дисплея планировалось применить IDC разъём на 18 контактов. И только в магазине узнал что их нет в природе(((. Пришлось поставить 20-ти контактный, благо влез без вопросов, только ненужные ноги из него вытащить пришлось.
    2. Входной предохранитель установлен так что не защищает цепь питания силовых реле(предусмотрено место под отдельный предохранитель, я не ставил) и вход АЦП.

    Пока наверное всё. В дальнейшем планирую немного изменить размещение даты на дисплее и переделать прошивку для не руссифицированного дисплея. Есть возможность в одном разряде отображать состояние какой либо переменной, принимаются предложения.

    P.S. вечером постараюсь выложить фотки.
    Вложения Вложения
    Последний раз редактировалось Electron; 15.11.2009 в 03:38. Причина: Перезалил архив. Внесены изменения в схему.

  6. #56
    Пользователь
    Регистрация
    17.02.2009
    Возраст
    41
    Сообщений
    20
    Вес репутации
    213

    По умолчанию Re: Контроллер включения/выключения

    Цитата Сообщение от Urvin Посмотреть сообщение
    Это сказывается на впечатлении об общей вменяемости автора + явно лишние реле + делитель напруги на малых сопротивления.
    Кому то может и лишние, а кому то необходимые. Согласен, вместо двух релюх можно поставить оптроны, но на мой взгляд чистая коммутация более привлекательна. По поводу делителя. Не нравится, поставьте больше, я ж не против. Только не вижу принципиальной разницы. Хотя может быть я о ней пока не знаю, т.к это можно сказать моё первое знакомство с контроллерами. Если есть аргументированное обоснование неправильности выбора сопротивлений делителя с удовольствием выслушаю.
    Цитата Сообщение от Urvin Посмотреть сообщение
    ds1307 зачем?
    За часами).

    P.S. Конструкция не претендует на удовлетворение всех потребностей всех инсталяций и инсталяторов. Кого не устраивает, может выбрать другую или разработать свою.
    Последний раз редактировалось Electron; 10.11.2009 в 13:04.

  7. #57
    Пользователь
    Регистрация
    16.10.2009
    Возраст
    69
    Сообщений
    92
    Вес репутации
    219

    По умолчанию Re: Контроллер включения/выключения

    Просто мысли вслух а если не заняты все знакоместа в дисплее наверно можно было бы вместо светодиода HDD LED пустить по кругу символы "НУЛЯ" что бы они по очереди горели как бы крутились ну или что нибудь уж если есть индикатор зачем светодиод

  8. #58
    Пользователь
    Регистрация
    17.02.2009
    Возраст
    41
    Сообщений
    20
    Вес репутации
    213

    По умолчанию Re: Контроллер включения/выключения

    to Vladget: Отображение активности винта на дисплее помоему не впишется в общий дизайн проекта, да и ресурсы контроллера отдавать жалко, тем более что информативность будет хуже, чем стандартные вспышки светодиода. Но в любом случае благодарю за идею.

    Выкладываю обещанные фотки. На фото преобразователь выполнен отдельным модулем, т.к. отказаться от 7805 решил уже после изготовления печатки. На печатке выложенной выше преобразователь размещён на основной плате.
    Миниатюры Миниатюры Нажмите на изображение для увеличения. 

Название:	IMG_2450.jpg 
Просмотров:	560 
Размер:	172.7 Кб 
ID:	6458   Нажмите на изображение для увеличения. 

Название:	IMG_2451.jpg 
Просмотров:	507 
Размер:	178.6 Кб 
ID:	6459  

  9. #59
    Пользователь
    Регистрация
    16.10.2009
    Возраст
    69
    Сообщений
    92
    Вес репутации
    219

    По умолчанию Re: Контроллер включения/выключения

    Цитата Сообщение от Electron Посмотреть сообщение
    to Vladget: Отображение активности винта на дисплее помоему не впишется в общий дизайн проекта, да и ресурсы контроллера отдавать жалко, тем более что информативность будет хуже, чем стандартные вспышки светодиода. Но в любом случае благодарю за идею.

    Выкладываю обещанные фотки. На фото преобразователь выполнен отдельным модулем, т.к. отказаться от 7805 решил уже после изготовления печатки. На печатке выложенной выше преобразователь размещён на основной плате.
    Ну ладно почти уговорил правда придется помороковать куда поставить плату дисплея и решить нужна она мне вообще или нет (тем более что он дисплей уже куплен и отличается от твоего расположением контактов у моего в два ряда по 8) ну это уже так мелочи короче платы заказываю спасибо (от меня )за эту работу

  10. #60
    Пользователь
    Регистрация
    17.02.2009
    Возраст
    41
    Сообщений
    20
    Вес репутации
    213

    По умолчанию Re: Контроллер включения/выключения

    По совету awtoap с pccar.ru внесены изменения в схему: увеличены до 1 килоома сопротивления в базах транзисторов и понижены до 4,7кОм подтягивающие резисторы на 18B20 и ds1307.

    P.S. Перезалил архив и схему с учётом изменений.

Страница 6 из 8 ПерваяПервая 12345678 ПоследняяПоследняя

Информация о теме

Пользователи, просматривающие эту тему

Эту тему просматривают: 1 (пользователей: 0 , гостей: 1)

Ваши права

  • Вы не можете создавать новые темы
  • Вы не можете отвечать в темах
  • Вы не можете прикреплять вложения
  • Вы не можете редактировать свои сообщения
  •