Страница 123 из 261 ПерваяПервая ... 2373113117118119120121122123124125126127128129133173223 ... ПоследняяПоследняя
Показано с 1,221 по 1,230 из 2609
  1. #1221
    Гуру Аватар для (vS)
    Регистрация
    18.06.2007
    Возраст
    48
    Сообщений
    1,981
    Вес репутации
    708

    По умолчанию Re: Универсальная панель приборов VENATOR

    f..k U!!!
    что это за софт? ))) ХОТЕТЬ!!!

    а я нашел сервисмануал на свой раздолбыш )) вечером буду смотреть. если чо... ну вдруг http://www54.zippyshare.com/v/80537160/file.html

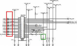
    что-то мне подсказывает... что это LVDS
    Нажмите на изображение для увеличения. 

Название:	3500.png 
Просмотров:	3206 
Размер:	71.2 Кб 
ID:	18162
    Последний раз редактировалось (vS); 28.10.2014 в 07:12.
    автоMOBILEвый моDDEр
    мой карпутер второй очередной

  2. #1222
    Местный
    Регистрация
    20.09.2013
    Возраст
    45
    Сообщений
    131
    Вес репутации
    262

    По умолчанию Re: Универсальная панель приборов VENATOR

    Цитата Сообщение от (vS) Посмотреть сообщение

    что-то мне подсказывает... что это LVDS
    Да! Это LVDS..

  3. #1223
    Разработчик VENATOR Аватар для bfom
    Регистрация
    07.07.2008
    Возраст
    49
    Сообщений
    898
    Вес репутации
    665

    По умолчанию Re: Универсальная панель приборов VENATOR

    Цитата Сообщение от (vS) Посмотреть сообщение
    ...что это за софт? ))) ХОТЕТЬ!!!


  4. #1224
    Местный
    Регистрация
    20.09.2013
    Возраст
    45
    Сообщений
    131
    Вес репутации
    262

    По умолчанию Re: Универсальная панель приборов VENATOR

    Цитата Сообщение от bfom Посмотреть сообщение
    Скин венатора перерисовать можно, но надо думать как все это запускать в автомате
    http://www.4tablet-pc.net/hints-and-...art-app-in-to-

  5. #1225
    Разработчик VENATOR Аватар для bfom
    Регистрация
    07.07.2008
    Возраст
    49
    Сообщений
    898
    Вес репутации
    665

    По умолчанию Re: Универсальная панель приборов VENATOR

    За ссыль спасибо, но это приложение уже и у нас в ветке обсуждалось. я имел ввиду автозапуск двухоконного режима, там кучу действий нужно натапать)))
    Последний раз редактировалось bfom; 28.10.2014 в 14:31.

  6. #1226
    Продвинутый Аватар для wladkom53
    Регистрация
    07.03.2012
    Возраст
    72
    Сообщений
    254
    Вес репутации
    299

    По умолчанию Re: Универсальная панель приборов VENATOR

    Цитата Сообщение от bfom Посмотреть сообщение
    За ссыль спасибо, но это приложение уже и у нас в ветке обсуждалось. я имел ввиду автозапуск двухоконного режима, там кучу действий нужно натапать)))
    Наверное опять только с помощью таскера. Попроси myxa781. Он в этом шибко разбирается.

  7. #1227
    Местный
    Регистрация
    20.09.2013
    Возраст
    45
    Сообщений
    131
    Вес репутации
    262

    По умолчанию Re: Универсальная панель приборов VENATOR


  8. #1228
    Продвинутый Аватар для wladkom53
    Регистрация
    07.03.2012
    Возраст
    72
    Сообщений
    254
    Вес репутации
    299

    По умолчанию Re: Универсальная панель приборов VENATOR

    Очень хорошее приложение (только пока c ограничением: для рокчип RK3188 и android 5.0?)
    Последний раз редактировалось wladkom53; 28.10.2014 в 15:14.

  9. #1229
    Новичок
    Регистрация
    16.09.2014
    Сообщений
    10
    Вес репутации
    145

    По умолчанию Re: Универсальная панель приборов VENATOR

    что-то у мня скетч не заливается ,правда у мня Леонардо,
    вот на что ругается:
    Arduino: 1.5.7 (Windows XP), Board: "Arduino Leonardo"

    venatorIII_sketch.ino: In function 'void setup()':
    venatorIII_sketch.ino:20:3: error: 'Serial2' was not declared in this scope
    venatorIII_sketch.ino: In function 'void loop()':
    venatorIII_sketch.ino:96:3: error: 'Serial2' was not declared in this scope

    This report would have more information with
    "Show verbose output during compilation"
    enabled in File > Preferences.

    что не так ?
    сильно не пинайте с ардуино только начал разбираться

  10. #1230
    Гуру Аватар для reanon
    Регистрация
    02.03.2009
    Возраст
    46
    Сообщений
    927
    Вес репутации
    708

    По умолчанию Re: Универсальная панель приборов VENATOR

    вот написано
    Последовательная шина: 0 (RX) и 1 (TX). Выводы используются для получения (RX) и передачи (TX) данных TTL. Данные выводы подключены к соответствующим выводам микросхемы последовательной шины ATmega32U4 USB-to-TTL. Обратите внимание что у Leonardo, класс Serial относится к последовательному соединению USB CDC. Последовательное соединение через выводы 0 и 1 осуществляется через класс Serial1.

    у вашей платы нет сериал портов 2 и 3
    а в скетче они прописаны

Страница 123 из 261 ПерваяПервая ... 2373113117118119120121122123124125126127128129133173223 ... ПоследняяПоследняя

Информация о теме

Пользователи, просматривающие эту тему

Эту тему просматривают: 80 (пользователей: 0 , гостей: 80)

Метки этой темы

Ваши права

  • Вы не можете создавать новые темы
  • Вы не можете отвечать в темах
  • Вы не можете прикреплять вложения
  • Вы не можете редактировать свои сообщения
  •