Страница 5 из 25 ПерваяПервая 123456789101115 ... ПоследняяПоследняя
Показано с 41 по 50 из 249

Тема: Т2000

  1. #41
    Администратор Аватар для Chip
    Регистрация
    08.06.2007
    Возраст
    56
    Сообщений
    13,381
    Вес репутации
    10

    По умолчанию Re: Т2000

    А схемку в PNG или JPG можно ? А то у меня не открывается в sPLAN

  2. #42
    Пользователь
    Регистрация
    21.08.2008
    Возраст
    42
    Сообщений
    91
    Вес репутации
    237

    По умолчанию Re: Т2000

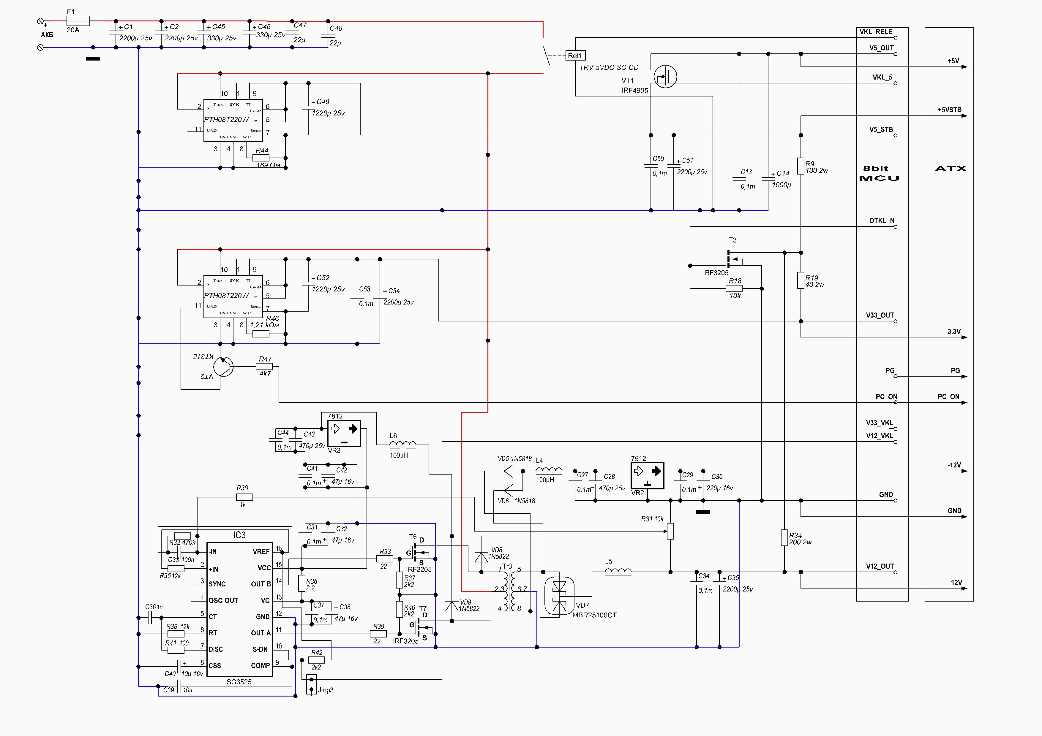
    Как то так
    Миниатюры Миниатюры Нажмите на изображение для увеличения. 

Название:	123.png 
Просмотров:	1165 
Размер:	53.0 Кб 
ID:	1953  

  3. #43
    Администратор Аватар для Chip
    Регистрация
    08.06.2007
    Возраст
    56
    Сообщений
    13,381
    Вес репутации
    10

    По умолчанию Re: Т2000

    Подсчитал стоимость двух PTH08T220WAH и получается что проще купить готовый девайс , E10000 например.

  4. #44
    Местный Аватар для Самоделкин
    Регистрация
    11.02.2008
    Возраст
    61
    Сообщений
    186
    Вес репутации
    285

    По умолчанию Re: Т2000

    процесс идет, вот и Т-2000 определяется системой, пока сделано обновление прошивки по USB, но скоро будет и управление
    Миниатюры Миниатюры Нажмите на изображение для увеличения. 

Название:	Рабочий_Стол.jpg 
Просмотров:	769 
Размер:	35.0 Кб 
ID:	1954  

  5. #45
    Пользователь
    Регистрация
    21.08.2008
    Возраст
    42
    Сообщений
    91
    Вес репутации
    237

    По умолчанию Re: Т2000

    Посчитал стоимость деталей для сборки Т2000. Расчёты получились похожими:
    Полевики - 400р
    реле - 100
    кольца - 150
    катушки - 50
    Ну и рассыпухи - тоже добре...

    Эти два преобразователя стоят 850р. Не настолько дороже пушш пола. Зато меньше удовольствия мотать кольца)

    У меня такой вопрос: Можно ли вместо полевиков взять IRFZ44N???

  6. #46
    Пользователь
    Регистрация
    21.08.2008
    Возраст
    42
    Сообщений
    91
    Вес репутации
    237

    По умолчанию Re: Т2000

    Блин, в идеале бы видеть энергопотребление, и вообще зашибись бы было бы

  7. #47
    Пользователь
    Регистрация
    21.08.2008
    Возраст
    42
    Сообщений
    91
    Вес репутации
    237

    По умолчанию Re: Т2000

    И L5 какая индуктивность?
    Я взял 67мГн на 4А - пойдёт?

  8. #48
    Администратор Аватар для Chip
    Регистрация
    08.06.2007
    Возраст
    56
    Сообщений
    13,381
    Вес репутации
    10

    По умолчанию Re: Т2000

    Цитата Сообщение от sij7
    Посчитал стоимость деталей для сборки Т2000. Расчёты получились похожими:
    Полевики - 400р
    реле - 100
    кольца - 150
    катушки - 50
    Ну и рассыпухи - тоже добре...

    Эти два преобразователя стоят 850р. Не настолько дороже пушш пола. Зато меньше удовольствия мотать кольца)

    У меня такой вопрос: Можно ли вместо полевиков взять IRFZ44N???
    А где брал преобразователи?
    Я нашел в Москве по цене 32$ за один.

  9. #49
    Пользователь
    Регистрация
    21.08.2008
    Возраст
    42
    Сообщений
    91
    Вес репутации
    237

    По умолчанию Re: Т2000

    Заказывал в дане.
    Отправь запрос в Компэл. Через них будет дешевле

  10. #50
    Продвинутый Аватар для xDriver
    Регистрация
    26.03.2008
    Сообщений
    268
    Вес репутации
    320

    По умолчанию Re: Т2000

    Цитата Сообщение от Самоделкин
    xDriver, странно, у меня все нормально открывается, если надо могу продублировать
    вот мой sPlan, и то что при открытии твоего файла:
    Миниатюры Миниатюры Нажмите на изображение для увеличения. 

Название:	Безимени-2.jpg 
Просмотров:	408 
Размер:	100.8 Кб 
ID:	1988   Нажмите на изображение для увеличения. 

Название:	Безимени-1.jpg 
Просмотров:	381 
Размер:	47.7 Кб 
ID:	1989  
    ECS H67H2-I Intel® Core™ i3-2130, RAM 4гб, SSD 160 гб, моник XD, БП M4-ATX, BU-353, Yota, SkyLink, WiFi и т.д.

Страница 5 из 25 ПерваяПервая 123456789101115 ... ПоследняяПоследняя

Информация о теме

Пользователи, просматривающие эту тему

Эту тему просматривают: 1 (пользователей: 0 , гостей: 1)

Ваши права

  • Вы не можете создавать новые темы
  • Вы не можете отвечать в темах
  • Вы не можете прикреплять вложения
  • Вы не можете редактировать свои сообщения
  •