Прежде чем конфигурировать тайминги , проверте версию своего блока питания.
Купить M2-ITX
Инструкция для второй версии блока питания M2-ITX
Инструкция крепления блока в корпус Mini-ITX
Таблица для REV.2F
Таблица для REV.1
За таблицы огромное спасибо olegteh
Мощность 160W
Входное напряжение от 7в до 26в
Контроль разряда аккумулятора
Программируемые задержки выключения
Учтены недостатки M2-ATX
Теперь стоит плавкий предохранитель спасающий при КЗ(на M2-ATX сгорало все кроме предохранителя)
Добавлены четырех пиновый и SATA разьемы
Раздельный шлейф на питание диководов и процессора
Дабавлен на плате индикатор Power ON.
Дабавлен на плате индикатор срабатывания защиты.
Теперь отверстия крепления блока расположены по углам.
Максимальное время работы компьютера в ждущем режиме 20мин
Минимальное входное напряжение 6V
Максимальное входное напряжение 26V (выше этого напряжения сработает защита)
Порог защиты от разряда аккумулятора 11.2V
Входной предохранитель 15A
Допустимая температура от -40 до +85
Температура хранения от -55 до +125
MTBF 192,000 Гц @ 50C, 96,000 Гц @65C
КПД при входном напряжении 9-16V и 50% нагрузке 94%
Максимальная нагрузка (пиковая)
5V 8A (12A) +/-1.5%
3.3V 8A (12A) +/-1.5%
5VSB 1.5A (2A) +/-1.5%
-12V 0.15A (0.2A) +/-1.5%
12V 8A (9A) +/-2%
Распиновка:
J1 - +12в к плюсовой клейме аккумулятора
J2 - общий к корпусу автомобиля
J3 - АСС управляющий от замка зажигания
J4 - к материнской плате к пинам "Power ON"
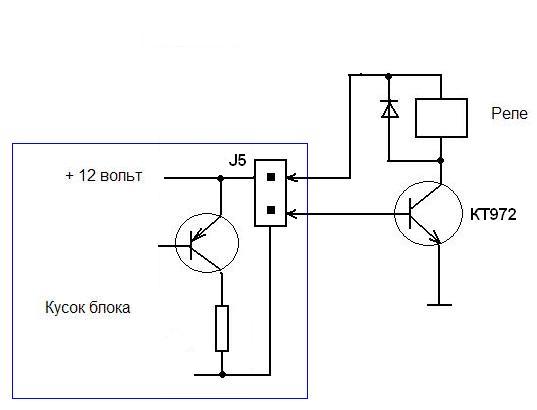
J5 - "Remote" к усилителю
J6 - к питанию HDD, DVD, FDD и 4 пиновый разьему процессора
J7 - к 20-24 пиновому разьему питания материнской платы
J8 - тайминги включения и выключения БП (по умолчанию 5сек на вкл. 30 сек. на выкл. подробней расписано в PDF)
J9 - к кнопке Power ON (при наличии кнопки)
Пояснения к таблице таймингов:
"Ton_d"---время задержки до подачи импульса включения.
"Toff_d"---время задержки до подачи импульса выключения.
"Toff"---закрытое время задержки. После выключения АСС и выполнения "Toff_d", режим 5VSB будет выключен после времени определенным режимом "Toff".
"UVP"---Защита от разряда аккумулятора. Когда входное напряжение упадет ниже напряжения защиты и в течение 30сек не изменится, то питание будет выключено автоматически.
Для эффективного использования CarPC с блоком M2-ITX поставте перемычкна В2 и сконфигурируйте в виндовс по нажатию на кнопку Power переходить в "Ждущий режим"
Выходит комп из этого режима почти моментально , потребление минимальное, очень удобно при коротких остановках не более 20мин.
Для полного понимания разьема J5 ("Remote"), выкладываю кусочек схемки конечного каскада.
Дороботка от Leha008 если у вас несколько усилителей или большой ток включения Remout
![]()


Ответить с цитированием
всяко пояльник дежать надо.
