Плата Zotac 630 itx, кулер Titan NK54 3х пиновый.
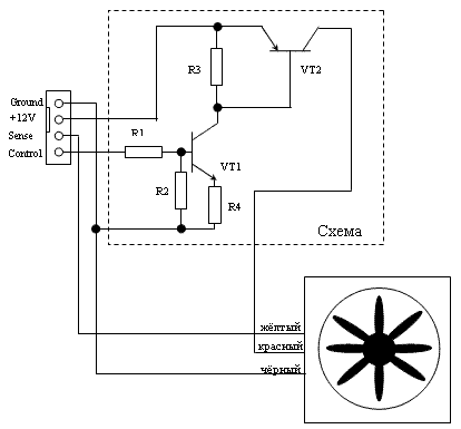
Собрал схему, см. ниже. Кулер работает так:
Если в BIOS значение CPU fan tiger temperatur поставить Disabled, то кулер крутит постоянно на скорости примерно 75% от максимальной и при загрузке и после загрузки.
Если это значение поставить на температуру в 30 градусов, то происходит следующее:
Пока комп загружается, кулер работает. После загрузки он останавливается. При 32-33 градусах начинает включаться, но крутит очень медленно до тех пор, пока температура не упадет до 28-29 градусов. Потом опять выключается.
Температуру смотрел через SpeedFan.
Вопрос: у кого установлен 4х пиновый кулер на Зотак, поясните, он так же работает?
Предыстория:
Оказалось, что титан 3х пиновый и при подключении работает на полную и на зависит от загрузки процессора.
Думал приобрести Zalman Fan Mate, которым можно вручную регулировать обороты, но это не совсем то, что нужно.
Нашел схему, по которой можно подключить 3х пиновый кулер на 4 пиновый разъем материнской платы .
Источник., но данная схема отказалась работать и вентилятор не работал. Видимо, номинал резисторов не подходит для Зотак.
Нашел другую, основанную на PWM (ШИМ) (см. вложение) Источник.


					
				
					
					
					
						
  Ответить с цитированием
					
						

