Страница 2 из 7 ПерваяПервая 1234567 ПоследняяПоследняя
Показано с 11 по 20 из 69
  1. #11
    Местный Аватар для Самоделкин
    Регистрация
    11.02.2008
    Возраст
    61
    Сообщений
    186
    Вес репутации
    284

    По умолчанию Re: FM радио для CarPC из остатков магнитолы

    А можно, например, и вот так: чип от силабс Si4741, специально разработанный для применения в автомобильном радио, процессор 8051 для общения с компом, программное обеспечение от силабс радио и всякая другая мелочь .

  2. #12
    Администратор Аватар для Chip
    Регистрация
    08.06.2007
    Возраст
    56
    Сообщений
    13,381
    Вес репутации
    10

    По умолчанию Re: FM радио для CarPC из остатков магнитолы

    Вообщем немного разобрался немного с Lart, контроллер называется C8051F321 (маркировка SILABS F321 ) представляет собой 10-битный АЦП, контроллер интерфейса (поддерживаются USB 1.1 и 2.0) и программируемый микроконтроллер с 16 КБ встроенной памяти.
    Прошивка в нем заточена под управление чипом Si4700/1
    нужно подбирать FM модуль совместимый по командам с Si4700/1, но я сомневаюсь что есть такие совместимые модули. Тем более что упраление у него не по I2C , а трехпроводный интерфейс

    Документацию на чипы Silabs берем здесь

    Документация на процессор C8051F321

    Нажмите на изображение для увеличения. 

Название:	lart.jpg 
Просмотров:	2005 
Размер:	40.5 Кб 
ID:	3840
    Последний раз редактировалось Chip; 30.03.2009 в 03:41.

  3. #13
    Продвинутый Аватар для xDriver
    Регистрация
    26.03.2008
    Сообщений
    268
    Вес репутации
    318

    По умолчанию Re: FM радио для CarPC из остатков магнитолы

    Цитата Сообщение от fand Посмотреть сообщение
    Можно, например, вот так:....

    Сразу говорю, схема не моя. На схеме управление FM-модулем магнитолы Sony (SSIR-EX). Все это дело управляется атмегой 8535 по USB. Качество приема отличное. Сейчас ведется доработка софта для PC.
    Так звук то тут по USB идет или нет ?
    ECS H67H2-I Intel® Core™ i3-2130, RAM 4гб, SSD 160 гб, моник XD, БП M4-ATX, BU-353, Yota, SkyLink, WiFi и т.д.

  4. #14
    Пользователь
    Регистрация
    29.03.2009
    Сообщений
    40
    Вес репутации
    216

    По умолчанию Re: FM радио для CarPC из остатков магнитолы

    Цитата Сообщение от Chip Посмотреть сообщение
    Вообщем немного разобрался немного с Lart, контроллер называется C8051F321 (маркировка SILABS F321 ) представляет собой 10-битный АЦП, контроллер интерфейса (поддерживаются USB 1.1 и 2.0) и программируемый микроконтроллер с 16 КБ встроенной памяти.
    Прошивка в нем заточена под управление чипом Si4700/1
    нужно подбирать FM модуль совместимый по командам с Si4700/1, но я сомневаюсь что есть такие совместимые модули. Тем более что упраление у него не по I2C , а трехпроводный интерфейс
    Ну вот главный вопрос с этого интерфейса научится снимать данные. А так даже можно штатный чип силабза не выкидывать, а просто данные о нужной частоте снимать с шины, конвертировать и выводить на нормальный радиоблок, и аудио с этого радиоблока хош, через линейный вход, хочешь через встроенный ацп силабза выдавай в комп.

  5. #15
    Пользователь Аватар для fand
    Регистрация
    13.05.2008
    Возраст
    53
    Сообщений
    84
    Вес репутации
    235

    По умолчанию Re: FM радио для CarPC из остатков магнитолы

    Цитата Сообщение от xDriver Посмотреть сообщение
    Так звук то тут по USB идет или нет ?
    Нет. Звук подается на линейный вход компа. А управление, RDS по USB
    Системы управления "умный дом" AMX, Crestron, KNX

  6. #16
    Пользователь
    Регистрация
    23.03.2009
    Возраст
    44
    Сообщений
    28
    Вес репутации
    213

    По умолчанию Re: FM радио для CarPC из остатков магнитолы

    Тема очень актуальна... Установка моего компа уперлась именно в отсутствие нормального приема радио. Когда планируется релиз?

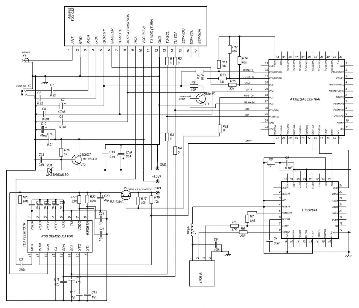
  7. #17
    Пользователь Аватар для fand
    Регистрация
    13.05.2008
    Возраст
    53
    Сообщений
    84
    Вес репутации
    235

    По умолчанию Re: FM радио для CarPC из остатков магнитолы

    Еще как вариант:

    Схема на модуле TUX-032, получается более миниатюрный, чем на SSIR-EX.
    Расшифровка протокола этого модуля выполнена на 70%. Пока не понятно назначение некоторых байтов.
    Миниатюры Миниатюры Нажмите на изображение для увеличения. 

Название:	USB_FM.jpg 
Просмотров:	5131 
Размер:	143.8 Кб 
ID:	3842  
    Последний раз редактировалось fand; 30.03.2009 в 17:15.
    Системы управления "умный дом" AMX, Crestron, KNX

  8. #18
    Администратор Аватар для Chip
    Регистрация
    08.06.2007
    Возраст
    56
    Сообщений
    13,381
    Вес репутации
    10

    По умолчанию Re: FM радио для CarPC из остатков магнитолы

    У меня и инете не получилось найти модуль TUX-032
    Он вообще в продаже существует?

  9. #19
    Пользователь
    Регистрация
    29.03.2009
    Сообщений
    40
    Вес репутации
    216

    По умолчанию Re: FM радио для CarPC из остатков магнитолы

    а вопрос слегка не по теме.
    приехал мне тут силабз, вроде работает, но где у него рдс должно показываться-то в CF? Или там нет поддержки этого?

  10. #20
    Пользователь Аватар для fand
    Регистрация
    13.05.2008
    Возраст
    53
    Сообщений
    84
    Вес репутации
    235

    По умолчанию Re: FM радио для CarPC из остатков магнитолы

    Цитата Сообщение от Chip Посмотреть сообщение
    У меня и инете не получилось найти модуль TUX-032
    Он вообще в продаже существует?
    Я выдрал из неисправной магнитолы Sony.
    Системы управления "умный дом" AMX, Crestron, KNX

Страница 2 из 7 ПерваяПервая 1234567 ПоследняяПоследняя

Информация о теме

Пользователи, просматривающие эту тему

Эту тему просматривают: 1 (пользователей: 0 , гостей: 1)

Метки этой темы

Ваши права

  • Вы не можете создавать новые темы
  • Вы не можете отвечать в темах
  • Вы не можете прикреплять вложения
  • Вы не можете редактировать свои сообщения
  •