Страница 14 из 27 ПерваяПервая ... 489101112131415161718192024 ... ПоследняяПоследняя
Показано с 131 по 140 из 261
  1. #131
    Продвинутый Аватар для Benny
    Регистрация
    27.02.2009
    Возраст
    37
    Сообщений
    204
    Вес репутации
    250

    По умолчанию Re: Адаптер подключения звука от CarPC к штатному усилителю на Toyota Lexus

    Chip, а для RX300 2002г есть схема? Я так и не смог разобраться... На схеме 24 пина, у меня только 15
    Последний раз редактировалось Benny; 19.04.2009 в 21:28.

  2. #132
    Администратор Аватар для Chip
    Регистрация
    08.06.2007
    Возраст
    56
    Сообщений
    13,381
    Вес репутации
    10

    По умолчанию Re: Адаптер подключения звука от CarPC к штатному усилителю на Toyota Lexus

    На них без схемы все понятно должно быть 4 тонких проводка в одной экранирующей оплетке (красный, зеленый, черный, белый)

  3. #133
    Продвинутый Аватар для Benny
    Регистрация
    27.02.2009
    Возраст
    37
    Сообщений
    204
    Вес репутации
    250

    По умолчанию Re: Адаптер подключения звука от CarPC к штатному усилителю на Toyota Lexus

    Цитата Сообщение от Chip Посмотреть сообщение
    На них без схемы все понятно должно быть 4 тонких проводка в одной экранирующей оплетке (красный, зеленый, черный, белый)
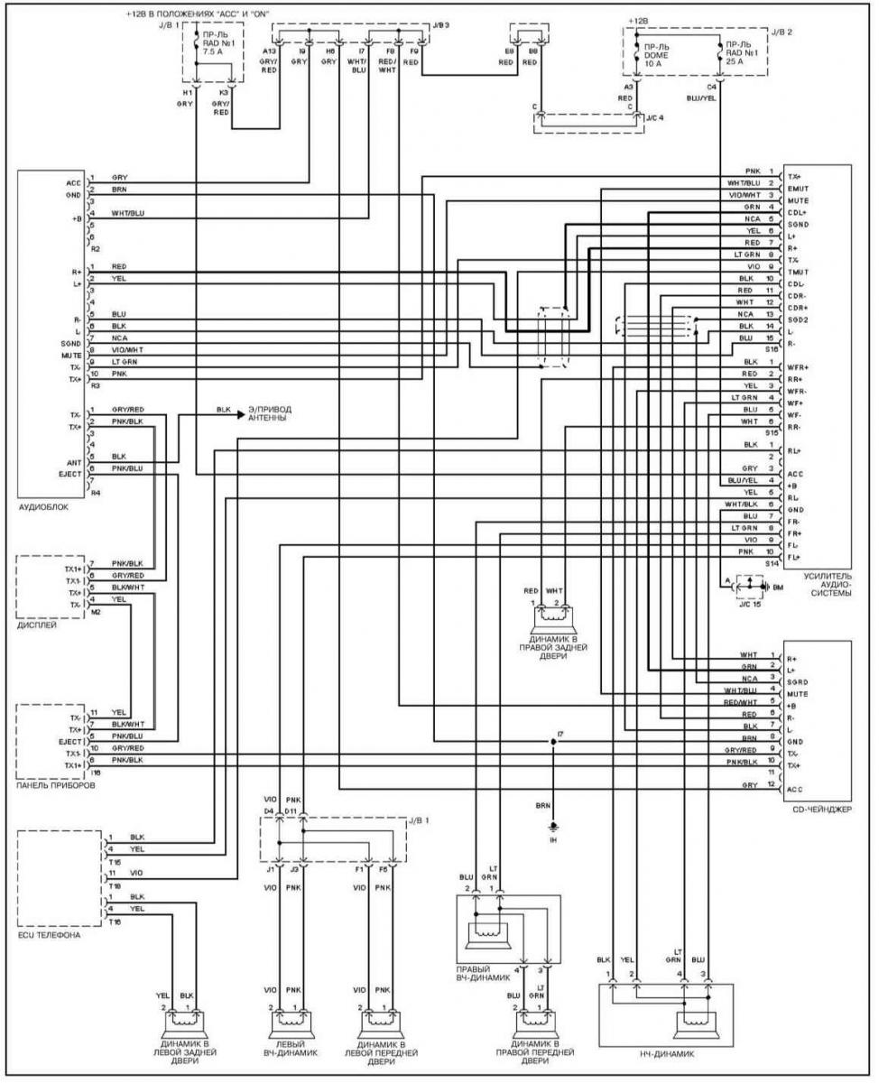
    я вот схему нашел... на сколько я понял (6,14) и (7,15) пины... а экран должен быть?
    Миниатюры Миниатюры Нажмите на изображение для увеличения. 

Название:	skhemy-wirings-61 - копия.jpg 
Просмотров:	1050 
Размер:	162.4 Кб 
ID:	4018  
    Последний раз редактировалось Benny; 12.04.2009 в 03:48.

  4. #134
    Администратор Аватар для Chip
    Регистрация
    08.06.2007
    Возраст
    56
    Сообщений
    13,381
    Вес репутации
    10

    По умолчанию Re: Адаптер подключения звука от CarPC к штатному усилителю на Toyota Lexus

    Все верно, экранирующая оплетка должна быть.

  5. #135
    Продвинутый Аватар для Benny
    Регистрация
    27.02.2009
    Возраст
    37
    Сообщений
    204
    Вес репутации
    250

    По умолчанию Re: Адаптер подключения звука от CarPC к штатному усилителю на Toyota Lexus

    Цитата Сообщение от Chip Посмотреть сообщение
    Все верно, экранирующая оплетка должна быть.
    Извините, немножко не догоняю... Взял AZ-FM, взял юсбишный провод, припаял все это дело как на схеме к az. Экран там черный провод... А вот к усилителю разве не нужно паять его?

  6. #136
    Администратор Аватар для Chip
    Регистрация
    08.06.2007
    Возраст
    56
    Сообщений
    13,381
    Вес репутации
    10

    По умолчанию Re: Адаптер подключения звука от CarPC к штатному усилителю на Toyota Lexus

    И что при этом подключении не работает?

  7. #137
    Продвинутый Аватар для Benny
    Регистрация
    27.02.2009
    Возраст
    37
    Сообщений
    204
    Вес репутации
    250

    По умолчанию Re: Адаптер подключения звука от CarPC к штатному усилителю на Toyota Lexus

    Цитата Сообщение от Chip Посмотреть сообщение
    И что при этом подключении не работает?
    Я только сейчас поеду делать. Просто в первом сообщении написано что 4 провода идут на звук, а один на экран.

    Ниже приведены блок схемы усилителей для Toyta Lexus
    Пины подключения к аудио входам "Базового" усилителя.
    Разъем усилителя пины (5,4) это вход правого канала усилителя.
    Разъем усилителя пины (3,2) это вход левого канала усилителя.
    Разъем усилителя пин (6) это экранирующая оплетка
    Вот я и хотел узнать где у меня этот пин с экраном...

  8. #138
    Администратор Аватар для Chip
    Регистрация
    08.06.2007
    Возраст
    56
    Сообщений
    13,381
    Вес репутации
    10

    По умолчанию Re: Адаптер подключения звука от CarPC к штатному усилителю на Toyota Lexus

    Встречал и без экрана

  9. #139
    Продвинутый Аватар для Benny
    Регистрация
    27.02.2009
    Возраст
    37
    Сообщений
    204
    Вес репутации
    250

    По умолчанию Re: Адаптер подключения звука от CarPC к штатному усилителю на Toyota Lexus

    Цитата Сообщение от Chip Посмотреть сообщение
    Встречал и без экрана
    Чип, такая ситуация: подключил адаптер к усилителю, через него еще не слушал музыку, не подвел еще 7в (12в AUX)... При прослушивании радио если сделать громкость выше среднего, то появляются шумы. Не знаю еще какой звук будет когда подключу комп. В первом сообщении сказано что лечится все трансформатором, так вот его нужно втыкать до AZ-FM или же после? Я воткнул его до адаптера, может в этом причина? Или же из-за длины кабеля до адаптера... его длина 1,5м

  10. #140
    Администратор Аватар для Chip
    Регистрация
    08.06.2007
    Возраст
    56
    Сообщений
    13,381
    Вес репутации
    10

    По умолчанию Re: Адаптер подключения звука от CarPC к штатному усилителю на Toyota Lexus

    Чтото я не совсем понял, шумы от чего появляются?

Страница 14 из 27 ПерваяПервая ... 489101112131415161718192024 ... ПоследняяПоследняя

Информация о теме

Пользователи, просматривающие эту тему

Эту тему просматривают: 4 (пользователей: 0 , гостей: 4)

Ваши права

  • Вы не можете создавать новые темы
  • Вы не можете отвечать в темах
  • Вы не можете прикреплять вложения
  • Вы не можете редактировать свои сообщения
  •